Foram encontradas 1.316 questões.
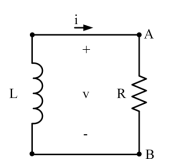
Considere a figura a seguir.

Elaborado pelo(a) autor(a)
As expressões para tensão e corrente são
v = 200\( e \)−10\( t \) ,\( t \) ≥ 0+ e i = 5\( e \)−10\( t \) ,\( t \)\( t \) ≥ 0.
Para a resposta natural deste circuito, o valor da indutância L é
Provas
No circuito elétrico mostrado a seguir, todos os componentes são ideais.

Elaborado pelo(a) autor(a).
Nesse circuito, a corrente elétrica através do resistor de 10 kΩ é de
Provas
Leia o Texto 1 para responder às questões 39 e 40.
Texto 1
É trucagem toda manipulação na produção de um filme que acaba mostrando na tela alguma coisa que não existiu na realidade. […] O “trucar” pode ser realizado de muitas maneiras, desde a manipulação de um elemento profílmico (o dublê que realiza uma cena perigosa em lugar do ator), a utilização de um dispositivo de filmagem especiais, até os retoques mais meticulosos da imagem. […] A invenção mais radical, entretanto, é a das técnicas infográficas de retoque ponto por ponto, que doravante autorizam - e de modo ainda mais fácil desde o aparecimento das câmeras digitais - modificar à vontade qualquer zona de qualquer fotograma.
AUMONT, Jacques; MARIE, Michel. Dicionário teórico e crítico de cinema. Campinas: Papirus, 2006. p. 2006
Um dos formatos comuns de trucagem com máscaras digitais utilizado para criação de cenários é
Provas
Leia o Texto 1 para responder às questões 39 e 40.
Texto 1
É trucagem toda manipulação na produção de um filme que acaba mostrando na tela alguma coisa que não existiu na realidade. […] O “trucar” pode ser realizado de muitas maneiras, desde a manipulação de um elemento profílmico (o dublê que realiza uma cena perigosa em lugar do ator), a utilização de um dispositivo de filmagem especiais, até os retoques mais meticulosos da imagem. […] A invenção mais radical, entretanto, é a das técnicas infográficas de retoque ponto por ponto, que doravante autorizam - e de modo ainda mais fácil desde o aparecimento das câmeras digitais - modificar à vontade qualquer zona de qualquer fotograma.
AUMONT, Jacques; MARIE, Michel. Dicionário teórico e crítico de cinema. Campinas: Papirus, 2006. p. 2006
Levando em consideração o trecho do texto apresentado, como são chamadas as trucagens cinematográficas, digitais ou eletrônicas, utilizadas em filmes como Matrix (1999), Avatar (2009) e Duna (2021)?
Provas
Observe as imagens a seguir.

MIYAZAKI, Hayao, and Oniki, Yuji. The Art of My Neighbor Totoro. Estados Unidos, VIZ Media LLC, 2005. [Adaptado].
O estúdio de animações Ghibli realizou diversas animações em 2D de sucesso como “A Viagem de Chihiro” (2001) e “Meu vizinho Totoro” (1988), entre outros. Seu principal diretor/animador, Hayao Miyazaki, utilizou técnicas como a apresentada nas imagens, intitulada
Provas
Leia o texto a seguir.
A Revolução é um movimento que veio da inspiração do povo brasileiro para atender às suas aspirações mais legítimas: erradicar uma situação e uni Governo que afundavam o País na corrupção e na subversão. A revolução está viva e não retrocede. Tem promovido reformas e vai continuar a empreendê-las, insistindo patrioticamente em seus propósitos de recuperação econômica, financeira, política e moral do Brasil. Para isto precisa de tranqüilidade. Agitadores de vários matizes e elementos da situação eliminada teimam, entretanto, em se valer do fato de haver ela reduzido a curto tempo o seu período de indispensável restrição a certas garantias constitucionais, e já ameaçam e desafiam a própria ordem revolucionária, precisamente no momento em que esta, atenta aos problemas administrativos, procura colocar o povo na prática e na disciplina do exercício democrático. Democracia supõe liberdade, mas não exclui responsabilidade nem importa em licença para contrariar a própria vocação política da Nação. Não se pode desconstituir a revolução, implantada para restabelecer a paz, promover o bem-estar do povo e preservar a honra nacional.
BRASIL. Ato Institucional nº 2, de 27 de outubro de 1965. Disponível em: <https://www.planalto.gov.br/ccivil_03/ait/ait-02-65.htm>. Acesso em: 30 mai. 2024.
De que forma texto manifesta autoritarismo?
Provas
Leia o texto a seguir.
Berimbau
Quem é homem de bem, não trai
O amor que lhe quer seu bem
Quem diz muito que vai, não vai
E assim como não vai, não vem
Quem de dentro de si não sai
Vai morrer sem amar ninguém
O dinheiro de quem não dá
É o trabalho de quem não tem
Capoeira que é bom, não cai
E se um dia ele cai, cai bem!
Capoeira me mandou
Dizer que já chegou
Chegou para lutar
Berimbau me confirmou
Vai ter briga de amor
Tristeza, camará
MORAES, V. Berimbau. Disponível em: <https://www.letras.mus.br/viniciusde-moraes/49258/>. Acesso em: 31 mai. 2024. [Adaptado].
“Berimbau” foi gravada em 1963, em um disco de Vinícius de Moraes com Odete Lara. A canção tem uma introdução marcada pelo compasso do berimbau, estrutura que se mantém até o refrão. O sucesso da canção fez com que não fosse gravada junto dos demais afro-sambas de Vinícius e Baden Powell. Qual característica da Afro-ética a música representa?
Provas
Leia o Texto 1 para responder às questões 33 e 34.
Texto 1
Os utopistas não se contentaram em conturbar as relações entre o pensamento especulativo e a prática; como os grandes navegadores – e Fourier, o príncipe dos utopistas, invocou sempre Cristóvão Colombo – eles não cessaram de explorar terras desconhecidas e de forçar passagens perigosas.
ABENSOUR, M. O novo espírito utópico. Campinas: Unicamp. 1990, p. 47. [Adaptado].
Em que aspecto os dois grupos comparados no texto se diferenciam?
Provas
Leia o Texto 1 para responder às questões 33 e 34.
Texto 1
Os utopistas não se contentaram em conturbar as relações entre o pensamento especulativo e a prática; como os grandes navegadores – e Fourier, o príncipe dos utopistas, invocou sempre Cristóvão Colombo – eles não cessaram de explorar terras desconhecidas e de forçar passagens perigosas.
ABENSOUR, M. O novo espírito utópico. Campinas: Unicamp. 1990, p. 47. [Adaptado].
A metáfora utilizada evidencia qual característica em comum entre os grupos comparados?
Provas
Leia o Texto 1 para responder às questões 39 e 40.
Texto 1
PRINCÍPIOS DO SUS
Equidade: o objetivo desse princípio é diminuir desigualdades. Apesar de todas as pessoas possuírem direito aos serviços, as pessoas não são iguais e, por isso, têm necessidades distintas. Em outras palavras, equidade significa tratar desigualmente os desiguais, investindo mais onde a carência é maior.
Disponível em: <https://www.gov.br/saude/pt-br/assuntos/saude-de-a-az/s/sus>. Acesso em: 20 jun. 2024.
A oração subordinada adverbial destacada em negrito expressa a ideia de
Provas
Caderno Container