Magna Concursos

Foram encontradas 50 questões.

238491 Ano: 2010
Disciplina: Português
Banca: IFPI
Orgão: IFPI
CARNE E OSSO
Eu quero sim,
Eu quero coisas novas,
Mas o que eu procuro mesmo são mais vidas...
Eu grito sim,
Mas grito meu lirismo
E o meu grito vai sanar minhas feridas...
E a música, e a mística
Aplicam sangue novo no meu ser,
Calam minha dor...
E o lúcido, e o válido, e o sólido
Vão matar você que evita o seu amor
Por isso eu vou
Trazer você comigo,
Programar o amor em seus computadores...
Vou mais além:
Eu morro, mas consigo
Germinar a minha flor em seus rancores
Nem dúvidas, nem dívidas
Jamais vão destruir a minha flor dentro de você...
Que cérebro, que máquina
Conseguem fazer mais que um grande amor dentro de você?
Saiba quem agride a minha lira
Quanto mais ferida, mais diz o que sente
Ainda vou ouvir você dizer pra mim: eu amo sim!
Sou carne, sou osso, sou gente!
No texto, predominam palavras acentuadas em decorrência de:
 

Provas

Questão presente nas seguintes provas
238482 Ano: 2010
Disciplina: Engenharia Mecânica
Banca: IFPI
Orgão: IFPI
Provas:
Tratando-se da manutenção preventiva, considere as seguintes afirmativas:
I. Tem por objetivo eliminar os custos com a manutenção corretiva por meio de um conjunto de técnicas de predição específicas e um grau elevado de integração entre os técnicos do setor de manutenção e a diretoria da empresa.
II. Objetiva a redução de custos, o aumento da qualidade do produto, o aumento da produção e a redução dos impactos ambientais bem como a redução dos acidentes de trabalho.
III. Implica numa sutil redução da eficiência de produção e do aumento dos custos operacionais, ocasionados pela paralisação periódica das máquinas para manutenção, entretanto essas inconveniências são compensadas pelo aumento o tempo de vida útil das máquinas.
IV. Concilia a substituição prévia de peças desgastadas com a redução progressiva do tempo médio de utilização das máquinas de modo a maximizar a vida útil de cada uma delas e minimizar seu MTBF.
Assinale a alternativa correta:
 

Provas

Questão presente nas seguintes provas
228212 Ano: 2010
Disciplina: Engenharia Elétrica
Banca: IFPI
Orgão: IFPI
Provas:
Um sistema de refrigeração ou circuito frigorígeno é utilizado, por exemplo, para refrigerar ou climatizar ambientes. Em sua estrutura básica é composto de compressor, evaporador, condensador e um válvula de expansão. Dentre as proposições abaixo é CORRETO afirmar que:
 

Provas

Questão presente nas seguintes provas
225612 Ano: 2010
Disciplina: Informática
Banca: IFPI
Orgão: IFPI
No Windows, ABNT2 é um tipo de:
 

Provas

Questão presente nas seguintes provas
220784 Ano: 2010
Disciplina: Engenharia Elétrica
Banca: IFPI
Orgão: IFPI
Provas:
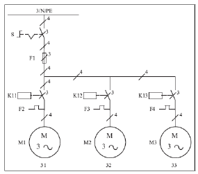
Enunciado 220784-1
Figura 2 - Diagrama de força unifilar de três motores
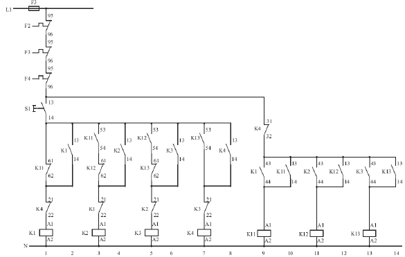
Enunciado 220784-2
Figura 3 - Diagrama de comando referente ao diagrama de força da Figura 2
Na Figura 2 é apresentado um diagrama de força para três motores, e na Figura 3 o respectivo diagrama de comando, baseando-se nessas duas figuras marque a alternativa INCORRETA.
 

Provas

Questão presente nas seguintes provas
217279 Ano: 2010
Disciplina: Engenharia Mecânica
Banca: IFPI
Orgão: IFPI
Provas:
Trabalhando em uma grande indústria siderúrgica você foi repentinamente requisitado a reparar uma caldeira que acabara de apresentar defeito. Ao diagnosticar a falha você identificou que o problema consistia na unidade de controle térmico a qual ordenou a imediata substituição, restabelecendo assim o funcionamento normal da máquina. Do ponto de vista da manutenção, a operação por você realizada é classificada como:
 

Provas

Questão presente nas seguintes provas
214881 Ano: 2010
Disciplina: Informática
Banca: IFPI
Orgão: IFPI
No Microsoft Office Excel 2007 o resultado da fórmula =2^1*3+4 é:
 

Provas

Questão presente nas seguintes provas
213777 Ano: 2010
Disciplina: Engenharia Mecânica
Banca: IFPI
Orgão: IFPI
Provas:
A execução da manutenção preditiva numa empresa requer o uso ferramentas específicas, de modo a medir e registrar a evolução de grandezas e fenômenos relacionados com o funcionamento das máquinas. Dentre essas ferramentas, as mais comumente utilizadas na manutenção preditiva são:
 

Provas

Questão presente nas seguintes provas
209446 Ano: 2010
Disciplina: Engenharia Elétrica
Banca: IFPI
Orgão: IFPI
Provas:
Enunciado 209446-1
Figura 5 - Placa de identificação de motor.
Na Figura 5 acima é apresentado a representação de uma placa de identificação encontrada em carcaças de motores. A respeito dessa placa, analise as proposições seguintes e marque a alternativa CORRETA.
 

Provas

Questão presente nas seguintes provas
183386 Ano: 2010
Disciplina: Segurança e Saúde no Trabalho (SST)
Banca: IFPI
Orgão: IFPI
Provas:
A implementação das Recomendações de Segurança é uma das ações que deve compor a elaboração de um programa de manutenção de máquinas elétricas desenergizadas de uma empresa. Assinale a alternativa que corresponde às recomendações de segurança corretas para este caso:
 

Provas

Questão presente nas seguintes provas