Foram encontradas 500 questões.
- Controladores (Proporcional, PI e PID)
- Diagrama de Blocos
- Função de Transferência
- Sistemas de Controle
- Transformada de Laplace
Considere o sistema de controle em malha fechada, representado pelo diagrama de blocos, mostrado na figura seguinte.

A função de transferência global Y(s)/R(s) pode ser representada por
Provas
Provas
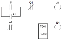
Considere a sequência LADDER apresentada a seguir:

Após o acionamento da entrada LIGA e, decorridas 3 varreduras completas, teremos a(s) seguinte(s) saída(s) ligada(s):
Provas
A questão refere-se ao sistema linear em malha fechada, representado na figura seguinte:

Quando é aplicado um impulso unitário, na entrada desse sistema, o sinal de saída y(t) assume a forma
y(t) = Me-σ t sen(ωt).
De acordo com as informações fornecidas, o sistema é
Provas
A questão refere-se ao sistema linear em malha fechada, representado na figura seguinte:

Quando é aplicado um impulso unitário, na entrada desse sistema, o sinal de saída y(t) assume a forma
y(t) = Me-σ t sen(ωt).
Assumindo que ω = 5 rad/s, o valor do ganho K será igual a
Provas
Provas

Provas
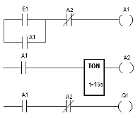
Considere a resposta temporal da saída Q1, em função da entrada E1, representada abaixo:

O diagrama LADDER, que representa uma lógica capaz de executar a relação temporal entre E1 e Q1, é apresentado em:
Provas
Considere a carga trifásica, apresentada na figura abaixo, a qual está alimentada por tensões balanceadas na sequência positiva de fases abc e onde Ζ₁, Ζ₂ e Ζ₃ são impedâncias idênticas.

Se os fasores
então é possível afirmar
que:
Provas
Provas
Caderno Container