Magna Concursos

Foram encontradas 80 questões.

1385572 Ano: 2008
Disciplina: Engenharia Civil
Banca: IF-SUL
Orgão: IF-SUL
Provas:
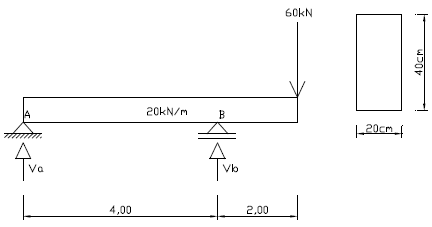
Observe a viga abaixo.
Enunciado 1385572-1
Uma viga de concreto bi-apoiada, com um trecho em balanço, tem a secção transversal mostrada acima. Considerando que o peso específico do concreto armado vale 25kN/m3, assinale a alternativa FALSA.
 

Provas

Questão presente nas seguintes provas
1384648 Ano: 2008
Disciplina: Engenharia Civil
Banca: IF-SUL
Orgão: IF-SUL
Provas:
Na construção de uma tesoura de madeira para telhado, falta determinar o comprimento da linha após a vinculação com a perna da mesma (ângulo de 30º entre as peças), conforme o desenho abaixo.
Considerando os dados a seguir, qual deverá ser o valor X deste comprimento?
!$ δ_{mad} !$ = 1 MPA e !$ σ_{mad} !$ = 5 MPa
sen 30º = 0,50
cos 30º = 0,87
tan 30º = 0,58
Enunciado 1384648-1
 

Provas

Questão presente nas seguintes provas
1383964 Ano: 2008
Disciplina: Engenharia Mecânica
Banca: IF-SUL
Orgão: IF-SUL
Considere as vantagens específicas de cada processo de fundição, abaixo descritas:
I. Alta capacidade de produção e alta durabilidade do molde.
II. Baixo custo na produção do molde e menor possibilidade de surgimento de trincas.
III. Possibilidade de produção em massa de peças de formatos complicados, difíceis ou impossíveis de se produzir por processos convencionais de fundição ou mesmo por usinagem.
Elas se referem, respectivamente, a qual tipo de processo de fundição?
 

Provas

Questão presente nas seguintes provas
1382897 Ano: 2008
Disciplina: Engenharia Mecânica
Banca: IF-SUL
Orgão: IF-SUL
Com relação à manutenção preventiva, afirma-se
I. A manutenção preventiva obedece a um padrão previamente esquematizado; estabelece paradas periódicas para troca de peças gastas, assegurando o funcionamento perfeito da máquina por um período pré-determinado.
II. A manutenção preventiva tem como vantagens: equilíbrio no ritmo de trabalho; controle das peças de reposição; eliminação ou diminuição de improvisações e redução de acidentes do trabalho.
III. A manutenção preventiva deverá ser registrada e controlada. Para tal controle deve-se utilizar um documento para fins de registro chamado ficha individual de registro.
IV. Na manutenção preventiva uma peça é trocada somente quando ocorre a quebra da mesma.
Estão corretas apenas as afirmativas
 

Provas

Questão presente nas seguintes provas
1381884 Ano: 2008
Disciplina: Engenharia Civil
Banca: IF-SUL
Orgão: IF-SUL
Provas:
A resistência característica do concreto é a
 

Provas

Questão presente nas seguintes provas
1381552 Ano: 2008
Disciplina: Engenharia Civil
Banca: IF-SUL
Orgão: IF-SUL
Provas:
Em relação à instalação da coluna de ventilação, afirma-se que
 

Provas

Questão presente nas seguintes provas
1381069 Ano: 2008
Disciplina: Engenharia Mecânica
Banca: IF-SUL
Orgão: IF-SUL
As polias e correias transmitem
 

Provas

Questão presente nas seguintes provas
1380798 Ano: 2008
Disciplina: Engenharia Mecânica
Banca: IF-SUL
Orgão: IF-SUL
A classificação do eletrodo para soldagem a arco elétrico abaixo é: E 80 1 2 – 3
A indicação da posição de soldagem, é representado por
 

Provas

Questão presente nas seguintes provas
1379924 Ano: 2008
Disciplina: Engenharia Mecânica
Banca: IF-SUL
Orgão: IF-SUL
Observe a figura abaixo.
Enunciado 1379924-1
A estrutura representada na figura está em equilíbrio. A carga P aplicada em “D” é de 20 N e o ângulo !$ \alpha !$ vale 30°.
As forças nas barras 1, 2 e 3 valem, respectivamente,
 

Provas

Questão presente nas seguintes provas
1379713 Ano: 2008
Disciplina: Engenharia Mecânica
Banca: IF-SUL
Orgão: IF-SUL
Qual a potência de corte necessária para usinar em um torno mecânico um aço ABNT 1030 (pressão específica de corte kc=1990 N/mm2) com uma rotação de 450 rpm, diâmetro de 76 mm, profundidade de corte de 5 mm, avanço de 0,35 mm/rot e utilizando uma ferramenta com ângulo de posição de 60 graus? Desprezar rendimento e utilizar 2 (duas) casas decimais para o cálculo.
 

Provas

Questão presente nas seguintes provas