Foram encontradas 720 questões.

No circuito da figura acima, a queda de tensão 24.sobre os resistores R1 e R2 é, respectivamente,
Provas
Questão presente nas seguintes provas
Observe o circuito representado na figura abaixo.

A potência fornecida pela fonte para os resistores da associação é de
Provas
Questão presente nas seguintes provas

No circuito da figura acima, a tensão da fonte 22.V1, a resistência R2 e a resistência R3 são, respectivamente,
Provas
Questão presente nas seguintes provas
Um chuveiro elétrico, construído para ser utilizado em uma rede elétrica de 220V, é ligado 21.inadvertidamente em 127V.
Na rede de 127V, a potência elétrica desse chuveiro será
Provas
Questão presente nas seguintes provas
As categorias de emprego do contator, segundo a norma IEC 947, são designadas, em 20.corrente alternada, por AC_.
Referente a categoria AC3, a qual aplicasse aos motores de indução gaiola de esquilo, com interrupção com o motor em regime, afirma-se que no fechamento, o contator
Provas
Questão presente nas seguintes provas
Com relação às correntes que passam pelo motor, afirma-se que a corrente de 19.
Provas
Questão presente nas seguintes provas
Com relação às vantagens da partida estrela- triângulo (automática) é INCORRETO afirmar 18.que.
Provas
Questão presente nas seguintes provas
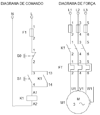
Observe o circuito da figura abaixo.

Nesse circuito, após ser pressionada a botoeira S1, o motor entrou em funcionamento. Após algum tempo, o fusível da fase L2 queimou, deixando o motor em apenas duas fases. O que ocorreu com o motor?
Provas
Questão presente nas seguintes provas
Em operação, todas as máquinas estão sujeitas a fadiga, desgaste, deformação e 15.acomodação da fundação. Esses efeitos geram um aumento das vibrações e, com o passar do tempo, os níveis de vibração continuam a crescer, o que, por fim, resulta em avaria da máquina.
Quais falhas NÃO representam um tipo comum de falha ou condição de operação que aumenta os níveis de vibração nas máquinas?
Provas
Questão presente nas seguintes provas
Sobre as válvulas eletropneumáticas, considere as seguintes afirmações: .
I. São orifícios que a válvula possui para a passagem de ar comprimido.
II. Representa externamente o sistema de acionamento das válvulas.
III. É o número de estados que a válvula pode ter ou com o qual pode permanecer.
II. Representa externamente o sistema de acionamento das válvulas.
III. É o número de estados que a válvula pode ter ou com o qual pode permanecer.
Qual a sequência correta?
Provas
Questão presente nas seguintes provas
Cadernos
Caderno Container