Magna Concursos

Foram encontradas 720 questões.

1884655 Ano: 2017
Disciplina: Engenharia Eletrônica
Banca: IF-SUL
Orgão: IF-SUL
O circuito esquematizado na Figura 3a apresenta Vcc = 15V e o amplificador operacional alimentado com +Vcc e -Vcc.
Enunciado 3563366-1
Supondo V1 = - 5V, caso a iluminação sobre o fototransistor, cuja curva é apresentada na Figura 3b, varie entre 100 LUX e 300 LUX, a tensão Vout varia entre
 

Provas

Questão presente nas seguintes provas
1884654 Ano: 2017
Disciplina: Engenharia Eletrônica
Banca: IF-SUL
Orgão: IF-SUL
Um Phaselock Loop (PLL) tem como aplicação em instrumentação biomédica a medição
 

Provas

Questão presente nas seguintes provas
1884653 Ano: 2017
Disciplina: Engenharia Eletrônica
Banca: IF-SUL
Orgão: IF-SUL
Observe a Figura 2.
Enunciado 3563364-1
Para o circuito amplificador representado na Figura 2, o ganho de tensão é
 

Provas

Questão presente nas seguintes provas
1884652 Ano: 2017
Disciplina: Engenharia Eletrônica
Banca: IF-SUL
Orgão: IF-SUL
Observe a Figura 1.
Enunciado 3563363-1
A representação gráfica ilustrada na Figura 1, corresponde a um
 

Provas

Questão presente nas seguintes provas
1884651 Ano: 2017
Disciplina: Engenharia Eletrônica
Banca: IF-SUL
Orgão: IF-SUL
Relativo aos circuitos de potência conhecidos como cicloconversores, avalie as sentenças a 40.seguir, marcando (V) para Verdadeiro, ou (F) para Falso:
( ) No controle por ciclo integral, a tensão sobre a carga pode ser controlada por meio da variação no ângulo de disparo dos tiristores, dentro de cada semiciclo da tensão de entrada.
( ) O cicloconversor controla a tensão sobre a carga, produzindo uma frequência em geral mais baixa do que a frequência na entrada.
( ) Um cicloconversor do tipo trifásico para monofásico, construído por meio de SCRs, e que permita o controle completo do ângulo de disparo, necessita de um total de seis SCRs para ser construído.
( ) O método de controle de fase de um cicloconversor produz pouco ruído elétrico.
A sequência correta, de cima para baixo, é:
 

Provas

Questão presente nas seguintes provas
1884650 Ano: 2017
Disciplina: Engenharia Elétrica
Banca: IF-SUL
Orgão: IF-SUL
Relativo aos circuitos de potência conhecidos como inversores, avalie as sentenças a 39.seguir, marcando (V) para Verdadeiro, ou (F) para Falso:
( ) A configuração de chaves eletrônicas, conhecida como ponte H, é muito utilizada em circuitos inversores.
( ) Na modulação por PWM, a largura do pulso se mantém constante, enquanto o período de chaveamento varia.
( ) Na modulação PFM a largura do pulso varia, enquanto o período de chaveamento se mantém constante.
( ) A modulação PWM é o método mais utilizado para controlar a tensão de saída de um inversor.
A sequência correta, de cima para baixo, é:
 

Provas

Questão presente nas seguintes provas
1884649 Ano: 2017
Disciplina: Engenharia Eletrônica
Banca: IF-SUL
Orgão: IF-SUL
Em relação ao conversor chopper marque (V) para Verdadeiro, ou (F) para Falso.
( ) Um conversor chopper do tipo buck produz na saída uma tensão maior do que a presente em sua entrada.
( ) Um conversor chopper do tipo boost produz na saída uma tensão menor do que a presente em sua entrada.
( ) Em um conversor chopper do tipo buck, dizemos que esse está em modo de corrente contínua na carga quando a corrente no indutor do circuito nunca chega a zero.
( ) Um conversor chopper do tipo buck-boost é bastante versátil, por permitir que a tensão em sua saída se torne menor, igual ou maior do que a tensão na entrada.
A sequência correta, de cima para baixo, é:
 

Provas

Questão presente nas seguintes provas
1884648 Ano: 2017
Disciplina: Engenharia Eletrônica
Banca: IF-SUL
Orgão: IF-SUL
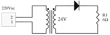
O retificador monofásico do circuito a seguir está ligado a uma carga resistiva de 6 Ω.
Enunciado 3563359-1
Sendo a tensão eficaz no secundário do transformador de 24 V, e considerando o diodo ideal, a tensão média no resistor R1 é de:
 

Provas

Questão presente nas seguintes provas
1884647 Ano: 2017
Disciplina: Engenharia Eletrônica
Banca: IF-SUL
Orgão: IF-SUL
Sobre as características dos dispositivos utilizados em eletrônica de potência, avalie as 36.sentenças abaixo, marcando (V) para Verdadeiro, ou (F) para Falso:
( ) A corrente elétrica mínima que precisa circular no SCR para manter o estado de condução denomina-se corrente de sustentação.
( ) A única maneira de um dispositivo do tipo DIAC passar para o estado de ligado é excedendo sua tensão de disparo.
( ) Um retificador controlado de silício (SCR) pode passar do estado de condução para bloqueio através da aplicação de um pulso de corrente negativo no seu terminal de porta.
( ) Tempo de recuperação reverso é definido como o intervalo de tempo que leva para a corrente reversa em um diodo ir para zero, quando o diodo passa do estado de bloqueio para o estado de condução.
A sequência correta, de cima para baixo, é:
 

Provas

Questão presente nas seguintes provas
1884646 Ano: 2017
Disciplina: Engenharia Eletrônica
Banca: IF-SUL
Orgão: IF-SUL
Relativo aos conversores analógico para digital (A/D) e digital para analógico (D/A), avalie 35.as sentenças abaixo, marcando (V) para Verdadeiro, ou (F) para Falso:
( ) O processo de conversão de um sinal analógico em digital divide-se nas etapas de amostragem, ponderação, quantificação e codificação.
( ) O conversor analógico para digital (A/D) com comparadores apresenta alta velocidade de conversão.
( ) Um conversor digital para analógico (D/A) é denominado monotônico se sua saída sempre aumenta, na medida em que a entrada binária é incrementada de um valor qualquer para o próximo.
( ) Em um conversor digital para analógico (D/A), a tensão de referência determina a tensão de fim de escala na saída do conversor.
A sequência correta, de cima para baixo, é:
 

Provas

Questão presente nas seguintes provas