Foram encontradas 120 questões.
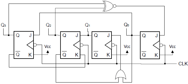
Considerando que Q3 é o MSB, determine a sequência de contagem do circuito abaixo.

Provas
Questão presente nas seguintes provas
“Que importa quem fala? Nessa diferença se afirma o princípio ético, talvez o mais fundamental, da escrita contemporânea. O apagamento do autor tornou-se desde então, para a crítica, um tema cotidiano”.
(FOUCAULT, Michel. O que é um Autor?. In Estética: literatura e pintura, música e cinema/Michel Foucault. São Paulo: Editora Forense Universitária, 2009)
Para Michel Foucault, o essencial não é constatar mais uma vez o desaparecimento do autor, mas descobrir os locais onde sua função é exercida.
Dentre esses locais, ele NÃO menciona
Provas
Questão presente nas seguintes provas
Leia o texto a seguir, para responder a questão.

Revista Veja, 16 de março de 2015.
No que tange à coerência do texto Menu, é correto afirmar que a unidade de sentido se dá
Provas
Questão presente nas seguintes provas
Um Técnico em Eletrônica realizou um teste de estado funcional num capacitor. Em sua bancada, o Técnico utilizou um ohmímetro analógico para testar o capacitor. Observando o deslocamento do ponteiro do instrumento de medição, verificou que o mesmo se deflexionou da posição infinito até a posição de 1Ω, retornando à posição infinito.
Com esta observação o Técnico concluiu que o capacitor está
Provas
Questão presente nas seguintes provas
Para solucionar um ajuste de capacitância num circuito, foi feito um arranjo de capacitores da seguinte forma: - entre os pontos “a” e “b” foram ligados em série os capacitores C1, C2 e C3, tendo os respectivos valores de 2,2μF, 4,7μF e 3,3μF; - entre os pontos “a” e “c” foi ligado um capacitor C4 de 6,8μF; - entre os pontos “c” e “b” foi ligado um capacitor C5 de 3,3μF.
Montada a referida associação dos capacitores, teremos uma capacitância equivalente entre os pontos “a” e “b” igual a
Provas
Questão presente nas seguintes provas
Considere as afirmações abaixo, de Platão e Fiorin (2007, p.220-222), sobre a norma linguística e argumentação, e assinale verdadeiro (V) ou falso (F) para cada uma delas.
( ) O uso de um certo padrão de linguagem concorre para que se aumente ou se diminua o poder de persuasão daquele que fala.
( ) A utilização de uma linguagem cerimoniosa sempre garante resultados favoráveis para a argumentação.
( ) A situação concreta de comunicação é que irá determinar a forma de linguagem mais ou menos eficiente.
( ) O desconhecimento da variante padrão da língua gera problemas no momento de produzir textos, mas não de compreendê-los.
A sequência correta, de cima para baixo, é
Provas
Questão presente nas seguintes provas
Leia os textos 3 e 4 para responder a questão.
Texto 3
“Waly Salomão, ‘se não chegou a se tornar tudo, foi muitas coisas’, pontua Paulo Leminski em texto ao final deste volume. Atuando como poeta, ensaísta, letrista, articulador cultural, diretor de espetáculos, artista visual e homem público, Waly sempre encadeou sua produção literária com as diversas manifestações culturais que surgiam no Brasil entre as décadas de 1970 e 2000.
Desde “Me segura qu’eu vou dar um troço” (1972), seu livro de estreia, iniciado durante um episódio de confinamento no Carandiru, sua obra transmite um forte anseio pela liberdade, subvertendo qualquer rigidez de gêneros ainda vigente.
Em “Gigolô de bibelôs” (1983), seu segundo livro, o seguinte verso ecoa: ‘Tenho fome de me tornar um tudo o que não sou’; e ao fim do mesmo livro: ‘Minha sede não é qualquer copo d’água que mata’. Faminto e sedento, Waly busca abolir fronteiras e confrontar-se com os limites – entre o eu e o outro, entre a poesia e a lírica, entre a arte e a vida.
Seus versos continuaram reinventando ao longo dos anos 1990 e 2000, e livros como “Algaravias” (1996) consolidaram seu papel de expoente na vanguarda brasileira e experimentador máximo da linguagem”.
(SALOMÃO, Waly. Poesia total. São Paulo: Companhia das Letras, 2014. *orelha da capa)
Texto 4
ESCRITA – A inovação revolucionária, implícita na ideia de vanguarda, pode ser induzida artificialmente ou é resultante de um longo processo de maturação social?
ANTONIO CANDIDO – Em princípio, uma pseudovanguarda pode ser artificialmente montada, sem razão-de-ser profunda. Quanto às outras, nos termos propostos acima, há uma escolha deliberada, mas esta é suscitada por estímulos que favorecem e mesmo solicitam a atitude de renovação radical e constante. Esta é um traço do nosso tempo, e portanto resulta também de condições sociais. Eu diria que a literatura não pode nem deve ser apenas vanguarda; mas que as vanguardas têm sido o sal do nosso tempo.
(CANDIDO, Antonio. Vanguarda: renovar ou permanecer. In Textos de Intervenção. São Paulo: Duas Cidades, Ed. 34, 2002 - *Este trecho é transcrição parcial da entrevista “Antonio Candido e os condenados à vanguarda”, publicada na revista Escrita, número 2, ano I, São Paulo, 1975)
Relacionando os textos 3 e 4 e considerando a posição de Antonio Candido em relação à vanguarda literária brasileira, pode-se atribuir ao crítico a seguinte afirmativa
Provas
Questão presente nas seguintes provas
Considere um ADC de rampa digital de 8 bits que apresenta entrada de fundo de escala de 3 V, quando a saída digital apresentar o valor 001101102, o valor analógico medido, é de
Provas
Questão presente nas seguintes provas
Um Técnico em Eletrônica realizou uma medição de tensão de pico utilizando um osciloscópio analógico, no qual o profissional fez o ajuste do controle de sensibilidade vertical para 20mV/div e o do controle de sensibilidade horizontal para 0,5ms/div. A referida medição apresentou o oscilograma mostrado abaixo.

Repetindo a medição utilizando um voltímetro CA, o profissional fez a leitura do seguinte valor de tensão
Provas
Questão presente nas seguintes provas
Observe a figura abaixo:

A largura da faixa de passagem !$ (LF) !$ e a frequência de corte inferior é, respectivamente,
Provas
Questão presente nas seguintes provas
Cadernos
Caderno Container