Foram encontradas 1.513 questões.
Na programação CNC existem dois sistemas de coordenadas para relacionar a geometria do desenho com a programação do comando numérico. Assinale a alternativa correta que contém os dois sistemas de coordenadas.
Provas
Assinale a alternativa correta que corresponde à ação realizada pelos comandos G00 e G01 utilizados na programação de máquinas CNC que utilizam o código G.
Provas
Grande parte da energia utilizada para a realização do processo de usinagem é transformada em calor. Assinale a alternativa correta que apresenta as principais fontes geradoras deste calor no processo de usinagem.
Provas
Analise a válvula pneumática abaixo:

Assinale a alternativa que apresenta correta e respectivamente o número de posições e quantidade de vias.
Provas
Após o processo de torneamento uma peça precisa passar pela confirmação de suas medidas para garantir que suas dimensões estejam corretas. A precisão necessária no sentido longitudinal é de 0,05mm e no sentido transversal é de 0,001 mm. Assinale a alternativa correta que apresenta os instrumentos com a precisão necessária para fazer as medições longitudinal e transversal, respectivamente.
Provas
Na área de ensaios de materiais existem os destrutivos e os não destrutivos. Assinale a alternativa correta que apresenta um ensaio não destrutivo.
Provas
Com relação às afirmativas abaixo, assinale a alternativa correta:
I. Para escoamento laminar em tubulações com fluidos incompressíveis as perdas distribuídas independem da rugosidade da tubulação.
II. O número de Reynolds é um número adimensional que relaciona a massa específica do fluido, diâmetro interno da tubulação, velocidade de escoamento e viscosidade dinâmica do fluido.
III. Se comparado com os gases, a análise teórica de transporte dos líquidos apresenta diferenças quanto ao tratamento da compressibilidade.
Provas
A relação entre a massa de vapor de água e a massa de ar seco, em um determinado volume de ar, é definida como:
Provas
Por quais processos de fabricação são obtidos, respectivamente, o trilho de trem, o fio de cobre, a telha de alumínio, os perfis de alumínio e as pastilhas de metal duro (utilizadas em usinagem mecânica)?
Provas
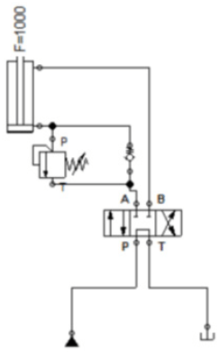
Considere o circuito hidráulico representado na figura.

Esse processo de soldagem ocorre, normalmente, de forma semiautomática, onde a alimentação do arame eletrodo acontece mecanicamente, por um alimentador motorizado, cabendo ao soldador iniciar e interromper a soldagem, além de mover a tocha ao longo da junta.
Assinale a alternativa correta.
Provas
Caderno Container