Foram encontradas 80 questões.
Em um projeto de transmissão por correias, deve-se levar em conta os critérios:
Provas
No ensaio de dureza Brinell, para materiais homogêneos, o uso de esferas de diâmetros diferentes e com cargas variáveis permite obter o mesmo valor de dureza, desde que:
Sendo Q a carga aplicada e D o diâmetro da esfera de aço utilizada no ensaio:
Provas
As funções do ângulo de incidência principal são:
Provas
Considere o gráfico da figura a seguir:

Os pontos O, A, B, C, D, E e F são definidos, respectivamente, como:
Provas
Na manutenção preditiva de rolamentos utilizando medições de vibrações, para se calcular a frequência de defeito na pista interna, deve-se estar de posse dos seguintes dados:
Provas
Comparando-se as estruturas CFC e CCC, pode-se inferir que:
Provas
Um eixo de aço de diâmetro 100 mm deve ser desbastado em processo de torneamento com uma ferramenta de metal duro a uma velocidade de 100 m/min. O número de rotações por minuto é igual a:
Provas
Podemos definir a cementita como:
Provas
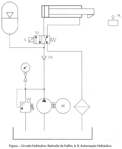
O acumulador do circuito hidráulico mostrado na figura a seguir tem a função de:

Provas
Considere o gráfico da figura a seguir, resultante de ensaios de tração em dois materiais distintos. Pode-se afirmar que:

Provas
Caderno Container