Foram encontradas 30 questões.
Com relação a motores elétricos de indução de rotor bobinado, classifique as afirmativas abaixo como verdadeiras (V) ou falsas (F) e assinale a alternativa que apresenta a sequência CORRETA, de cima para baixo:
( ) Os terminais do enrolamento do rotor são conectados a anéis deslizantes sobre os quais se apoiam escovas.
( ) Na partida, resistores elétricos podem ser ligados em série com os enrolamentos do rotor para aumentar a corrente de partida e melhorando o fator de potência.
( ) Se forem colocados resistores elétricos em série com o enrolamento do rotor, não será possível obter o máximo conjugado na partida.
( ) À medida que a velocidade aumenta, para aumentar o conjugado, é necessário aumentar o valor dos resistores elétricos conectados ao enrolamento do rotor.
Provas
Questão presente nas seguintes provas
- Transformadores e Máquinas ElétricasMáquinas EstáticasTransformadores Trifásicos e Autotransformadores
Em relação aos transformadores, pode-se afirmar que está CORRETA a alternativa:
Provas
Questão presente nas seguintes provas
O circuito da figura a seguir encontra-se em regime permanente quando a chave CH1 abre no exato momento em que a chave CH2 fecha, ambos em t=0s. O valor da corrente no resistor de 10kΩ no tempo t = 0,01s é igual a:

Provas
Questão presente nas seguintes provas
Em relação à NBR13300, que define os termos que devem ser utilizados nas atividades de projeto e execução de redes telefônicas internas, classifique cada uma das afirmativas a seguir como verdadeira (V) ou falsa (F) e assinale a alternativa que apresenta a sequência CORRETA, de cima para baixo:
( ) Olhal é uma ferragem utilizada para rede telefônica aérea, destinada à terminação de cordoalha para cabo em fachadas ou outras estruturas.
( ) O ponto de terminação de rede (PTR) é o ponto de conexão física à rede telefônica pública, localizando-se na propriedade do assinante.
( ) A prancha é feita de material condutor instalada em cubículos de poço de elevação e em salas de distribuidor geral.
( ) Prumada é um conjunto de tubulações, caixas ou cubículos instalados em uma mesma vertical.
Provas
Questão presente nas seguintes provas
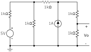
Para o circuito da figura a seguir, a diferença de potencial Vo é aproximadamente igual a:

Provas
Questão presente nas seguintes provas
Uma bomba de água, com rendimento de 80%, deve elevar 6m³ de água, em 1 (uma) hora, a uma altura de 60 metros. Considere que as perdas de carga representam 20% da altura de elevação. Qual a potência mínima de um motor elétrico síncrono rotativo, de quatro polos, para acionar a bomba?
Dado: peso específico da água = 1000kgf/m³.
Provas
Questão presente nas seguintes provas
Assinale a alternativa CORRETA que relaciona a grandeza luminotécnica que pode ser calculada pelo fluxo luminoso incidente em uma superfície, por unidade de área:
Provas
Questão presente nas seguintes provas
Uma máquina de corrente contínua, operando na ação geradora e com excitação do tipo em derivação (paralela), tem potência nominal de 10kW e tensão nominal de 250V. Quando operando com a carga nominal a velocidade do eixo é de 1000rpm, a corrente elétrica de campo é de 1,64A e as perdas rotacionais são iguais a 540W. Considerando que a resistência elétrica de armadura é de 0,15Ω e que a rotação é constante, o torque eletromecânico e o rendimento do gerador, para a carga nominal, são respectivamente:
Provas
Questão presente nas seguintes provas
Considere as afirmativas I, II e III relacionadas à classe de motores elétricos rotativos de indução. Assinale a alternativa que contém a(s) afirmativa(s) CORRETA(S):
I. Em relação às Classes H e D, os motores da Classe N apresentam o mais baixo torque de partida.
II. Em relação às Classes N e H, os motores da classe D apresentam o mais alto torque de partida.
III. Em relação às Classes N e D, os motores da classe H apresentam o mais alto torque de partida.
Provas
Questão presente nas seguintes provas
Para o circuito da figura a seguir, o ângulo de fase entre a tensão da fonte e a corrente na fonte é igual a:

Provas
Questão presente nas seguintes provas
Cadernos
Caderno Container