Magna Concursos

Foram encontradas 305 questões.

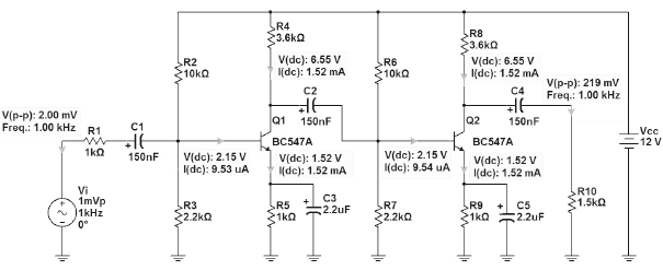
463197 Ano: 2017
Disciplina: Engenharia Eletrônica
Banca: FCM
Orgão: IF-RJ

Analise o circuito abaixo.

enunciado 463197-1

Este amplificador de áudio apresenta

 

Provas

Questão presente nas seguintes provas
463196 Ano: 2017
Disciplina: Engenharia Eletrônica
Banca: FCM
Orgão: IF-RJ
Numere a COLUNA II de acordo com a COLUNA I, identificando cada ruído à sua caracterização. COLUNA I 1 – Burst
2 – Interferência 3 – Térmico
4 – Avalanche
5 – Transmitido
COLUNA II ( ) Gerado pela agitação dos elétrons em condutor, desaparecendo no zero absoluto. ( ) Recebido com o sinal original, às vezes gerado dentro do próprio transdutor sensor, indistinguível um do outro. ( ) Caracterizado por pulsos discretos de alta frequência, relacionado à imperfeição nos materiais semicondutores. ( ) Originário em fenômenos naturais ou relacionado aos acoplamentos com outros equipamentos elétricos da sua vizinhança. ( ) Aparece quando uma junção pn opera no modo de condução reversa. A sequência correta é
 

Provas

Questão presente nas seguintes provas
463195 Ano: 2017
Disciplina: Engenharia Eletrônica
Banca: FCM
Orgão: IF-RJ
Analise as seguintes afirmativas, referentes aos sensores de proximidade, utilizados como dispositivos de entrada dos controladores lógicos programáveis, e marque (V) para verdadeiro ou (F) para falso. ( ) Nos sensores indutivos, seu alcance independe do tamanho do alvo em relação à face ativa e dos diferentes tipos de metais. ( ) Nos sensores capacitivos, materiais com pequena constante dielétrica podem ser detectados por barreiras que possuam materiais com grandes constantes dielétricas. ( ) Nos sensores ópticos para a detecção do feixe de luz, o fototransistor ou fotodiodo são os mais utilizados pela robustez, em estado sólido, proporcionando uma variação de corrente. ( ) Os sensores por feixe retrorreflexivo são complexos na instalação, apresentando baixa sensibilidade e alcance maior que o de feixe transmitido. ( ) Nos sensores ultrassônicos, empregando a frequência de 5 MHz, o tamanho e o material do alvo, acusticamente absorventes, proporcionam uma ampliação da distância sensora. A sequência correta é
 

Provas

Questão presente nas seguintes provas
463194 Ano: 2017
Disciplina: Engenharia Elétrica
Banca: FCM
Orgão: IF-RJ
Numere a COLUNA II de acordo com a COLUNA I, identificando corretamente os condutores, segundo a norma NBR 5410. COLUNA I 1- Neutro – N 2- De proteção – PE 3- Com função PEN 4- Fase – F 5- Retorno – R
COLUNA II ( ) Azul-claro com anilas verde-amarelo ( ) Vermelho ( ) Preto ( ) Azul-claro ( ) Verde-amarelo ou verde A sequência correta é
 

Provas

Questão presente nas seguintes provas
463193 Ano: 2017
Disciplina: Engenharia Elétrica
Banca: FCM
Orgão: IF-RJ
Analise as seguintes afirmativas, relacionadas a pilhas, baterias e lâmpadas fluorescentes, utilizadas frequentemente nos laboratórios das instituições de ensino, e marque (V) para verdadeiro ou (F) para falso. ( ) Os consumidores finais efetuarão a devolução, após o uso, aos fabricantes e importadores para incineração. ( ) Para esses produtos, é obrigatória a implementação de sistemas de logística reversa. ( ) Os fabricantes e os importadores darão destinação ambientalmente adequada a esses produtos e a suas embalagens. ( ) O serviço público de limpeza urbana recolherá esses produtos, após o uso, descartando-os em aterro sanitário. A sequência correta é
 

Provas

Questão presente nas seguintes provas
463192 Ano: 2017
Disciplina: Engenharia Elétrica
Banca: FCM
Orgão: IF-RJ
Na instalação elétrica de um laboratório, fez-se a separação das funções de neutro e proteção, empregando-se condutores separados. Nessa forma de execução do aterramento de proteção, utilizou-se um esquema
 

Provas

Questão presente nas seguintes provas
463191 Ano: 2017
Disciplina: Eletroeletrônica
Banca: FCM
Orgão: IF-RJ

Analise a configuração de um tipo de sensor de deslocamento, utilizado na indústria.

enunciado 463191-1

Nesse caso, refere-se a um sensor de deslocamento

 

Provas

Questão presente nas seguintes provas
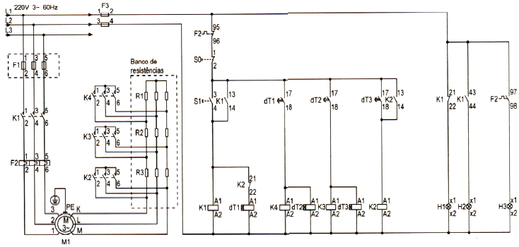
463190 Ano: 2017
Disciplina: Eletroeletrônica
Banca: FCM
Orgão: IF-RJ

Analise os circuitos de força e comando abaixo.

enunciado 463190-1

Após essa análise, é correto afirmar:

 

Provas

Questão presente nas seguintes provas
463189 Ano: 2017
Disciplina: Eletroeletrônica
Banca: FCM
Orgão: IF-RJ

Observe, na COLUNA I, as curvas de torque-velocidade para motores de indução de gaiola. Em seguida, numere a COLUNA II, identificando cada curva com as classes desses motores, segundo a NEMA.

COLUNA I

enunciado 463189-1

COLUNA II

( ) Classe A

( ) Classe B

( ) Classe C

( ) Classe D

A sequência correta é

 

Provas

Questão presente nas seguintes provas
463188 Ano: 2017
Disciplina: Eletroeletrônica
Banca: FCM
Orgão: IF-RJ

Observe a tela deste osciloscópio de duplo traço, analisando os sinais apresentados.

enunciado 463188-1

Considerando os cursores como referência e ω = 1000π, as tensões instantâneas desses sinais são, respectivamente,

 

Provas

Questão presente nas seguintes provas