Magna Concursos

Foram encontradas 305 questões.

463187 Ano: 2017
Disciplina: Eletroeletrônica
Banca: FCM
Orgão: IF-RJ

Analise o circuito elétrico abaixo.

enunciado 463187-1

A tensão e a corrente no ponto A são, respectivamente, iguais a

 

Provas

Questão presente nas seguintes provas
463186 Ano: 2017
Disciplina: Eletroeletrônica
Banca: FCM
Orgão: IF-RJ

Analise a representação fasorial abaixo.

enunciado 463186-1

Essa representação retrata

 

Provas

Questão presente nas seguintes provas
463185 Ano: 2017
Disciplina: Eletroeletrônica
Banca: FCM
Orgão: IF-RJ

Observe a curva característica v-i abaixo.

enunciado 463185-1

Essa curva característica descreve o funcionamento de um

 

Provas

Questão presente nas seguintes provas
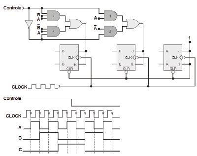
463184 Ano: 2017
Disciplina: Eletroeletrônica
Banca: FCM
Orgão: IF-RJ

Analise os diagramas esquemáticos e de tempo abaixo.

enunciado 463184-1

O circuito é um

 

Provas

Questão presente nas seguintes provas
463183 Ano: 2017
Disciplina: Eletroeletrônica
Banca: FCM
Orgão: IF-RJ

Observe a ilustração do processo de propagação por ondas ionosféricas, considerando a característica ondulatória da luz e o comportamento de propagação das ondas eletromagnéticas.

enunciado 463183-1

Nesse caso, o processo de reflexão ionosférica ocorre a partir de

 

Provas

Questão presente nas seguintes provas
463182 Ano: 2017
Disciplina: Eletroeletrônica
Banca: FCM
Orgão: IF-RJ
Analise as seguintes afirmativas, referentes às classes de amplificação, e marque (V) para verdadeiro ou (F) para falso. ( ) Na classe A, o dispositivo opera 360º do sinal de entrada e fornece uma amplificação linear. ( ) Na operação em classe B, obtém-se a máxima eficiência na amplificação de sinal de alta frequência. ( ) A operação em classe D é caracterizada pela utilização de circuitos sintonizados na saída dos amplificadores de áudio. ( ) Na operação em classe C, o sinal de saída é obtido a partir da restauração de um pulso de corrente. ( ) Na classe B, escolhe-se o ponto de operação no centro da reta de carga CC, evitando-se a distorção de cruzamento. A sequência correta é
 

Provas

Questão presente nas seguintes provas
463181 Ano: 2017
Disciplina: Eletroeletrônica
Banca: FCM
Orgão: IF-RJ
Analise o quadro abaixo onde estão relacionadas as vantagens de uma fonte sustentável de geração de energia elétrica. • Utiliza uma fonte renovável de energia; • Viabiliza o uso de outras fontes renováveis; • Contribue para manter mais puro o ar; • Ajuda a combater as mudanças climáticas; • Promove a segurança energética; • Eleva a confiabilidade e a estabilidade do sistema elétrico; • Significa energia limpa para hoje e amanhã. Essas vantagens caracterizam a geração de energia
 

Provas

Questão presente nas seguintes provas
463180 Ano: 2017
Disciplina: Comunicação Social
Banca: FCM
Orgão: IF-RJ

Observe a imagem a seguir:

enunciado 463180-1

Analisando essa imagem, é correto inferir que

 

Provas

Questão presente nas seguintes provas
463179 Ano: 2017
Disciplina: Comunicação Social
Banca: FCM
Orgão: IF-RJ

O quadro seguinte mostra uma comparação entre cartões de memória SD.

enunciado 463179-1

Para que a realização de uma filmagem em 4K XAVC S 3840 x 2160p / 29.97 fps, com duração de 10 minutos, seja eficiente, recomenda-se o cartão

 

Provas

Questão presente nas seguintes provas
463178 Ano: 2017
Disciplina: Comunicação Social
Banca: FCM
Orgão: IF-RJ
O plano-sequência, ao qual Martin (2003) refere-se como o verdadeiro tempo estético,
 

Provas

Questão presente nas seguintes provas