Foram encontradas 2.079 questões.
Conforme dados divulgados pelo Fundo de População das Nações Unidas (FNUAP), o número total de habitantes do planeta Terra atingiu, em 2013, a marca de 7,2 bilhões de habitantes.
O continente com maior concentração populacional é a
Provas
Observe atentamente as seguintes frases:
I – Estação Primeira da Mangueira conquista carnaval de 2016 com enredo homenageando Gal Costa.
II – Organizadores da Feira Literária de Paraty decidem torná-la bienal e justificam sua interrupção este ano.
III – Com Mateus Solano, filme “Em Nome da Lei” mostra luta de um juiz contra o tráfico na fronteira do Paraguai.
IV – Tanto a seleção masculina quanto a feminina enfrentarão a África do Sul na fase de grupos do futebol olímpico.
Quantas dessas quatro frases correspondem a fatos efetivamente noticiados em 2016?
Provas
Provas
Provas
Provas
As redes Wi-Fi adotam padrões IEEE 802.11 que se diferenciam pelas velocidades de transmissão, frequências de operação e tecnologias envolvidas.
Com relação aos padrões IEEE 802.11 sabe-se que
Provas
O alumínio é o segundo metal mais utilizado no mundo. Sua resistência à corrosão é devida à camada aderente e impermeável de óxido que se forma sobre a superfície do metal. Entretanto, supondo que haja um eletrólito numa lata de alumínio, que funciona como um dos eletrodos, qual a massa de Al é oxidada a Al+3 durante a descarga desse tipo de pilha, por um período de 30 minutos, envolvendo uma corrente de 5,36 x 10-1 A? (M: Al= 65 g/mol)
Provas
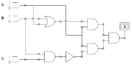
A figura abaixo mostra o diagrama booleano de um processo de automação.

Assinale, dentre as alternativas abaixo, a que representa corretamente a tabela verdade relativa a esse diagrama.
Provas
Um prédio comercial possui em seu telhado uma antena para prover seu sistema de comunicações fixada por 4 rebites em duralumínio da liga 2024-T4. Considerando que o diâmetro da seção reta de cada um dos rebites possui 15 mm2, limite de escoamento em cisalhamento de 275 MPa e limite de resistência de 425 MPa.
Se os rebites forem submetidos a uma força de cisalhamento de 18000 N provocada por fortes ventania, a base da estrutura da antena:
Provas
Disciplina: TI - Organização e Arquitetura dos Computadores
Banca: FUNRIO
Orgão: IF-PA
Classifique os tipos de memórias apresentados na coluna da direita conforme os tipos de armazenamentos da coluna da esquerda.
1 - Memória de armazenamento primário
2 - Memória de armazenamento secundário
( ) Fitas magnéticas
( ) HD
( ) Memória cache
( ) Registrador
( ) ROM
A sequência correta dos números da coluna da direita, de cima para baixo, é:
Provas
Caderno Container