Foram encontradas 2.079 questões.
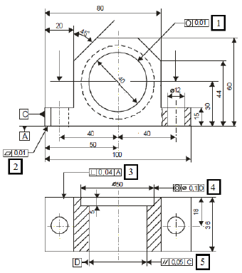
Dentre as alternativas, assinale a que contém o significado e as respectivas tolerâncias geométricas indicadas no desenho técnico a seguir.

Provas
O Sistema Internacional de Unidades (SI) possui três classes de unidade: as unidades de base, as unidades derivadas e as unidades suplementares.
O SI possui, então, sete unidades de base que estão relacionadas às seguintes grandezas:
- comprimento;
- massa;
- tempo;
- corrente elétrica;
- temperatura termodinâmica;
- quantidade de matéria;
- intensidade luminosa.
Com base nisso, marque a alternativa que identifica corretamente as unidades de base relacionadas a cada uma das grandezas descritas.
Provas
Em relação aos parâmetros utilizados na análise estatística dos processos de medição, analise as afirmativas a seguir:
I – A corresponde à diferença entre a média das indicações obtidas de um processo de medição e um valor de referência.
II – A está associada à capacidade do sistema de medição em manter suas características estatísticas ao longo do tempo.
III – A corresponde à faixa dentro da qual as indicações do processo de medição são esperadas quando envolvidos diferentes operadores, medindo uma mesma característica do produto nas condições operacionais naturais do processo de medição.
A opção que contém de TODAS as terminologias que completam de forma correta as sentenças a cerca das características das graxas é:
Provas
Em relação ao processo de formação de cavacos e ao emprego dos fluidos de corte, analise as afirmativas a seguir:
I – O cavaco arrancado é aquele produzido sem deformação plástica do material, sendo de forma irregular e segmentária. É geralmente obtido no trabalho de materiais quebradiços, pouco tenazes e pouco resilientes.
II – O cavaco cisalhado apresenta-se sob a forma de segmentos regulares, os quais são formados pela deformação progressiva do material. É geralmente obtido na usinagem de materiais dúcteis e tenazes.
III – Uma das funções do fluido de corte é evitar o aparecimento de corrosão na peça durante o seu processo de usinagem.
Em relação aos itens acima:
Provas
Deseja-se dividir uma barra circular de 30 mm de diâmetro em 12 (doze) partes iguais. Para tanto, dispõe-se de uma fresadora cujo cabeçote divisor possui um parafuso sem fim com 2 (duas) entradas e uma coroa com 80 (oitenta) dentes.
Além disso, o disco divisor possui 5 (cinco) circunferências com os seguintes números de furos: 37; 39; 41; 43; 47 e 49.
Com base nesses dados, calcule o número de voltas que deverá ser dado à manivela do cabeçote divisor para que seja possível executar o serviço.
Provas
Dado o desenho técnico cotado abaixo, observe os afastamentos e assinale a afirmativa que contém o tipo de ajuste correspondente.

Provas
Com relação à representação de área de corte por meio de hachuras em desenho técnico, correlacione a coluna da esquerda com a coluna da direita.
( 1 ) Elastômeros
( 2 ) Concreto
( 3 ) Madeira
( 4 ) Terra
( 5 ) Líquido
( )

( )

( )

( )

( )

Assinale a alternativa que apresenta a sequencia correta
Provas
Assinale a alternativa que indica quais são as vistas que pertencem a peça a seguir.

Provas
Massalote - montante ou alimentador - é definido como uma reserva de metal líquido que tem por objetivo suprir as necessidades adicionais de metal decorrente da contração que ocorre durante a solidificação. Verifique se as afirmações abaixo são verdadeiras ou falsas e assinale a alternativa que corresponde a sequencia correta de afirmativas V (VERDADEIRAS) ou F (FALSAS).
1. O massalote deve estar localizado junto à região que se solidifica por último - denominada de ponto quente.
2. O massalote não deve solidificar após a região que está alimentando, ou seja, o tempo de solidificação do massalote não deve ser maior que o tempo de solidificação do ponto quente.
3. O massalote deve conter quantidade de metal suficiente para compensar a contração metálica.
4. O massalote deve atuar com pressão mínima durante o tempo de solidificação, empurrando o metal em direção à zona quente da peça.
5. O massalote deve ter peso mínimo em relação à peça para maximizar o rendimento metálico.
Provas
O processo de fundição consiste em vazar metal líquido em um molde contendo uma cavidade com formato e medidas correspondentes aos da peça a ser fabricada. Este processo de fabricação é muito adequado aos metais, dentre eles o aço e o alumínio, desde que apresentem temperatura de fusão não muito elevada e boa fluidez. Desta forma, é um processo que permite obter grandes peças de geometria complexa com uma boa relação custo-benefício. Entretanto, como todo processo industrial, apresentam deficiências e suas peças alguns defeitos característicos.
Nas alternativas abaixo, marque aquela cujos defeitos que são característicos da fundição:
Provas
Caderno Container