Foram encontradas 440 questões.
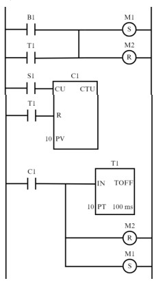
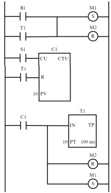
Uma fábrica de pães de forma deseja automatizar sua linha de produção. Para isso, foi estruturado o seguinte procedimento: ao se pressionar um botão de início B1, um motor M1 é ativado, o qual liga uma esteira responsável pelo transporte dos pães. O sensor S1 detecta os pães que se dirigem a uma caixa posicionada na esteira M2 . A cada 10 pães, a esteira M1 deve parar e ativar a esteira M2 por um período de 1 segundo. A esteira M2 controla o transporte das caixas completas. Após o período de 1 segundo, o contador é zerado e o ciclo reinicia. Assinale a opção correta que contém o código em Ladder para o procedimento descrito.
Provas
São características das interfaces de entrada e saída dos Controladores Lógicos Programáveis, exceto:
Provas
A norma IEC61131, especificamente em sua seção 3, estabelece e normatiza as linguagens de programação empregadas em Controladores Lógicos Programáveis (CLPs). Levando em conta as aplicações e orientações para cada uma das linguagens especificadas na norma, é correto afirmar que:
Provas
Considere o sistema de controle em malha fechada representado pela figura abaixo. Sobre o efeito do ganho K no diagrama do lugar geométrico das raízes, assinale a alternativa incorreta:

Provas
Considere o sistema em malha fechada representado pela figura abaixo.

Sobre o erro em regime permanente para o sistema acima, é incorreto afirmar que:
Provas
A Figura abaixo ilustra o plano de Argand-Gauss de três sistemas de 2ª ordem subamortecidos, cujos polos estão numerados com representações aos sistemas. Considerando que os ângulos dos polos em relação ao eixo σ são os mesmos para todos os sistemas, assinale a alternativa correta:

I - A resposta ao degrau dos três sistemas apresenta a mesma ultrapassagem percentual (overshoot), pois o fator de amortecimento dos três sistemas é o mesmo.
II - A resposta ao degrau do terceiro sistema apresenta o menor tempo de pico, pois os seus polos apresentam maior frequência de oscilação amortecida ωd.
III - A resposta ao degrau do primeiro sistema apresenta o maior tempo de acomodação (estabilização), pois os seus polos apresentam menor frequência de amortecimento exponencial (ou magnitude da parte real) σd.
IV - A frequência natural ωn do terceiro sistema é a mais elevada. Considerando que o fator de amortecimento é o mesmo, uma vez que o ângulo dos polos em relação ao eixo real é igual, a resposta ao degrau do terceiro sistema apresenta o menor tempo de subida.
Provas
Dadas as descrições de sistemas de medição a seguir, marque a opção que melhor representa a o sistema descrito na ordem:
I - Um material piezoelétrico é utilizado para gerar pulsos em alta frequência, os quais podem ser utilizados por esse sensor na medição de distâncias em contato.
II - Dispositivo com sensor de radiação infravermelha, o qual coleta a radiação infravermelha termal emitida pela superfície alvo e sobrepõe a imagem real com a imagem térmica da superfície.
III - Nesse dispositivo, um flutuador sobe com a força do fluxo por uma torre cônica, sendo a altura em que se encontra indicativa direta da vazão.
IV - A vazão é diretamente obtida de acordo com a altura que o líquido alcança na obstrução quando o seu fluxo passa pelo elemento.
V - Nesse medidor, mede-se a pressão de acordo com a deformação que ocorre no próprio elemento sensor. Ao se deformar, sua resistência se altera e, consequentemente, a tensão elétrica lida no circuito em que esse sensor se encontra.
VI - A vazão é medida pela diferença de pressão causada na tubulação por esse dispositivo deprimogênio, instalado perpendicularmente ao eixo da tubulação, mas, como consequência, esse causa uma perda de carga alta.
VII - A temperatura é medida diretamente pela relação com a ddp (diferença de potencial) gerada quando as juntas, que unem os fios feitos de materiais diferentes, são submetidas a uma diferença de temperatura.
VIII - A vazão é medida pela diferença de pressão causada por esse dispositivo deprimogênio. No entanto, a retomada de pressão é mais rápida devido ao seu formato que lembra uma “ampulheta”.
Provas
Seja um sistema de medição de nível que envia um sinal 4-20mA para um controlador.
Qual a corrente (em mA) ele enviará quando o tanque em questão estiver a 75% da sua capacidade?
Provas
Sobre o trecho de fluxograma de processo a seguir, marque a afirmação errada:

Provas
Marque a alternativa correta:
I - Uma câmera de radiação termal infravermelha coleta a radiação infravermelha termal emitida pela superfície alvo (de onde se obtém a emitância) e sobrepõe a imagem real com a imagem térmica da superfície numa escala de cores específica.
II - Os termistores podem ser do tipo NTC ou PTC. No NTC, a resistência tende a cair com o aumento da temperatura.
III - O sensor de temperatura PT100 possui esse nome por ser constituído de platina e apresentar resistência elétrica de 100Ω à temperatura ambiente de aproximadamente 25 ºC.
IV - Pelo conhecimento do princípio da transmissão de energia via radiação eletromagnética, foi possível criar sensores de temperatura os quais conseguem realizar medições sem contato, à distância e até no vácuo, se necessário.
V - No pirômetro de radiação infravermelha, o laser é de fundamental importância na obtenção da temperatura ajudando na medição da emitância. Sem o laser, que vem no equipamento, o pirômetro não funciona.
VI - Em um termômetro de líquido de recipiente metálico, o álcool etílico se expande com o aumento da temperatura e causa a deformação do tubo de Bourdon em forma de “C”. Esta deformação pode ser convertida no movimento de um ponteiro o qual indica a temperatura.
Provas
Caderno Container