Foram encontradas 440 questões.
O componente 2N7000 é um MOSFET do tipo intensificação utilizado em aplicações de baixa tensão e baixa corrente, cuja equação de funcionamento é definida por:
\(I_D = k (V_{GS} - V_{GS\ th})^2\)
Considere que este componente foi utilizado na polarização universal ou divisor de tensão, conforme mostrado no circuito. Avalie as seguintes afirmações e identifique qual é a verdadeira.

Provas
Os filtros ativos são circuitos eletrônicos capazes de atenuar ou eliminar, ou senão, selecionar ou rejeitar alguma faixa de frequência a partir de um sinal de entrada (Vi), promovendo também algum tipo de amplificação deste sinal que aparecerá na saída (Vo).

Considerando o circuito apresentado, as seguintes afirmações podem ser feitas:
Provas
O amplificador operacional é um componente eletrônico que permite realizar várias funções matemáticas, quando operando com o ganho controlado. Para essa condição, é necessário que ele opere no modo realimentação negativa. O circuito mostrado na figura é um caso em que isso ocorre.

O quadro a seguir apresenta algumas considerações sobre o valor da resistência dos resistores e o consequente valor de ganho de tensão do circuito.
Opção Condição das resistências e valor de ganho
I Basta os resistores R1 e R4 serem iguais, para que o ganho seja unitário.
II Se os resistores R1 e R2 forem iguais, o ganho do circuito será unitário.
III Se os resistores R1 e R4 forem iguais e os resistores R2 e R3 forem iguais, o ganho será unitário.
IV O ganho do circuito não poderá ser unitário, pois a tensão V2 passa por um divisor de tensão resistivo na entrada não-inversora do amplificador operacional.
V Somente se todo os resistores forem iguais, que o ganho será unitário.
Entre as opções, aquela que corresponde a condição de resistência para o valor de ganho apresentado é a:
Provas
Os circuitos amplificadores aumentam a força de um sinal de entrada, tornando-o adequado para acionar cargas maiores ou para processamento adicional em sistemas eletrônicos. Um amplificador em cascata de 3 estágios é composto pelos seguintes estágios e parâmetros:
Parâmetros:
AV1 = -15; AV2 = -10; AV3 = -20; AI1 = -10;
AI2 = -20; AI3 = -15 :: RS = 3 K;
Zi1 = 4 K; Zo3 = 10 K; RL = 5 K; vs = 3 mV

A tensão de saída no último estágio do amplificador é:
Provas
Um transformador abaixador dom derivação central e relação de espiras primário-secundário de 10:2 é usado para alimentar um retificador de onda completa com dois diodos, cada um com resistência direta de 30 Ω. A alimentação principal CA é de 220 Vrms, 50 Hz e a resistência de carga aplicada ao retificador é de 1 KΩ. Determine a eficiência do retificador de onda completa. Despreze a resistência da bobina secundária do transformador.
Determine a eficiência do retificador de onda completa. Despreze a resistência da bobina secundária do transformador.
Provas
Os circuitos digitais nos carros gerenciam funções como controle do motor, sistemas de freios e infoentretenimento, processando dados de sensores e executando comandos eletronicamente. Quatro saídas digitais V, P, T e H monitoram a velocidade (v), pressão dos pneus (p), temperatura (t) e umidade relativa (h) do carro. Estas saídas passam de 0 a 1 quando os valores dos parâmetros ultrapassam 85 km/h, 2 bar, 40ºC e 50%, respectivamente. Um circuito lógico é usado para ligar uma lâmpada na saída E como mostrado na Figura 3:

Figura 3 - Circuito lógico
Qual das seguintes condições acenderá a lâmpada?
Provas
O diodo e o transistor da Figura 2 são ideais. X e Y são sinais digitais com 0 V como lógica 0 e +VCC como lógica 1. A expressão booleana para Z é dada por:

Figura 2 - Circuito com diodo e transistor
Provas
Os conversores A/D digitalizam sinais contínuos, enquanto os conversores D/A recriam sinais analógicos de entradas digitais. No conversor D/A da Figura 1, a constante +V no circuito da foi substituída por uma tensão de onda senoidal de baixa frequência de amplitude 5 V, sendo o conversor D/A de 8 bits.

Figura 1 - Conversor D/A R-2R para entrada digital de n bits
Qual será a saída de tensão Vo se a entrada digital for fixada em 00001000?
Provas
Contadores digitais são dispositivos eletrônicos usados para contar pulsos ou eventos, exibindo a contagem em formato binário ou decimal. O MSB de um contador MOD-16 produz uma onda quadrada de frequência de 1 kHz e o pulso de clock é uma onda quadrada simétrica. A frequência do clock é:
Provas
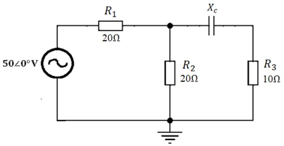
No circuito abaixo, considerando a frequência da fonte de 60Hz, o valor da reatância capacitiva Xc para que a potência dissipada no resistor R3 seja de 10W é de:

Provas
Caderno Container