Foram encontradas 1.245 questões.
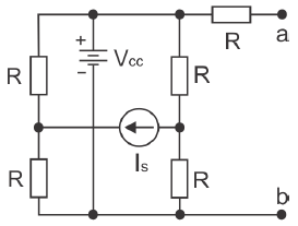
Qual o valor do resistor que deve ser conectado entre os terminais a e b do circuito mostrado abaixo para que ocorra absorção máxima de potência no resistor conectado aos terminais a e b?

Provas
Um sinal periódico triangular possui valor zero no instante t = 0s e cresce linearmente atingindo seu valor máximo VP em 1/3 do período. No instante que atinge seu valor máximo, cai abruptamente para zero, repetindo o mesmo ciclo após cada período. O valor eficaz desse sinal triangular corresponde a:
Provas
Uma rede RC série é alimentada por uma fonte de tensão contínua de amplitude VCC ligada por uma chave S inicialmente aberta. Antes do fechamento da chave S, o capacitor encontra-se carregado com 1/3 da tensão da fonte. O tempo necessário para esse capacitor atingir 2/3 da tensão da fonte, após o fechamento da chave S, é calculado por:
Provas
São considerados Riscos Ambientais os agentes químicos e biológicos, respectivamente,
Provas
A utilização de EPI no âmbito do programa deverá considerar as Normas Legais e Administrativas em vigor e envolver no mínimo:
I. seleção do EPI adequado tecnicamente ao risco a que o trabalhador está exposto e à atividade exercida.
II. programa de treinamento aos empregadores quanto à sua correta utilização e orientação sobre as limitações de proteção que o EPI oferece.
III. estabelecimento de normas ou procedimento para promover o fornecimento, o uso, a guarda, a higienização, a conservação, a manutenção e a reposição do EPI.
IV. caracterização das funções ou atividades dos empregadores, com a respectiva identificação dos EPIs utilizados para os riscos ambientais.
Estão CORRETOS os itens:
Provas
O exercício de trabalho em condições de insalubridade, de acordo com a NR 15, assegura ao trabalhador
I. a percepção de adicional, incidente sobre o salário mínimo da região.
II. 30 % (trinta por cento), para insalubridade grau máximo.
III. 20 % (vinte por cento), para insalubridade de grau médio.
IV. 10 % (dez por cento), para insalubridade de grau mínimo.
Estão CORRETOS os itens:
Provas
A Portaria n° 3.214, de 8 de junho de 1978, aprovou as Normas Regulamentadoras (NRs), cada uma com sua numeração; de exemplo: NR 8, ; NR 12, ; NR 21, ; e NR 25, .
Provas
Faça a correlação entre a 2ª e a 1ª coluna.
1ª Coluna
1. Empregador
2. Empregado
3. CIPA
4. SESMT
2ª Coluna
( ) Identificar os riscos do processo de trabalho, elaborar mapa de riscos, com a participação do maior número de trabalhadores.
( ) Responsabilizar-se pela guarda e conservação do EPI.
( ) Responsabilizar-se tecnicamente, pela orientação quanto ao cumprimento do disposto nas NRs aplicáveis às atividades executadas pela empresa.
( ) Adquirir o EPI adequado ao risco da atividade.
A sequência CORRETA é:
Provas
A execução e manutenção das instalações elétricas nos canteiros de obra devem ser realizadas por trabalhador qualificado, e a supervisão por profissional legalmente habilitado. Sobre essas atividades, examine os itens abaixo.
I. É proibida a existência de partes vivas expostas de circuitos e equipamentos elétricos.
II. Os condutores devem ter isolamento adequado, não sendo permitido obstruir a circulação de materiais e pessoas.
III. Os circuitos elétricos devem ser protegidos contra impactos mecânicos, umidade e agentes corrosivos.
IV. Somente podem ser realizados serviços nas instalações quando o circuito elétrico não estiver energizado.
V. Sempre que a fiação de um circuito provisório se tornar inoperante ou dispensável, deve permanecer instalado no canteiro até o final da obra.
Estão CORRETOS os itens:
Provas
A Sinalização para Segurança é um elemento importante. A cor verde, por exemplo, indica “segurança”, empregada para identificar canalização de água, caixas de equipamentos de socorro de urgência, chuveiro de segurança e outras. As outras cores também têm sua identificação na Sinalização de Segurança.
Provas
Caderno Container