Foram encontradas 1.245 questões.
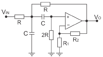
O circuito mostrado na figura abaixo é constituído por um amplificador operacional, cinco resistores e dois capacitores. Pode-se afirmar que esse circuito implementa a função de transferência de um:

Provas
A fonte de sinal VIN, aplicado na entrada do circuito mostrado na figura abaixo, possui frequência angular \( \omega \) igual a \( \dfrac {\sqrt 3} {RC} \) rad/s. Qual a defasagem sofrida por esse sinal quando for medido na saída VO?

Provas
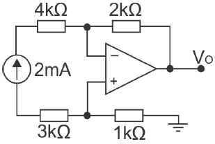
Qual o valor da tensão de saída VO em relação ao terra no circuito mostrado abaixo?

Provas
O circuito abaixo é conhecido como amplificador tipo ponte e o seu ganho é dependente do valor de k. Considerando-se os amplificadores operacionais ideais, o ganho de tensão VOUT/VIN desse circuito em função de k é igual a:

Provas
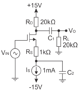
O transístor Mosfet, mostrado na figura abaixo, está polarizado como amplificador apresentando uma transcondutância gm igual a 1mA/V e uma condutância de saída ro igual a \( 90k \Omega \). Sabendo-se que o capacitor C1 realiza o acoplamento perfeito da resistência de carga RL, e o capacitor C2 realiza o desacoplamento perfeito da fonte de corrente IS, pode-se afirmar que o ganho VO/VIN desse circuito amplificador corresponde a:

Provas
Dois transístores de junção bipolar, NPN, Q1 e Q2, estão operando no corte e na saturação, ligados da seguinte maneira: o coletor de Q1 está ligado ao coletor de Q2, e ambos os coletores estão ligados a um resistor de \( 1k \Omega \) e alimentados por uma fonte de tensão VCC = 5V. O emissor de Q1 está ligado ao emissor de Q2, e ambos os emissores estão ligados ao terra da fonte. A base de Q1 está ligada a um nó A por meio de um resistor de \( 10k \Omega \), e a base de Q2 está ligada a um nó B por meio de outro resistor de \( 10k \Omega \). Considerando-se que os nós A e B são as entradas do circuito; a saída S é o nó de interligação dos coletores e que os níveis de tensão desses nós A e B podem assumir 0V ou VCC = 5V, a expressão lógica, obtida por esse circuito com relação às tensões presentes em A, B e S, corresponde a:
Provas
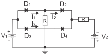
O circuito, mostrado na figura abaixo, é constituído por quatro diodos idênticos D1, D2, D3 e D4, duas fontes de tensão V1 e V2 e dois resistores de resistência R. Sabe-se que os valores das correntes I1 e I2 são, respectivamente, 9A e 4A. Pode-se afirmar que a corrente I3 corresponde a:

Provas
Um gerador de clock oscila na frequência de 384kHz e um divisor de frequência foi ligado a esse gerador para produzir uma frequência de 3kHz. O divisor de frequência foi projetado com flip-flops JK mestre-escravo, interligados na configuração de contador de pulsos. Quantos flip-flops foram necessários para o projeto desse divisor de frequência?
Provas
Um conversor Digital-Analógico, com rede R-2R de quatro entradas A, B, C e D, está recebendo uma tensão contínua de valor VCC nos terminais A e C, e 0V nos terminais B e D. Sabendo-se que A é o bit mais significativo, D é o bit menos significativo e que o valor da tensão de saída do conversor é igual a 10V, pode-se afirmar que a tensão VCC corresponde a:
Provas
O valor de x é o resultado de uma operação com diferentes sistemas de numeração. Sabendo-se que x = 3516 + 1010 + 258 + 1001112. Qual o valor de x na base octal?
Provas
Caderno Container