Foram encontradas 1.245 questões.
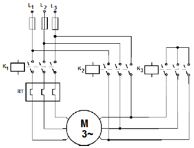
Um dos instantes críticos no acionamento de motores elétricos é a partida. Neste momento, os motores solicitam uma corrente muito maior do que a verificada no regime contínuo, podendo chegar a oito vezes o valor nominal. O diagrama abaixo representa uma solução para reduzir o efeito relatado.

Em relação à chave de partida, que utiliza o diagrama mostrado, verificamos que, na partida, a corrente é da nominal, a tensão aplicada nos enrolamentos é da tensão nominal e o conjugado eletromagnético desenvolvido é de do conjugado nominal.
A opção que completa as lacunas CORRETAMENTE é
Provas
Para a composição do relatório de uma visita técnica ao Complexo Hidrelétrico da CHESF–BA, um grupo de alunos registrou as informações, listadas abaixo, a respeito das Turbinas e Geradores da Usina de Paulo Afonso IV:
|
Turbinas |
Geradores |
|
Tipo Francis de eixo vertical |
Síncrono vertical |
|
Quantidade: 6 |
Quantidade: 6 |
|
Velocidade nominal: 120 rpm |
Potência instalada por unidade: 410,4 MW |
|
Vazão: 385 m/s |
Corrente nominal: 14.626 A |
|
Potência: 403 MW |
Frequência: 60 Hz |
|
Diâmetro do rotor: máx = 6,55m e mín = 5,75m |
Tensão entre fases: 18 kV |
Sabendo que o conjunto turbina/gerador funciona acoplado e movido pela ação da água, os alunos chegaram à conclusão de que os geradores da usina apresentam as seguintes características:
Provas
Em uma experiência com o objetivo de demonstrar a eficiência da utilização de capacitores para a correção do fator de potência, utilizou-se um motor monofásico de 1/2 CV, rendimento 75%, com fechamento para 127 V. Para a medição das grandezas elétricas na fonte, foram inseridos os seguintes instrumentos: um voltímetro; um amperímetro; um wattímetro; um frequencímetro e um cossímetro. As indicações dos instrumentos, nessa etapa do experimento, estão listadas abaixo.
Voltímetro: 125 V
Amperímetro: 6,4 A
Wattímetro: 200 W
Frequencímetro: 60 Hz
Cossímetro: .................................
Na sequência, conectou-se um banco de capacitores em paralelo com o motor. Esse banco era formado a partir da ligação em paralelo de quatro capacitores de 30µF, 350V. Realizou-se, novamente, as leituras dos instrumentos, e os resultados estão mostrados abaixo.
Voltímetro: 125 V
Amperímetro: ......................
Wattímetro: 200 W
Frequencímetro: 60 Hz
Cossímetro: 0,94 atrasado
Com base nas informações apresentadas, a opção que apresenta a leitura do cossímetro na primeira etapa do experimento e a leitura do amperímetro, na segunda etapa, após a inclusão do banco capacitivo é:
Provas
Atualmente, os inversores de frequência são largamente utilizados no acionamento dos motores de indução trifásicos. Uma das técnicas de controle empregadas por esses conversores é o controle escalar (V/f), que consiste basicamente em manter constante a relação entre tensão e frequência aplicadas ao motor.
Em relação ao controle V/f, é CORRETO afirmar que:
Provas
Observe as duas colunas
1ª coluna
I. Motor Gaiola
II. Motor Bobinado
III. Motor Síncrono
2ª coluna
( ) Aceleração rotórica
( ) Velocidade constante
( ) Manutenção mais simples
( ) Ímãs permanentes
( ) Maior robustez
( ) Partida somente sem carga
Considerando que os motores citados estão com suas características nominais e que nenhum método eletrônico foi utilizado, assinale a opção que relaciona CORRETAMENTE as duas colunas.
Provas
Um Transformador de Corrente (TC) é utilizado para medição nos sistemas de potência e consiste basicamente em um enrolamento secundário em torno do primário que, neste caso, é o próprio condutor da fase (linha) em que está inserido. A corrente no secundário do TC é diretamente proporcional à corrente que circula no primário e é utilizada em determinados dispositivos tais como relés de proteção, disjuntores etc.
É extremamente importante que o do TC esteja permanentemente , porque extremamente elevadas poderão surgir se os seus terminais estiverem .
A sequência que completa as lacunas acima é mostrada CORRETAMENTE em:
Provas
As placas de identificação das máquinas elétricas nos dão informações a respeito dos seus valores nominais e formas de ligação. Considere as afirmações em relação à placa mostrada na figura abaixo.

I. O escorregamento nominal é de 5%.
II. A máquina é um motor assíncrono de 4 polos.
III. A corrente na partida direta é superior a 150 A.
IV. O motor suporta uma sobrepotência de 20%.
É CORRETO apenas o que se afirma em:
Provas
A determinação feita pelo consumidor é crucial no processo de desenvolvimento ou melhoramento de produtos. Escolha uma das alternativas abaixo que indica corretamente os métodos empregados para aferir a aceitação de produtos de forma individual ou em relação a outros produtos.
Provas
A análise sensorial de alimentos tem sido uma ferramenta importante no desenvolvimento de novos produtos na indústria alimentícia de forma que sejam satisfeitos os anseios dos consumidores. Marque a alternativa que indica a forma adequada para verificar se há diferença em um atributo de qualidade sensorial de um produto proveniente de duas formulações distintas.
Provas
Os processos de desidratação que são muito empregados para a conservação de vários alimentos são: a
Provas
Caderno Container