Foram encontradas 1.245 questões.
Considere as afirmativas abaixo relacionadas com uma chave compensadora utilizada na partida de motores elétricos.
I. A corrente no TAP de 80% corresponde a 64% da corrente na partida direta.
II. Esta chave não tem limitação no número de partidas.
III. A chave compensadora não é indicada para motores de baixa potência.
IV. Este tipo de partida pode ser realizado com a carga acoplada ao motor.
É CORRETO apenas o que se afirma em:
Provas
Um microamperímetro de calibre 100 mA tem impedância interna de 100\( \Omega \) que pode ser considerada puramente resistiva. Adaptou-se esse instrumento para medir correntes de até 2 A e depois, após outras adequações, ele foi utilizado para medir as tensões em um circuito que não ultrapassavam 300 V. Para que o medidor citado pudesse ser utilizado nas medições de corrente, foi necessário ligar uma resistência de valor igual a em com o miliamperímetro. E, para medir as tensões do circuito, foi ligada uma resistência de, no mínimo, .
A sequência que completa CORRETAMENTE as lacunas é:
Provas
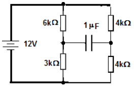
Um dos teoremas de grande aplicação prática em redes elétricas é o de Thevenin. Dada a figura abaixo, determine o circuito equivalente de Thevenin para encontrar uma resistência em série (RTH) com a capacitância. Com o resultado, determine a constante de tempo (\( \tau \)) do circuito RC de primeira ordem.

Os valores da tensão e resistência equivalentes de Thevenin e a constante de tempo são, respectivamente,
Provas
Os eletrodutos utilizados nas instalações elétricas são fabricados para atender às mais variadas aplicações e são classificados em: metálicos rígidos (aço ou alumínio); metálicos flexíveis; PVCs rígidos e flexíveis. Em um eletroduto, a quantidade de condutores que pode ser instalada é limitada para não dificultar a colocação e a retirada dos condutores, bem como permitir uma dissipação adequada do calor produzido pela circulação de corrente nesses condutores.
Assinale a opção CORRETA sobre a função dos eletrodutos numa instalação elétrica.
Provas
Um método tradicional de acionamento de motores de indução de rotor bobinado consiste na inserção de resistências em série com as bobinas do rotor, por meio dos seus anéis coletores. Se essas resistências puderem ser variadas (de forma discreta por contactores ou de modo contínuo por reostatos trifásicos), pode-se variar algumas características dessa máquina por intervalos de tempo relativamente curtos. Com o método descrito, é possível:
I. Controlar a velocidade por meio do escorregamento do motor.
II. Diminuir as perdas no motor.
III. Atribuir o conjugado máximo do motor no momento de partida.
IV. Alterar a velocidade máxima alcançada pela variação da velocidade síncrona.
V. Controlar a corrente de partida do motor.
É CORRETO apenas o que se afirma em:
Provas
Uma alternativa para corrigir o fator de potência na indústria, onde uma grande quantidade de cargas indutivas está presente, é a utilização de motores síncronos no acionamento de cargas consideradas constantes e de uso contínuo. Para que o motor síncrono cumpra CORRETAMENTE a função descrita acima, é necessário que esteja com excitação CC
Provas
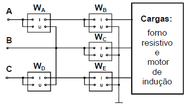
Em uma fonte trifásica de 220 V / 60 Hz, foram ligadas duas cargas: um motor de indução e um forno resistivo. O forno pode ser representado por três resistências de 50 \( \Omega \) ligadas em estrela. O motor, ligado em triângulo, tem seus enrolamentos representados pela impedância Z = 80 + j60, em Ohms. Utilizou-se, simultaneamente, o método dos dois wattímetros e o método dos três wattímetros para medir a potência ativa do conjunto, conforme a figura abaixo.
Dados: \( \sqrt 3 = 1,73, \ cos \ 30º = \sqrt {^3/_2} \ e \ cos \ 36,8º = 0,8 \)

A medição da potência ativa foi realizada em três etapas:
Etapa 1 – somente o forno ligado.
Etapa 2 – somente o motor ligado.
Etapa 3 – ambas as cargas ligadas.
A razão WA/WE, observada entre as leituras do wattímetro A na etapa 1 e o wattímetro E na etapa 2, é de aproximadamente:
Provas
Soft-starters são chaves de partida eletrônica utilizadas no acionamento de motores assíncronos. A alimentação do motor é feita pelo aumento gradativo da tensão, o que permite uma partida “sem trancos” e reduz o pico de corrente na partida. A elevação progressiva da tensão é controlada pela rampa de aceleração ou é dependente do valor de limitação de corrente imposta na partida. Em relação à chave soft-starter, é CORRETO afirmar que:
Provas
Em determinadas situações, há necessidade da utilização de um circuito elétrico equivalente para representar o transformador. Na figura abaixo, temos representado o circuito equivalente por fase de um transformador de distribuição de 100 kVA, 13.800/380V.

Dados: R1 = 5\( \Omega \) ,R2 = 0,005 \( \Omega \), R3 = 50k\( \Omega \)
X1 = 6\( \Omega \) , X2 = 0,006 \( \Omega \), X3 = 10k\( \Omega \)
Considere as sentenças abaixo:
I. O circuito está refletido para o lado de baixa tensão.
II. A resistência R1 representa as perdas elétricas no enrolamento de alta tensão.
III. A reatância X3 indica as perdas que ocorrem no núcleo do transformador.
IV. A reatância X2 representa o fluxo magnético perdido no enrolamento de baixa tensão.
É CORRETO apenas o que se afirma em:
Provas
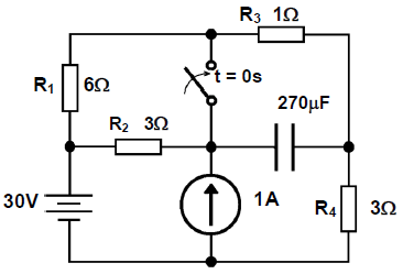
A chave do circuito abaixo é fechada no instante t = 0s. Considere todos os elementos como ideais.

Em relação ao regime permanente do circuito para t \( \ge \) 0, é CORRETO afirmar que:
Provas
Caderno Container