Foram encontradas 40 questões.
O OEE (eficiência geral do equipamento) é um indicador de performance que mede a eficácia com que um equipamento é utilizado. É uma métrica-chave em programas de TPM.
Quais são os três principais componentes do OEE?
Provas
DIACs e TRIACs são componentes usados principalmente em controle de potência AC.
Qual é a função principal de um TRIAC?
Provas
A conversão entre sistemas numéricos é uma habilidade fundamental em informática e eletrônica digital.
Assinale a alternativa que apresenta o resultado da conversão do número hexadecimal 1A3 para binário.
Provas
Luminotécnica é a ciência e a arte do planejamento da iluminação. Uma das grandezas fundamentais em luminotécnica é a intensidade luminosa.
Assinale a alternativa que apresenta a unidade de medida para intensidade luminosa.
Provas
A proteção contra sobretensões é fundamental para manter a integridade de equipamentos elétricos sensíveis.
Assinale a alternativa que apresenta dispositivos que podem ser utilizados para proteção contra sobretensões em sistemas elétricos.
Provas
A eficiência na transmissão de energia elétrica é um fator crítico para sistemas elétricos de potência.
Por que altas tensões são usadas na transmissão de energia elétrica?
Provas
Assinale a alternativa que apresenta uma característica essencial em um amperímetro para garantir medições precisas e seguras.
Provas
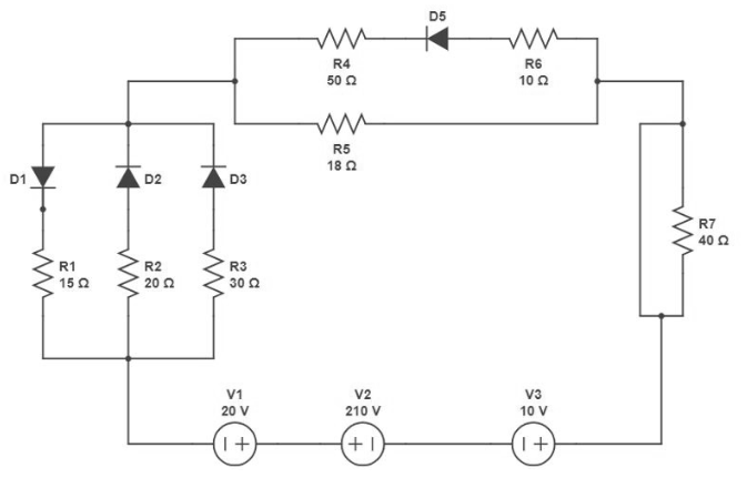
O circuito representado na figura a seguir é composto por fontes de tensão, diodos ideais e resistores.

Assinale a alternativa que apresenta, respectivamente, a corrente no diodo D2 em amperes e a potência elétrica consumida pelo resistor R5 em watts.
Provas
A ética pode ser conceituada como “o conjunto de regras de comportamento e formas de vida que busca permitir às pessoas a realização do valor fundamental da existência, o bem” (Felizardo, 2012).
Nas instituições de prestação de serviço em saúde, existem conflitos relacionados ao descumprimento de regras estabelecidas e, sobretudo, à ignorância dos preceitos de ética e cidadania no ambiente de trabalho, decorrendo em denúncias e processos.
Nesse contexto, assinale a alternativa que exemplifica uma má conduta proposital do trabalhador de saúde, acarretando danos diretos e iminentes ao paciente.
Provas

Disponível em: https://www.jornaldopovo.net/charges/2021-01-18. Acesso em: 10 maio 2024.
Índices de vacinação entre adultos é menor que o recomendado pelos órgãos de saúde
Segundo informações do Portal Butantan, as coberturas vacinais contra a gripe e a Covid-19 se encontram abaixo do índice de 90%, preconizado pelas entidades de saúde. O Diretor da Sociedade Brasileira de Imunizações (SBIM), Juarez Cunha, contextualizou que existem poucas pesquisas que mostram o panorama geral, mas estimou que o percentual de idosos com esquema vacinal completo é de 20 a 25%, no máximo.
Disponível em: https://www.correiodopovo.com.br/noticias/saude/pesquisa-revela-68-dos-brasileiros-nao-sabem-que-o-virus-da-gripe-pode-agravar-doencas-em-idosos-1.1480513. 02/04/2024. Acesso em: 10 maio 2024.
Considerando a leitura dos textos, assinale a alternativa que esclarece porque há grande atenção voltada para o esquema vacinal da população idosa do país.
Provas
Caderno Container