Foram encontradas 1.792 questões.
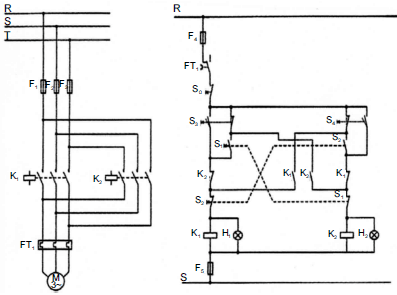
Considere a figura a seguir, referente a um circuito de força e de controle de um motor de indução trifásico.

C. M Franchi. Acionamentos Elétricos. Érica, 2.ª Ed., p. 222.
A partir das informações acima, julgue o item que se segue.
No caso de o fusível F4 queimar, se o motor estiver em movimento ele irá parar.
Provas
Considere a figura a seguir, referente a um circuito de força e de controle de um motor de indução trifásico.

C. M Franchi. Acionamentos Elétricos. Érica, 2.ª Ed., p. 222.
A partir das informações acima, julgue o item que se segue.
As lâmpadas H1 e H2 devem ficar acesas simultaneamente, sempre que o motor estiver funcionando.
Provas
Considere a figura a seguir, referente a um circuito de força e de controle de um motor de indução trifásico.

C. M Franchi. Acionamentos Elétricos. Érica, 2.ª Ed., p. 222.
A partir das informações acima, julgue o item que se segue.
Esses circuitos de força e de controle permitem realizar reversão do sentido de rotação do motor.
Provas
No funcionamento de máquinas CC, o faiscamento produz corrosão e desgaste destrutivo do comutador e das escovas, condições essas que levam à queima do cobre e do carvão no comutador. Acerca desses assuntos, julgue os itens a seguir.
Pólos de comutação ou interpolos são pólos auxiliares instalados entre os pólos principais da máquina com a finalidade de evitar o faiscamente quando a máquina CC (gerador ou motor) funciona em vazio.
Provas
No funcionamento de máquinas CC, o faiscamento produz corrosão e desgaste destrutivo do comutador e das escovas, condições essas que levam à queima do cobre e do carvão no comutador. Acerca desses assuntos, julgue os itens a seguir.
A comutação não gera faiscamento, pois este é originado devido a problema mecânico e não elétrico, como é o caso do processo de comutação.
Provas
No funcionamento de máquinas CC, o faiscamento produz corrosão e desgaste destrutivo do comutador e das escovas, condições essas que levam à queima do cobre e do carvão no comutador. Acerca desses assuntos, julgue os itens a seguir.
Uma das causas do faiscamento pode ser condições mecânicas defeituosas, tais como trepidação das escovas ou um comutador áspero.
Provas
Acerca do controle de velocidade de motores CC (Corrente Contínua), julgue os itens subseqüentes.
O controle de velocidade efetuado por meio do circuito de armadura é realizado atuando-se sobre um reostato que é conectado em paralelo ao enrolamento de armadura.
Provas
Acerca do controle de velocidade de motores CC (Corrente Contínua), julgue os itens subseqüentes.
Um dos métodos utilizados para o controle de velocidade de motores CC é o que considera o ajuste de fluxo de campo.
Provas
Acerca do controle de velocidade de motores CC (Corrente Contínua), julgue os itens subseqüentes.
Os motores CC, em geral, são mais adaptáveis a serviços que requerem velocidade controlável do que motores síncronos.
Provas
Com respeito às características e propriedades dos materiais condutores, isolantes e magnéticos, julgue os itens que se seguem.
A relutância de um circuito magnético, definida como a razão entre força magnetomotriz e fluxo magnético correspondente, é diretamente proporcional ao comprimento do circuito e inversamente proporcional ao produto da permeabilidade magnética com a área de seção transversal desse circuito.
Provas
Caderno Container