Foram encontradas 1.580 questões.
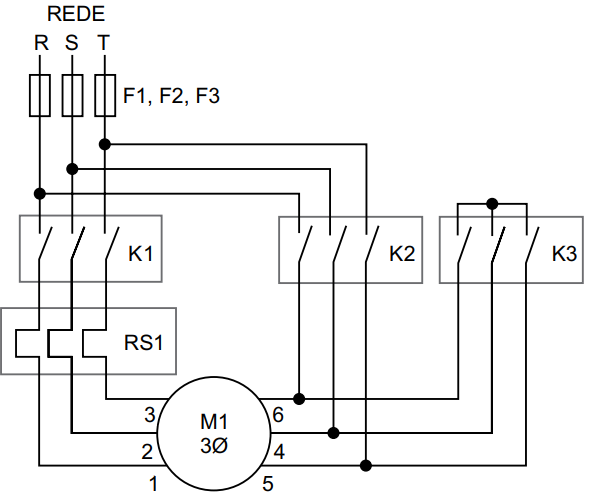
Uma chave de partida tem seu circuito de força mostrado na figura a seguir.

O motor de indução trifásico M1 tem os seguintes dados de placa: tensão nominal: 220/380 V; corrente nominal: 59 / 34 A; fator de serviço: 1,15. Para operação nessas condições, o ajuste do relé de sobrecarga será:
Provas
Um motor de indução trifásico possui 12 terminais disponíveis para configurar seus enrolamentos conforme a tensão de alimentação desejada. Sabendo que, quando seus enrolamentos estão conectados em duplo triângulo (∆∆), a tensão de linha de operação do motor é de 254 V, a tensão de linha para a alimentação desse motor quando seus enrolamentos estiverem conectados em estrela simples (Y) é igual a
Provas
Um motor de indução trifásico possui 6 conjuntos de bobinas que permitem as conexões em ∆∆, YY, ∆ e Y. Seus dados de placa informam: tensão de alimentação: 220/380/440/760 V; corrente nominal: 180/104/90/52 A. Com esses dados, é correto afirmar que a tensão nominal e a corrente nominal de cada conjunto de bobinas são, respectivamente,
Provas
Um motor de corrente contínua com excitação em derivação possui os seguintes dados de placa: tensão nominal = 250 V; corrente de armadura = 180 A; corrente de campo = 10 A; resistência de campo = 20 Ω. Os valores de resistência ôhmica e de capacidade de dissipação de potência do resistor de limitação a ser conectado em série com o circuito de campo desse motor para que opere com a corrente de campo nominal são, respectivamente,
Provas
Um motor de indução trifásico de 10 CV, 8 polos, 60 Hz, opera em plena carga com escorregamento nominal de 4%. A velocidade nominal do motor é:
Provas
Considere o circuito da figura a seguir.

A corrente I no primário do transformador é:
Provas
Em instalações elétricas de baixa tensão, o dispositivo utilizado para proteção dos condutores da instalação contra sobrecargas e curtos-circuitos é o
Provas
Considere o circuito da figura a seguir.

Para que o milivoltímetro indique 0 mV, o valor da resistência R deve ser igual a
Provas
Considere o circuito da figura a seguir operando em corrente alternada.

O valor da corrente I que percorre o circuito é:
Provas
Considere o circuito da figura a seguir.

A tensão entre os pontos A e B é igual a
Provas
Caderno Container