Foram encontradas 1.580 questões.
Existem muitos tipos de instrumentos de medição na indústria mecânica. Um desses instrumentos é o súbito, que pode ser utilizado para
Provas
Observe a peça ilustrada a seguir.

Assinale a alternativa que apresenta a perspectiva que corresponde às projeções no 1º Diedro.
Provas
Para fabricação de muitos componentes mecânicos, é necessária a utilização de processos de soldagem, os quais são divididos, basicamente, em processos que utilizam como fonte de calor o arco elétrico e processos que utilizam como fonte de calor a queima de um gás misturado com oxigênio, sendo o acetileno o gás mais comum. A mistura de acetileno com oxigênio pode formar três tipos de chama: oxidante, carburante e neutra. A característica da chama carburante é que
Provas
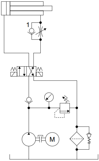
O circuito hidráulico ilustrado a seguir é utilizado em uma máquina operatriz.

A função da válvula indicada com o número 1 é controlar a
Provas
Durante a utilização de um redutor de velocidades em sua carga nominal, ocorreu o cisalhamento da chaveta do eixo de saída, demonstrando que deve ter ocorrido um erro no dimensionamento. Sabendo-se que o torque nominal no eixo de saída do equipamento é 2250 N.m, que o eixo de saída tem um diâmetro de 60 mm, que a chaveta é do tipo B e tem dimensões de 8 x 11 x 30 mm conforme a norma DIN 6885, o nível de tensão de cisalhamento que estava atuando sobre essa chaveta é
Provas
Um dos critérios utilizados na escolha dos rolamentos dos sistemas mecânicos é o tipo de carga que o rolamento terá que suportar. Em uma caixa de engrenagens que irá utilizar engrenagens cilíndricas de dentes helicoidais, que irá operar com elevado torque, o rolamento mais indicado é o rolamento
Provas
Observe a imagem a seguir.

A medida em polegada fracionária mostrada na imagem é igual a
Provas
Em operações sucessivas de conformação a frio, o material que está sendo conformado vai encruando e, com isso, perdendo capacidade de ser deformado. Para se estabelecer a ductilidade do material, deve ser feito, entre as etapas de conformação, um tratamento térmico de
Provas
O torque de aperto nos parafusos é uma variável importante em juntas parafusadas, pois evita que a junta sofra uma eventual desmontagem espontânea devido à utilização do equipamento. Para que um parafuso M12 tenha um torque de aperto de 120 Nm, utilizando-se uma chave com distância entre o centro da cabeça do parafuso e o ponto de aplicação da força igual a 40 cm, a força colocada na chave deverá ser
Provas
Em instalações hidráulicas de bombeamento, é importante que sejam colocadas válvulas para garantir a segurança e a correta operação do sistema. Uma das válvulas utilizadas para garantir a correta operação é a válvula de pé com crivo, que é instalada
Provas
Caderno Container