Foram encontradas 1.430 questões.
Com base nas leituras de tensão representadas no circuito a seguir, indique se o mesmo está operando adequadamente e, se não, qual a causa provável.

Provas
O transistor do circuito a seguir tem um ganho de corrente de emissor comum entre 50 e 150. Considerando um fator de saturação forçada (overdrive) de 10, qual o valor aproximado para o resistor de base de modo que o conjunto funcione como uma chave?

Provas
Quanto à função dos cicloconversores, é correto afirmar:
Provas
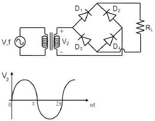
Considere o retificador em ponte apresentado a seguir:

As formas de onda aproximadas da tensão na carga (linha tracejada) e da tensão no D3 (linha contínua) são:
Provas
É correto afirmar sobre o tiristor:
Provas
Analise as afirmativas abaixo quanto aos materiais semicondutores:
I. Em um semicondutor extrínseco temos, além da presença do material semicondutor, os elementos chamados de impurezas, que podem ser do tipo trivalentes ou tetravalentes.
II. O material semicondutor quando dopado com elementos trivalentes passa a ser chamado de “Tipo P”.
III. Ao unirmos um material tipo P com um material tipo N forma-se, na junção dos materiais, por conta de uma corrente de difusão, uma região chamada de zona de depleção. Quando polarizamos inversamente esta junção PN, ocorre uma expansão da zona de depleção.
Assinale a alternativa correta.
Provas
Considere o transformador monofásico ideal desenhado esquematicamente na figura a seguir.

Analise as afirmativas abaixo:
I. Para uma relação de tensão igual a 1⁄5, a tensão de entrada é de 1100 V.
II. A transferência da energia elétrica entre o primário e o secundário é feita magneticamente.
III. Para uma relação de tensão igual a 5, a tensão de entrada é 1100 V.
IV. Para que a relação de tensão seja 5 o enrolamento secundário deve ser formado por 200 espiras.
V. Para uma carga de 550 VA, o módulo da corrente de entrada é de 2 A.
Assinale a alternativa correta.
Provas
Para a estrutura a seguir, qual o valor aproximado da tensão “vo” considerando uma entrada lógica ABCD igual a “1010” (Considere que o nível lógico alto “1” é levado a +6V e que o nível lógico baixo “0” é levado à terra).

Provas
O módulo eletrônico mostrado a seguir é normalmente empregado como entrada de circuitos multiplicadores de sinais. Quanto à função básica que ele efetua, podemos caracterizá-lo como um circuito:

Provas
Dado o circuito a seguir, qual a função realizada por ele?

Provas
Caderno Container