Foram encontradas 1.430 questões.
Para o circuito utilizando amplificador operacional apresentado a seguir, sabendo que R3 = 1,5KΩ, determine o valor dos demais resistores que façam com que a saída Vo seja: Vo = –(3V1 + 2V2 + V3)

Provas
O circuito apresentado a seguir é uma forma simples de controlar o ângulo de disparo do SCR, regulando com isso a tensão eficaz sobre a carga resistiva RL. Determine o valor em que deve ser ajustado o potenciômetro, para que o SCR seja disparado em 30º.

Dados: IGT = 200μA
VGT= 0,8V
Provas
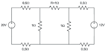
Determine as correntes de malha I1 e I2 para o circuito apresentado a seguir:

Provas
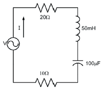
Dado o circuito a seguir, determinar a corrente fornecida pela fonte.

Sabendo que: v(t) = 100.sen(1000t) [V]
Provas
Analisando o circuito a seguir, determine a potência dissipada no resistor R.

Provas
A classificação quanto à permeabilidade dos materiais magnéticos pode ser feita em: indiferentes, diamagnéticos, paramagnéticos e ferromagnéticos. Nesse contexto, é correto afirmar:
I. Os materiais indiferentes ao campo magnético possuem permeabilidade relativa igual a zero.
II. Os materiais chamados de diamagnéticos tendem a afastar ligeiramente as linhas de fluxo magnético que o interceptam, pois possuem permeabilidade magnética ligeiramente inferior à do vácuo.
III. Os materiais chamados de paramagnéticos tendem a parar as linhas de fluxo magnético que o interceptam, pois possuem permeabilidade magnética muito inferior à do vácuo.
IV. Os materiais chamados de ferromagnéticos concentram fortemente as linhas de fluxo magnético, pois possuem permeabilidade magnética muito maior que a do vácuo.
Assinale a alternativa correta.
Provas
Chama-se de material condutor toda matéria que permite o estabelecimento de um fluxo de elétrons em seu meio, compatível com a diferença de potencial aplicada ao mesmo. Identifique, dentre as alternativas a seguir, qual possui somente materiais condutores:
Provas
A lei de Coulomb, apresentada na equação a seguir, mostra-nos o fator k. Pergunta-se:
!$ F={\large{1 \quad q_1 q_2 \over 4 \pi ε_0 k \quad r^2}} !$
A que propriedade corresponde este fator k?
Provas
Recentemente, o município de Itajaí - SC ficou alguns dias sem abastecimento de água potável, pois o manancial onde é feita a captação de água estava com algumas características físico-químicas alteradas, fato que impediu a utilização do sistema de tratamento de água convencional da municipalidade. A alteração da qualidade da água foi devido à interferência da maré. Assinale a alternativa onde todos os parâmetros físico- químicos são correlacionados com a alteração da qualidade da água ocorrida no manancial que serve o Município de Itajai:
Provas
As águas naturais e esgotos domésticos são tamponados principalmente pelo sistema dióxido de carbono-bicarbonato (CO2 – HCO3). No Diagrama Logarítmico de Concentrações (DLC), para o ácido carbônico o ponto final da titulação é ≅ 8,5. Baseado nesta informação, é correto afirmar que:
Provas
Caderno Container