Foram encontradas 1.633 questões.
A figura a seguir representa a bainha e o tambor de um micrômetro com resolução de 0,001 mm.

A leitura da medida indicada na figura vem a ser:
Provas
A figura representa a escala fixa e a escala móvel de um paquímetro.

A resolução desse instrumento é (em mm):
Provas
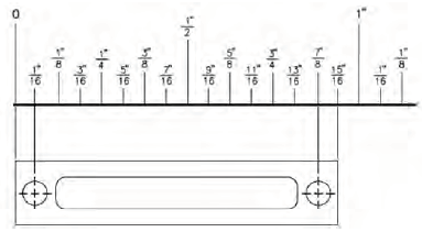
- A peça mostrada na figura a seguir está sendo medida usando-se uma régua graduada cuja escala de medição está em polegada fracionária.

De acordo com a figura acima, o comprimento da peça (em mm) é:
Provas
A escala é uma informação de extrema importância utilizada em desenhos técnicos e a sua utilização é definida pela norma NBR 8196/83. Sobre o conceito de escala, é correto afirmar:
Provas
A usinagem por eletroerosão é um importante processo de fabricação. O processo mais comum de eletroerosão é o de penetração do eletrodo na peça. Para que seja possível utilizar esse processo de fabricação, é essencial que o material da peça e da ferramenta sejam:
Provas
O diâmetro de um eixo será usinado respeitando-se as medidas apresentadas, em milímetro, na figura.

O diâmetro máximo e o diâmetro mínimo permitidos, bem como a tolerância são, respectivamente:
Provas
O revestimento do eletrodo revestido tem algumas funções no processo de soldagem. NÃO é uma função específica do revestimento:
Provas
A definição mais adequada para o processo de soldagem por brasagem vem a ser:
Provas
A definição de processo de aspersão térmica corresponde a processo:
Provas
O processo de soldagem que utiliza gás inerte e eletrodo consumível contínuo é chamado de:
Provas
Caderno Container