Foram encontradas 285 questões.
De acordo com o CPC para pequenas e médias empresas, a entidade deve classificar um ativo como circulante, exceto quando:
Provas
Em relação aos diferentes biomas, assinale a alternativa incorreta.
Provas
São exemplos das principais regiões fitogeográficas do Brasil, exceto:
Provas
A sucessão é uma mudança na comunidade após uma perturbação no habitat ou a formação de um novo habitat. A sequência específica de comunidades num dado local é referida como sere, e a associação em última instância de plantas e animais é chamada de:
Provas
A diversidade de espécies, em uma comunidade, é uma medida que combina tanto o número de espécies quanto a equabilidade de espécies.
A equabilidade de espécies se refere à (ao):
Provas
Assinale a alternativa que apresenta exemplos de indicadores químicos de qualidade do solo:
Provas
Os sinais de I/O analógicos mais utilizados nos CLP são de:
Provas
Considere o circuito na figura

Qual é a potência no capacitor?
Provas
Considere o esquema de um transformador !$ Δ !$ – Y, apresentado na figura e que opera na sequência de fase ABC.

Sinalize a alternativa que dá a defasagem da corrente IA em relação à corrente Ia.
Provas
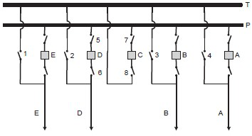
A subestação da figura do tipo de arranjo de barras principal e de transferência opera com os alimentadores A, B e E diretamente conectados na barra principal e o alimentador D conectado na barra de transferência.

Assinale a alternativa que representa a situação operativa dessa configuração para o alimentador D.
Provas
Caderno Container