Foram encontradas 897 questões.
A distorção apresentada no fluxo de caixa pode ser fruto de antecipação indevida de atividades tardias de maior valor e postergação de atividades iniciais de menor valor.
Provas
Os ativos encontrados nos portos são convencionalmente classificados como infraestrutura — acessos marítimos e terrestres, estruturas de proteção e atracação, etc. — e superestrutura — estruturas de armazenagem, equipamentos como guindastes, carregadores de navios. A respeito dos aspectos relativos à engenharia portuária, julgue o item subsecutivo.
A capacidade dinâmica de um conjunto de silos em uma instalação portuária é corretamente definida como a quantidade de carga que pode ser movimentada nessa estrutura em um determinado período de tempo.
Provas
A respeito de estruturas de atracação em portos, julgue o item subsequente.
As dimensões dos dispositivos de amarração devem ser compatíveis com os esforços de amarração, devendo o dimensionamento, quanto ao arrancamento dos dispositivos de fixação, ter coeficiente de ponderação menor do que o adotado no dimensionamento da estrutura.
Provas
Acerca do planejamento de projetos e obras nos empreendimentos portuários, julgue o item subsecutivo.
A escolha do tipo de obra de abrigo depende fundamentalmente das disponibilidades de enrocamento, da profundidade do mar, da onda de projeto e da condição de fundação.
Provas
Durante séculos de comércio internacional, chineses, árabes e europeus não haviam conseguido criar uma forma de evitar as enormes perdas no transporte com as quebras, deteriorações e desvios de mercadorias, nem agilizar e reduzir o custo das operações de carga e descarga. Somente em 1937, o americano Malcom McLean, então com pouco mais de vinte anos de idade, motorista e dono de uma pequena empresa de caminhões, ao observar o lento embarque de fardos de algodão no porto de Nova Iorque, teve a ideia de armazená-los e transportá-los em grandes caixas de aço que pudessem, elas próprias, ser embarcadas nos navios.
Com o tempo, McLean aprimorou métodos de trabalho e expansão de sua companhia, a Sea-Land (depois Maersk-Sealand), tornando-a uma das pioneiras do sistema intermodal, e abrangendo transporte marítimo, fluvial e ferroviário, além de terminais portuários. Surgia, assim, a conteineirização.
Internet: <https://pt wikipedia org>
Tendo o texto apresentado como motivador, julgue o item que se segue, a respeito dos perfis de cargas movimentadas nos portos.
A movimentação de veículos em terminais portuários do tipo roll on roll off enquadra-se na modalidade carga geral.
Provas
No que concerne a equipamentos e instalações portuárias, julgue o item a seguir.
Na escolha da conformação da bacia portuária, deve-se verificar a possibilidade de haver ressonância no seu interior, pela ação das ondas incidentes e, caso isso ocorra, deve-se alterar a forma da bacia ou introduzir mecanismos de dissipação adequada.
Provas
Julgue o item subsequente, a respeito de engenharia portuária.
A largura de um canal de acesso é convenientemente expressa como um múltiplo do calado de um navio, com raios de curva expressos em múltiplos da boca do navio.
Provas

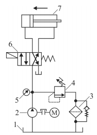
Considerando o circuito hidráulico esquematizado na figura precedente, julgue o item seguinte.
O elemento identificado na figura pelo número 4 é uma válvula de contrabalanço com retenção.
Provas
Com relação a alguns mecanismos utilizados em engenharia mecânica, julgue o próximo item.
A principal característica de movimento de um pantógrafo,
esquematizado na figura a seguir, é que a trajetória traçada
pelo ponto T será igual à do ponto S, porém ampliada por um
fator igual a 

Provas
A respeito dos processos de fabricação de materiais metálicos, julgue o item que se segue.
O tixoforjamento, ou forjamento semissólido, é um processo que permite fabricar peças com dimensões próximas à do produto final com um só golpe e que, por proporcionar ao material redução das tensões residuais e diminuição de trincas, é mais vantajoso que o processo de forjamento tradicional.
Provas
Caderno Container