Foram encontradas 60 questões.
Entulho eletrônico: risco iminente para a saúde e o ambiente
Os resíduos de equipamentos eletroeletrônicos (lixo eletroeletrônico) são, por definição, produtos que têm componentes elétricos e eletrônicos e que, por razões de obsolescência (perspectiva ou programada) e impossibilidade de conserto, são descartados pelos consumidores. Os exemplos mais comuns são televisores e equipamentos de informática e telefonia, mas a lista inclui eletrodomésticos, equipamentos médicos, brinquedos, sistemas de alarme, automação e controle.
Obsolescência programada é a decisão intencional de fabricar um produto que se torne obsoleto ou não funcional após certo tempo, para forçar o consumidor a comprar uma nova geração desse produto. Já a obsolescência perspectiva é uma forma de reduzir a vida útil de produtos ainda funcionais. Nesse caso, são lançadas novas gerações com aparência inovadora e pequenas mudanças funcionais, dando à geração em uso aspecto de ultrapassada, o que induz o consumidor à troca.
O lixo eletroeletrônico é mais um desafio que se soma aos problemas ambientais da atualidade. O consumidor raramente reflete sobre as consequências do consumo crescente desses produtos, preocupando- se em satisfazer suas necessidades. Afinal, eletroeletrônicos são tidos como sinônimos de melhor qualidade de vida, e a explosão da indústria da informação é uma força motriz da sociedade, oferecendo ferramentas para rápidos avanços na economia e no desenvolvimento social. O mundo globalizado impõe uma constante busca de informações em tempo real, e a sua interação com novas tecnologias traz maiores oportunidades e benefícios, segundo estudo da Organização das Nações Unidas (ONU). Tudo isso exerce um fascínio irresistível para os jovens.
Dois aspectos justificam a inclusão dos eletroeletrônicos entre as preocupações da ONU: as vendas crescentes, em especial nos mercados emergentes (inclusive o Brasil), e a presença de metais e substâncias tóxicas em muitos componentes, trazendo risco à saúde e ao meio ambiente. Segundo a ONU, são gerados hoje 150 milhões de toneladas de lixo eletroeletrônico por ano, e esse tipo de resíduo cresce a uma velocidade três a cinco vezes maior que a do lixo urbano.
AFONSO, J. C. Revista Ciência Hoje, n. 314, maio 2014. São Paulo: SBPC. Disponível em: https://cienciahoje.periodicos.capes. gov.br/storage/acervo/ch/ch_314.pdf. Adaptado.
No 3º parágrafo, no trecho “a explosão da indústria da informação é uma força motriz da sociedade”, a palavra destacada pode ser substituída, sem prejuízo de sentido, por
Provas
Entulho eletrônico: risco iminente para a saúde e o ambiente
Os resíduos de equipamentos eletroeletrônicos (lixo eletroeletrônico) são, por definição, produtos que têm componentes elétricos e eletrônicos e que, por razões de obsolescência (perspectiva ou programada) e impossibilidade de conserto, são descartados pelos consumidores. Os exemplos mais comuns são televisores e equipamentos de informática e telefonia, mas a lista inclui eletrodomésticos, equipamentos médicos, brinquedos, sistemas de alarme, automação e controle.
Obsolescência programada é a decisão intencional de fabricar um produto que se torne obsoleto ou não funcional após certo tempo, para forçar o consumidor a comprar uma nova geração desse produto. Já a obsolescência perspectiva é uma forma de reduzir a vida útil de produtos ainda funcionais. Nesse caso, são lançadas novas gerações com aparência inovadora e pequenas mudanças funcionais, dando à geração em uso aspecto de ultrapassada, o que induz o consumidor à troca.
O lixo eletroeletrônico é mais um desafio que se soma aos problemas ambientais da atualidade. O consumidor raramente reflete sobre as consequências do consumo crescente desses produtos, preocupando- se em satisfazer suas necessidades. Afinal, eletroeletrônicos são tidos como sinônimos de melhor qualidade de vida, e a explosão da indústria da informação é uma força motriz da sociedade, oferecendo ferramentas para rápidos avanços na economia e no desenvolvimento social. O mundo globalizado impõe uma constante busca de informações em tempo real, e a sua interação com novas tecnologias traz maiores oportunidades e benefícios, segundo estudo da Organização das Nações Unidas (ONU). Tudo isso exerce um fascínio irresistível para os jovens.
Dois aspectos justificam a inclusão dos eletroeletrônicos entre as preocupações da ONU: as vendas crescentes, em especial nos mercados emergentes (inclusive o Brasil), e a presença de metais e substâncias tóxicas em muitos componentes, trazendo risco à saúde e ao meio ambiente. Segundo a ONU, são gerados hoje 150 milhões de toneladas de lixo eletroeletrônico por ano, e esse tipo de resíduo cresce a uma velocidade três a cinco vezes maior que a do lixo urbano.
AFONSO, J. C. Revista Ciência Hoje, n. 314, maio 2014. São Paulo: SBPC. Disponível em: https://cienciahoje.periodicos.capes. gov.br/storage/acervo/ch/ch_314.pdf. Adaptado.
No trecho do 3º parágrafo “segundo estudo da Organização das Nações Unidas”, a palavra destacada expressa ideia de
Provas
Entulho eletrônico: risco iminente para a saúde e o ambiente
Os resíduos de equipamentos eletroeletrônicos (lixo eletroeletrônico) são, por definição, produtos que têm componentes elétricos e eletrônicos e que, por razões de obsolescência (perspectiva ou programada) e impossibilidade de conserto, são descartados pelos consumidores. Os exemplos mais comuns são televisores e equipamentos de informática e telefonia, mas a lista inclui eletrodomésticos, equipamentos médicos, brinquedos, sistemas de alarme, automação e controle.
Obsolescência programada é a decisão intencional de fabricar um produto que se torne obsoleto ou não funcional após certo tempo, para forçar o consumidor a comprar uma nova geração desse produto. Já a obsolescência perspectiva é uma forma de reduzir a vida útil de produtos ainda funcionais. Nesse caso, são lançadas novas gerações com aparência inovadora e pequenas mudanças funcionais, dando à geração em uso aspecto de ultrapassada, o que induz o consumidor à troca.
O lixo eletroeletrônico é mais um desafio que se soma aos problemas ambientais da atualidade. O consumidor raramente reflete sobre as consequências do consumo crescente desses produtos, preocupando- se em satisfazer suas necessidades. Afinal, eletroeletrônicos são tidos como sinônimos de melhor qualidade de vida, e a explosão da indústria da informação é uma força motriz da sociedade, oferecendo ferramentas para rápidos avanços na economia e no desenvolvimento social. O mundo globalizado impõe uma constante busca de informações em tempo real, e a sua interação com novas tecnologias traz maiores oportunidades e benefícios, segundo estudo da Organização das Nações Unidas (ONU). Tudo isso exerce um fascínio irresistível para os jovens.
Dois aspectos justificam a inclusão dos eletroeletrônicos entre as preocupações da ONU: as vendas crescentes, em especial nos mercados emergentes (inclusive o Brasil), e a presença de metais e substâncias tóxicas em muitos componentes, trazendo risco à saúde e ao meio ambiente. Segundo a ONU, são gerados hoje 150 milhões de toneladas de lixo eletroeletrônico por ano, e esse tipo de resíduo cresce a uma velocidade três a cinco vezes maior que a do lixo urbano.
AFONSO, J. C. Revista Ciência Hoje, n. 314, maio 2014. São Paulo: SBPC. Disponível em: https://cienciahoje.periodicos.capes. gov.br/storage/acervo/ch/ch_314.pdf. Adaptado.
No texto, o referente do termo ou expressão em destaque está corretamente explicitado, entre colchetes, no trecho:
Provas
Entulho eletrônico: risco iminente para a saúde e o ambiente
Os resíduos de equipamentos eletroeletrônicos (lixo eletroeletrônico) são, por definição, produtos que têm componentes elétricos e eletrônicos e que, por razões de obsolescência (perspectiva ou programada) e impossibilidade de conserto, são descartados pelos consumidores. Os exemplos mais comuns são televisores e equipamentos de informática e telefonia, mas a lista inclui eletrodomésticos, equipamentos médicos, brinquedos, sistemas de alarme, automação e controle.
Obsolescência programada é a decisão intencional de fabricar um produto que se torne obsoleto ou não funcional após certo tempo, para forçar o consumidor a comprar uma nova geração desse produto. Já a obsolescência perspectiva é uma forma de reduzir a vida útil de produtos ainda funcionais. Nesse caso, são lançadas novas gerações com aparência inovadora e pequenas mudanças funcionais, dando à geração em uso aspecto de ultrapassada, o que induz o consumidor à troca.
O lixo eletroeletrônico é mais um desafio que se soma aos problemas ambientais da atualidade. O consumidor raramente reflete sobre as consequências do consumo crescente desses produtos, preocupando- se em satisfazer suas necessidades. Afinal, eletroeletrônicos são tidos como sinônimos de melhor qualidade de vida, e a explosão da indústria da informação é uma força motriz da sociedade, oferecendo ferramentas para rápidos avanços na economia e no desenvolvimento social. O mundo globalizado impõe uma constante busca de informações em tempo real, e a sua interação com novas tecnologias traz maiores oportunidades e benefícios, segundo estudo da Organização das Nações Unidas (ONU). Tudo isso exerce um fascínio irresistível para os jovens.
Dois aspectos justificam a inclusão dos eletroeletrônicos entre as preocupações da ONU: as vendas crescentes, em especial nos mercados emergentes (inclusive o Brasil), e a presença de metais e substâncias tóxicas em muitos componentes, trazendo risco à saúde e ao meio ambiente. Segundo a ONU, são gerados hoje 150 milhões de toneladas de lixo eletroeletrônico por ano, e esse tipo de resíduo cresce a uma velocidade três a cinco vezes maior que a do lixo urbano.
AFONSO, J. C. Revista Ciência Hoje, n. 314, maio 2014. São Paulo: SBPC. Disponível em: https://cienciahoje.periodicos.capes. gov.br/storage/acervo/ch/ch_314.pdf. Adaptado.
No trecho “Tudo isso exerce um fascínio irresistível para os jovens.” (parágrafo 3), a palavra que apresenta o sentido contrário ao da palavra destacada é
Provas
Entulho eletrônico: risco iminente para a saúde e o ambiente
Os resíduos de equipamentos eletroeletrônicos (lixo eletroeletrônico) são, por definição, produtos que têm componentes elétricos e eletrônicos e que, por razões de obsolescência (perspectiva ou programada) e impossibilidade de conserto, são descartados pelos consumidores. Os exemplos mais comuns são televisores e equipamentos de informática e telefonia, mas a lista inclui eletrodomésticos, equipamentos médicos, brinquedos, sistemas de alarme, automação e controle.
Obsolescência programada é a decisão intencional de fabricar um produto que se torne obsoleto ou não funcional após certo tempo, para forçar o consumidor a comprar uma nova geração desse produto. Já a obsolescência perspectiva é uma forma de reduzir a vida útil de produtos ainda funcionais. Nesse caso, são lançadas novas gerações com aparência inovadora e pequenas mudanças funcionais, dando à geração em uso aspecto de ultrapassada, o que induz o consumidor à troca.
O lixo eletroeletrônico é mais um desafio que se soma aos problemas ambientais da atualidade. O consumidor raramente reflete sobre as consequências do consumo crescente desses produtos, preocupando- se em satisfazer suas necessidades. Afinal, eletroeletrônicos são tidos como sinônimos de melhor qualidade de vida, e a explosão da indústria da informação é uma força motriz da sociedade, oferecendo ferramentas para rápidos avanços na economia e no desenvolvimento social. O mundo globalizado impõe uma constante busca de informações em tempo real, e a sua interação com novas tecnologias traz maiores oportunidades e benefícios, segundo estudo da Organização das Nações Unidas (ONU). Tudo isso exerce um fascínio irresistível para os jovens.
Dois aspectos justificam a inclusão dos eletroeletrônicos entre as preocupações da ONU: as vendas crescentes, em especial nos mercados emergentes (inclusive o Brasil), e a presença de metais e substâncias tóxicas em muitos componentes, trazendo risco à saúde e ao meio ambiente. Segundo a ONU, são gerados hoje 150 milhões de toneladas de lixo eletroeletrônico por ano, e esse tipo de resíduo cresce a uma velocidade três a cinco vezes maior que a do lixo urbano.
AFONSO, J. C. Revista Ciência Hoje, n. 314, maio 2014. São Paulo: SBPC. Disponível em: https://cienciahoje.periodicos.capes. gov.br/storage/acervo/ch/ch_314.pdf. Adaptado.
No trecho do 2º parágrafo “fabricar um produto que se torne obsoleto ou não funcional após certo tempo, para forçar o consumidor a comprar uma nova geração desse produto”, a palavra destacada pode ser substituída, mantendo- se a mesma circunstância, pela expressão
Provas
Entulho eletrônico: risco iminente para a saúde e o ambiente
Os resíduos de equipamentos eletroeletrônicos (lixo eletroeletrônico) são, por definição, produtos que têm componentes elétricos e eletrônicos e que, por razões de obsolescência (perspectiva ou programada) e impossibilidade de conserto, são descartados pelos consumidores. Os exemplos mais comuns são televisores e equipamentos de informática e telefonia, mas a lista inclui eletrodomésticos, equipamentos médicos, brinquedos, sistemas de alarme, automação e controle.
Obsolescência programada é a decisão intencional de fabricar um produto que se torne obsoleto ou não funcional após certo tempo, para forçar o consumidor a comprar uma nova geração desse produto. Já a obsolescência perspectiva é uma forma de reduzir a vida útil de produtos ainda funcionais. Nesse caso, são lançadas novas gerações com aparência inovadora e pequenas mudanças funcionais, dando à geração em uso aspecto de ultrapassada, o que induz o consumidor à troca.
O lixo eletroeletrônico é mais um desafio que se soma aos problemas ambientais da atualidade. O consumidor raramente reflete sobre as consequências do consumo crescente desses produtos, preocupando- se em satisfazer suas necessidades. Afinal, eletroeletrônicos são tidos como sinônimos de melhor qualidade de vida, e a explosão da indústria da informação é uma força motriz da sociedade, oferecendo ferramentas para rápidos avanços na economia e no desenvolvimento social. O mundo globalizado impõe uma constante busca de informações em tempo real, e a sua interação com novas tecnologias traz maiores oportunidades e benefícios, segundo estudo da Organização das Nações Unidas (ONU). Tudo isso exerce um fascínio irresistível para os jovens.
Dois aspectos justificam a inclusão dos eletroeletrônicos entre as preocupações da ONU: as vendas crescentes, em especial nos mercados emergentes (inclusive o Brasil), e a presença de metais e substâncias tóxicas em muitos componentes, trazendo risco à saúde e ao meio ambiente. Segundo a ONU, são gerados hoje 150 milhões de toneladas de lixo eletroeletrônico por ano, e esse tipo de resíduo cresce a uma velocidade três a cinco vezes maior que a do lixo urbano.
AFONSO, J. C. Revista Ciência Hoje, n. 314, maio 2014. São Paulo: SBPC. Disponível em: https://cienciahoje.periodicos.capes. gov.br/storage/acervo/ch/ch_314.pdf. Adaptado.
No texto, os dois primeiros parágrafos estabelecem entre si a seguinte relação:
Provas
Entulho eletrônico: risco iminente para a saúde e o ambiente
Os resíduos de equipamentos eletroeletrônicos (lixo eletroeletrônico) são, por definição, produtos que têm componentes elétricos e eletrônicos e que, por razões de obsolescência (perspectiva ou programada) e impossibilidade de conserto, são descartados pelos consumidores. Os exemplos mais comuns são televisores e equipamentos de informática e telefonia, mas a lista inclui eletrodomésticos, equipamentos médicos, brinquedos, sistemas de alarme, automação e controle.
Obsolescência programada é a decisão intencional de fabricar um produto que se torne obsoleto ou não funcional após certo tempo, para forçar o consumidor a comprar uma nova geração desse produto. Já a obsolescência perspectiva é uma forma de reduzir a vida útil de produtos ainda funcionais. Nesse caso, são lançadas novas gerações com aparência inovadora e pequenas mudanças funcionais, dando à geração em uso aspecto de ultrapassada, o que induz o consumidor à troca.
O lixo eletroeletrônico é mais um desafio que se soma aos problemas ambientais da atualidade. O consumidor raramente reflete sobre as consequências do consumo crescente desses produtos, preocupando- se em satisfazer suas necessidades. Afinal, eletroeletrônicos são tidos como sinônimos de melhor qualidade de vida, e a explosão da indústria da informação é uma força motriz da sociedade, oferecendo ferramentas para rápidos avanços na economia e no desenvolvimento social. O mundo globalizado impõe uma constante busca de informações em tempo real, e a sua interação com novas tecnologias traz maiores oportunidades e benefícios, segundo estudo da Organização das Nações Unidas (ONU). Tudo isso exerce um fascínio irresistível para os jovens.
Dois aspectos justificam a inclusão dos eletroeletrônicos entre as preocupações da ONU: as vendas crescentes, em especial nos mercados emergentes (inclusive o Brasil), e a presença de metais e substâncias tóxicas em muitos componentes, trazendo risco à saúde e ao meio ambiente. Segundo a ONU, são gerados hoje 150 milhões de toneladas de lixo eletroeletrônico por ano, e esse tipo de resíduo cresce a uma velocidade três a cinco vezes maior que a do lixo urbano.
AFONSO, J. C. Revista Ciência Hoje, n. 314, maio 2014. São Paulo: SBPC. Disponível em: https://cienciahoje.periodicos.capes. gov.br/storage/acervo/ch/ch_314.pdf. Adaptado.
A obsolescência perspectiva é definida no texto como a(o)
Provas
Entulho eletrônico: risco iminente para a saúde e o ambiente
Os resíduos de equipamentos eletroeletrônicos (lixo eletroeletrônico) são, por definição, produtos que têm componentes elétricos e eletrônicos e que, por razões de obsolescência (perspectiva ou programada) e impossibilidade de conserto, são descartados pelos consumidores. Os exemplos mais comuns são televisores e equipamentos de informática e telefonia, mas a lista inclui eletrodomésticos, equipamentos médicos, brinquedos, sistemas de alarme, automação e controle.
Obsolescência programada é a decisão intencional de fabricar um produto que se torne obsoleto ou não funcional após certo tempo, para forçar o consumidor a comprar uma nova geração desse produto. Já a obsolescência perspectiva é uma forma de reduzir a vida útil de produtos ainda funcionais. Nesse caso, são lançadas novas gerações com aparência inovadora e pequenas mudanças funcionais, dando à geração em uso aspecto de ultrapassada, o que induz o consumidor à troca.
O lixo eletroeletrônico é mais um desafio que se soma aos problemas ambientais da atualidade. O consumidor raramente reflete sobre as consequências do consumo crescente desses produtos, preocupando- se em satisfazer suas necessidades. Afinal, eletroeletrônicos são tidos como sinônimos de melhor qualidade de vida, e a explosão da indústria da informação é uma força motriz da sociedade, oferecendo ferramentas para rápidos avanços na economia e no desenvolvimento social. O mundo globalizado impõe uma constante busca de informações em tempo real, e a sua interação com novas tecnologias traz maiores oportunidades e benefícios, segundo estudo da Organização das Nações Unidas (ONU). Tudo isso exerce um fascínio irresistível para os jovens.
Dois aspectos justificam a inclusão dos eletroeletrônicos entre as preocupações da ONU: as vendas crescentes, em especial nos mercados emergentes (inclusive o Brasil), e a presença de metais e substâncias tóxicas em muitos componentes, trazendo risco à saúde e ao meio ambiente. Segundo a ONU, são gerados hoje 150 milhões de toneladas de lixo eletroeletrônico por ano, e esse tipo de resíduo cresce a uma velocidade três a cinco vezes maior que a do lixo urbano.
AFONSO, J. C. Revista Ciência Hoje, n. 314, maio 2014. São Paulo: SBPC. Disponível em: https://cienciahoje.periodicos.capes. gov.br/storage/acervo/ch/ch_314.pdf. Adaptado.
Com base no conteúdo desenvolvido e na sua forma de apresentação, conclui-se que o texto tem o objetivo de
Provas
Entulho eletrônico: risco iminente para a saúde e o ambiente
Os resíduos de equipamentos eletroeletrônicos (lixo eletroeletrônico) são, por definição, produtos que têm componentes elétricos e eletrônicos e que, por razões de obsolescência (perspectiva ou programada) e impossibilidade de conserto, são descartados pelos consumidores. Os exemplos mais comuns são televisores e equipamentos de informática e telefonia, mas a lista inclui eletrodomésticos, equipamentos médicos, brinquedos, sistemas de alarme, automação e controle.
Obsolescência programada é a decisão intencional de fabricar um produto que se torne obsoleto ou não funcional após certo tempo, para forçar o consumidor a comprar uma nova geração desse produto. Já a obsolescência perspectiva é uma forma de reduzir a vida útil de produtos ainda funcionais. Nesse caso, são lançadas novas gerações com aparência inovadora e pequenas mudanças funcionais, dando à geração em uso aspecto de ultrapassada, o que induz o consumidor à troca.
O lixo eletroeletrônico é mais um desafio que se soma aos problemas ambientais da atualidade. O consumidor raramente reflete sobre as consequências do consumo crescente desses produtos, preocupando- se em satisfazer suas necessidades. Afinal, eletroeletrônicos são tidos como sinônimos de melhor qualidade de vida, e a explosão da indústria da informação é uma força motriz da sociedade, oferecendo ferramentas para rápidos avanços na economia e no desenvolvimento social. O mundo globalizado impõe uma constante busca de informações em tempo real, e a sua interação com novas tecnologias traz maiores oportunidades e benefícios, segundo estudo da Organização das Nações Unidas (ONU). Tudo isso exerce um fascínio irresistível para os jovens.
Dois aspectos justificam a inclusão dos eletroeletrônicos entre as preocupações da ONU: as vendas crescentes, em especial nos mercados emergentes (inclusive o Brasil), e a presença de metais e substâncias tóxicas em muitos componentes, trazendo risco à saúde e ao meio ambiente. Segundo a ONU, são gerados hoje 150 milhões de toneladas de lixo eletroeletrônico por ano, e esse tipo de resíduo cresce a uma velocidade três a cinco vezes maior que a do lixo urbano.
AFONSO, J. C. Revista Ciência Hoje, n. 314, maio 2014. São Paulo: SBPC. Disponível em: https://cienciahoje.periodicos.capes. gov.br/storage/acervo/ch/ch_314.pdf. Adaptado.
Em seu desenvolvimento temático, depois de se referir ao estudo da ONU sobre a função das novas tecnologias no mundo globalizado, o texto desenvolve a ideia de que
Provas
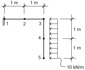
Considere a estrutura isostática esquematizada a seguir, na qual 1, 2, 3, 4 e 5 são pontos da estrutura, e o único apoio está representado no ponto 1.

Com base no diagrama de momentos fletores, os valores absolutos, em kNm, nos pontos 2, 4 e 5, são, respectivamente,
Provas
Caderno Container