Foram encontradas 50 questões.
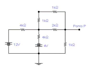
No circuito abaixo a tensão no ponto P em relação ao ponto de aterramento é:

Provas
Os potenciais de energia hidráulica são considerados bens pertencentes:
Provas
As questões de número 21 até 30 referem-se a configuração padrão de software e hardware do fabricante. Todos os softwares devem ser considerados em sua versão em português, quando aplicável, exceto quando especificado.

O conteúdo da célula B1 é dado por:
=A1+2*A2
Se o conteúdo da célula B1 for copiado (Ctrl C) para a célula B4 (Ctrl V) o resultado esperado é:
Provas
As questões de número 21 até 30 referem-se a configuração padrão de software e hardware do fabricante. Todos os softwares devem ser considerados em sua versão em português, quando aplicável, exceto quando especificado.
No Microsoft Outlook, uma mensagem pode ser enviada a um destinatário introduzindo-se seu endereço de correio eletrônico nas caixas Para, Cc ou Cco. A introdução do endereço do destinatário na caixa Cco (cópia carbono oculta) faz com que a mensagem
Provas

Ao visitar o site http://www.servidor.gov.br e posicionar o cursor do mouse sobre o banner "Temas do Servidor", uma tabela se abre, como mostrado na figura abaixo:

A maneira mais rápida e correta de se obter maiores informações sobre o "Pagamento de resíduo do FGTS" é:
Provas

Provas

Considere a tabela a seguir, extraída do Excel 2000 em português.

Nesta tabela, as células de A1 até A5 devem ser multiplicadas pelo valor armazenado na célula A7 e armazenadas, respectivamente em B1 até B5. Muito embora as 5 equações possam ser digitas uma a uma, existe uma maneira mais prática que é digitar a primeira equação e, então, copiá-la para as outras 4 células. Uma maneira correta de escrever a equação B1 para depois copiar para B2 até B4 de forma a executar a tarefa descrita anteriormente é:
Provas

Provas

Provas
As questões de número 21 até 30 referem-se a configuração padrão de software e hardware do fabricante. Todos os softwares devem ser considerados em sua versão em português, quando aplicável, exceto quando especificado.
No MS Windows Explorer, o clique do mouse pode ter significados diferentes se for pressionada a tecla Ctrl (CONTROL) ou a tecla Shift, ou até mesmo se for utilizado o botão da esquerda ou da direita. Considerando os diversos tipos diferentes de cliques sobre arquivos ou pastas no Windows Explorer, correlacione a primeira lista com a segunda:
Primeira lista:
I ) um clique com o botão da direita;
II ) um clique com o botão da esquerda;
III ) um clique com o botão da esquerda, com a tecla Ctrl pressionada;
IV ) um clique com o botão da esquerda, com a tecla Shift pressionada;
V ) um clique com o botão da esquerda, com as teclas Ctrl e Shift pressionadas;
VI ) um duplo clique com o botão da direita;
VII ) um duplo clique com o botão da esquerda.
Segunda lista:
( ) Abrir menu com contexto sensível;
( ) Executar a tarefa padrão associada ao arquivo ou pasta;
( ) Selecionar arquivo ou pasta, desmarcando as seleções anteriores;
( ) Selecionar arquivo ou pasta, sem desmarcar as seleções anteriores;
( ) Selecionar conjunto de arquivos ou pastas, sem desmarcar as seleções anteriores;
( ) Usuário utilizou erradamente o mouse e/ou teclado.
Provas
Caderno Container