Foram encontradas 100 questões.
Um circuito RLC série está em ressonância. Qual será o valor da impedância sabendo que a resistência é de !$ 10 \Omega !$ ?
Provas
Para que dois geradores c.a. sejam ligados em paralelo, existem algumas condições. Assinale a alternativa que contém uma delas.
Provas
Um transformador no qual não existe nenhuma perda e o núcleo tem uma permeabilidade infinita é chamado de
Provas
Com relação ao fator de potência e suas características, assinale a alternativa correta.
Provas
Qual das alternativas abaixo corresponde a uma ação de eficiência energética que visa combater o desperdício de energia elétrica?
Provas
Para a escolha de equipamentos em uma instalação elétrica, é necessário o conhecimento de algumas especificações básicas para cada tipo de equipamento.
O conjunto de informações abaixo é necessário para a especificação de qual tipo de equipamento?
- frequência nominal;
- máxima tensão disruptiva, à frequência industrial, kV;
- máxima tensão disruptiva de impulso sob frente de onda, kV.
Provas
A especificação de um fusível se dá de acordo com a norma IEC 60269 (NBR 11841). Assinale a alternativa que contém a especificação correta de um fusível para proteção de semicondutores e linha de forma combinada.
Provas
Analise as afirmações abaixo e coloque V para verdadeiro e F para falso. Em seguida, assinale a alternativa com a sequência correta.
( ) Período é o tempo necessário à realização de dois ciclos.
( ) Tensão contínua é aquela cujo valor e cuja direção não se alteram ao longo do tempo.
( ) Corrente alternada é uma corrente oscilatória que diminui de amplitude em relação ao tempo.
( ) Frequencia é o número de ciclos por segundo; a frequencia e o período são inversos um do outro.
Provas
Respeitando-se a ordem natural dos termos sintáticos da oração, assinale a alternativa que apresenta o termo faltante na frase No teu colo é o meu abrigo, modificada de uma canção popular.
Provas
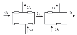
Determine, no circuito abaixo, as correntes I1 e I2 , utilizando a Lei de Kirchoff para correntes, e assinale a alternativa correta.

Provas
Caderno Container