Foram encontradas 100 questões.
Leia:
I- O atleta ficou emocionado com o carinho dos torcedores.
II- Houve uma pequena queda no desemprego no primeiro semestre.
III- Os turistas consideraram as paisagens da África lindas.
II- Houve uma pequena queda no desemprego no primeiro semestre.
III- Os turistas consideraram as paisagens da África lindas.
Os predicados das orações classificam-se, respectivamente, como
Provas
Questão presente nas seguintes provas
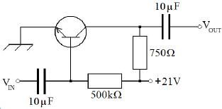
Qual a diferença entre a tensão no coletor em relação à base do transistor do circuito abaixo? Dado !$ \beta = 400 !$. Considere queda de tensão na base de 1V.

Provas
Questão presente nas seguintes provas
Um gerador de corrente contínua funciona segundo o princípio de indução de corrente elétrica a partir da variação do fluxo magnético. Sobre esse dispositivo, é correto afirmar que
Provas
Questão presente nas seguintes provas
Em qual alternativa o emprego da regência verbal está incorreto?
Provas
Questão presente nas seguintes provas
778060
Ano: 2019
Disciplina: Engenharia de Telecomunicações
Banca: DIRENS Aeronáutica
Orgão: EEAr
Disciplina: Engenharia de Telecomunicações
Banca: DIRENS Aeronáutica
Orgão: EEAr
Provas:
Um acoplador direcional possui um fator de acoplamento de 50dB. Considerando que a potência de entrada do sistema é de 1,5MW, calcule o valor da potência amostrada pelo dispositivo e assinale a alternativa com a sequência correta.
Provas
Questão presente nas seguintes provas
778033
Ano: 2019
Disciplina: Engenharia de Telecomunicações
Banca: DIRENS Aeronáutica
Orgão: EEAr
Disciplina: Engenharia de Telecomunicações
Banca: DIRENS Aeronáutica
Orgão: EEAr
Provas:
Em um sistema DSB-SC, há uma importante etapa que é o modulador balanceado. Qual é a composição do espectro de frequência de sua saída?
Provas
Questão presente nas seguintes provas
Observe as frases abaixo:
I- O proprietário daquelas terras é um italiano.
II- Aquelas terras foram invadidas pelos posseiros.
III- Os posseiros querem cultivar as terras.
II- Aquelas terras foram invadidas pelos posseiros.
III- Os posseiros querem cultivar as terras.
Transformando-se esses três períodos simples em um período composto e considerando o emprego dos pronomes relativos, assinale a alternativa correta.
Provas
Questão presente nas seguintes provas
Uma amostra de silício intrínseco sofreu um processo de dopagem. Isso significa que
Provas
Questão presente nas seguintes provas
Qual o resultado da multiplicação abaixo:
!$ \left ( 0,10 \right)_2 X \left (110 \right)_2 = !$
Provas
Questão presente nas seguintes provas
Determine a resistência total do circuito abaixo e assinale a alternativa correta.

Provas
Questão presente nas seguintes provas
Cadernos
Caderno Container