Foram encontradas 100 questões.
Leia:
Segundo uma pesquisa recente da Unicamp, três das principais rodovias que dão acesso à cidade de Campinas estão com o solo contaminado por materiais potencialmente tóxicos, como cromo e chumbo.
A oração subordinada destacada no texto acima classifica-se como
Provas
Questão presente nas seguintes provas
2543014
Ano: 2017
Disciplina: Engenharia de Telecomunicações
Banca: DIRENS Aeronáutica
Orgão: EEAr
Disciplina: Engenharia de Telecomunicações
Banca: DIRENS Aeronáutica
Orgão: EEAr
Provas:
Para melhorar a seletividade de um rádio FM deve-se considerar as características de qual circuito ou componente que compõe o equipamento?
Provas
Questão presente nas seguintes provas
Quanto à classificação das orações subordinadas substantivas, relacione as colunas. Em seguida, assinale a alternativa com a sequência correta.
1 – objetiva direta
2 – completiva nominal
3 – subjetiva
( ) Todos sabem onde ocorreu o desastre.
( ) Sabe-se que o preço da cesta básica aumentará em 2017.
( ) Durante a noite, Riobaldo teve a sensação de que alguém o fitava.
( ) Convém que conheçamos o plano de governo do futuro prefeito.
Provas
Questão presente nas seguintes provas
Qual é o parâmetro assinalado por !$ α !$ no diagrama de irradiação abaixo?

Provas
Questão presente nas seguintes provas
Analise o circuito e assinale a alternativa correta.

Provas
Questão presente nas seguintes provas
Qual a forma de onda da tensão de saída do circuito da figura abaixo, considerando !$ V_1 !$ igual a 2Vpp?

Provas
Questão presente nas seguintes provas
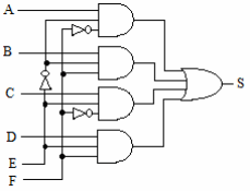
O circuito abaixo é composto por portas lógicas da mesma família, porém de quatro séries diferentes: FLA, ISA, VIR e JOC. Cada uma das séries apresenta os mesmos tipos de portas. Analise as informações e assinale a alternativa correta.

Provas
Questão presente nas seguintes provas
Assinale a alternativa em que os termos destacados estão corretamente classificados.
Provas
Questão presente nas seguintes provas
Leia:
“Um vento furioso, atrevido e vociferante provocava fantasmagóricos redemoinhos de areia enquanto o faraó Tutankhamon era retirado de seu local de repouso na antiga necrópole egípcia conhecida como Vale dos Reis.”
Assinale a alternativa em que não aparece a mesma figura de linguagem presente no trecho destacado.
Provas
Questão presente nas seguintes provas
Qual das alternativas abaixo apresenta um comportamento de um circuito série RLC quando a frequência aplicada à sua entrada está abaixo do valor de sua ressonância?
Provas
Questão presente nas seguintes provas
Cadernos
Caderno Container