Foram encontradas 100 questões.
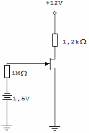
No circuito básico abaixo, determine o valor mais próximo da corrente IB.
!$ \mathsf{\beta_D=16000} !$
VBE = 1,6V (0,8V por junção Base-Emissor)

Provas
Questão presente nas seguintes provas
2428882
Ano: 2012
Disciplina: Engenharia de Telecomunicações
Banca: DIRENS Aeronáutica
Orgão: EEAr
Disciplina: Engenharia de Telecomunicações
Banca: DIRENS Aeronáutica
Orgão: EEAr
Provas:
Assinale a alternativa que completa corretamente a lacuna do texto a seguir.
O processo de transferência de sinais de informação para uma portadora de alta frequência é denominado .
Provas
Questão presente nas seguintes provas
A GUERRA DO PLÁSTICO
Só 5% do plástico produzido pela indústria petroquímica mundial desde os anos 1930 foi incinerado. O restante continua em algum lugar do planeta. Grande parte desse plástico se acumula em aterros sanitários e lixões. Outra parte cai nos bueiros, é arrastada pelos rios até os oceanos, onde se acumula em bizarras ilhas flutuantes. Espécies ameaçadas como as tartarugas marinhas confundem o plástico com algas e, ao comê-lo, morrem asfixiadas.
Uma das maiores iniciativas para lidar com essa tragédia ambiental é a adoção dos plásticos biodegradáveis. Eles foram desenvolvidos a partir dos anos 1990 por gigantes da indústria petroquímica. Trata-se de plásticos que se decompõem sob a ação do sol, da umidade ou do ar, em prazos que variam de poucos meses até cinco anos. O tipo mais usado é o oxibiodegradável, que se decompõe em cerca de 18 meses. Em contato com o ar, ele se desmancha em bilhões de partículas invisíveis. Com a disseminação mundial do discurso de proteção à natureza, o uso dos biodegradáveis começou a crescer no comércio, especialmente como sacolas de supermercado. Mas alguns estudos recentes contestam a eficácia do plástico oxibiodegradável – justamente o mais usado por causa do curto tempo de decomposição. Joseph Greene, um pesquisador da Universidade da Califórnia, testou a decomposição desses produtos e concluiu que a biodegradação não é uma solução definitiva. Alguns plásticos foram absorvidos pelo meio ambiente, mas outros viraram pó, sem ser consumidos por bactérias e fungos.
Para Sílvia Rolim, do Instituto Socioambiental dos Plásticos, a melhor forma de proteger o ambiente é produzir plásticos mais resistentes. Assim, eles seriam reutilizados ou reciclados. Está aí um debate que pode durar décadas.
(FERREIRA Thaís, Revista Época, janeiro, 2009-adaptado)
O texto tem como objetivo
Provas
Questão presente nas seguintes provas
Apresentado o circuito abaixo, indique o valor de Vds.
Dado: Idss= 12 mA e Vp= - 4 V
!$ \mathsf{I_d=I_{dss}.\left ( 1-\dfrac{V_{gs}}{V_p} \right )^2} !$

Provas
Questão presente nas seguintes provas
Qual o nome dado ao circuito abaixo?

Provas
Questão presente nas seguintes provas
Sabe-se que muitas calculadoras e computadores usam o código BCD para representar números decimais. Calcule e apresente o resultado, em BCD, da adição dos números decimais 8 e 5.
Provas
Questão presente nas seguintes provas
Assinale a alternativa em que o emprego das vírgulas causa duplo sentido na frase.
Provas
Questão presente nas seguintes provas
Marque V (Verdadeiro) ou F (Falso) e, em seguida, assinale a alternativa que contém a sequência correta.
( ) Em um semicondutor tipo P, os elétrons excedem em número as lacunas, por isso são chamados portadores majoritários.
( ) Quanto mais larga a camada de depleção, maior será a diferença de potencial.
( ) No diodo diretamente polarizado, o valor de tensão na qual a corrente começa a diminuir rapidamente é chamado de tensão de joelho do diodo.
Provas
Questão presente nas seguintes provas
Assinale a alternativa que completa corretamente a lacuna a seguir:
ABC16 + = C6F16
Provas
Questão presente nas seguintes provas
2427838
Ano: 2012
Disciplina: Engenharia de Telecomunicações
Banca: DIRENS Aeronáutica
Orgão: EEAr
Disciplina: Engenharia de Telecomunicações
Banca: DIRENS Aeronáutica
Orgão: EEAr
Provas:
Relacione as colunas e, em seguida, assinale a alternativa que contém a sequência correta.
| 1- É um dos métodos de fabricação de fibras ópticas. | ( ) Abertura numérica |
| 2- Parâmetro que indica a capacidade para captar a luz de um determinado cabo de fibra óptica. | ( ) Refração |
|
3- Mudança de direção que experimenta a luz quando passa de um meio para outro de diferente
densidade.
|
( ) Duplo cadinho |
|
4- São intervalos de frequências apresentados por alguns materiais, onde a luz viaja por elas com
maior facilidade que em outras frequências.
|
( ) Janelas ópticas |
Provas
Questão presente nas seguintes provas
Cadernos
Caderno Container