Foram encontradas 640 questões.
Com relação ao anódio giratório, podemos afirmar que
Provas
Questão presente nas seguintes provas
Dadas as curvas de níveis e suas respectivas áreas, calcule o volume entre as curvas 35 e 40, levando em consideração as curvas de nível intermediárias. Em seguida, assinale a alternativa que contém a resposta correta.

Área das curvas de nível:
A35 = 54m²
A36 = 46m²
A37 = 34m²
A38 = 26m²
A39 = 14m²
A40 = 6m²
Provas
Questão presente nas seguintes provas
Dada a figura abaixo, calcule a distância horizontal X, do eixo da estrada ao ponto A. Em seguida, assinale a alternativa que contém a resposta correta.

Provas
Questão presente nas seguintes provas
No exame de ressonância magnética, a seqüência que utiliza múltiplos pulsos de 180 graus para um mesmo corte, reduzindo o tempo de aquisição das imagens, denomina-se
Provas
Questão presente nas seguintes provas
2266644
Ano: 2010
Disciplina: TI - Sistemas Operacionais
Banca: DIRENS Aeronáutica
Orgão: EEAr
Disciplina: TI - Sistemas Operacionais
Banca: DIRENS Aeronáutica
Orgão: EEAr
Provas:
- Fundamentos de Sistemas OperacionaisDrivers de Dispositivos
- Fundamentos de Sistemas OperacionaisGerenciamento de Recursos de Hardware
Uma forma de se obter rapidamente uma lista de periféricos do sistema no Linux é usando o comando:
Provas
Questão presente nas seguintes provas
Analise as afirmativas e marque V (verdadeiro) e F (falso).
Depois, assinale a alternativa que apresenta a seqüência correta.
( ) Ao se diminuir a relação água/cimento na confecção de um concreto, as propriedades desse concreto endurecido também melhoram.
( ) A relação água/cimento não tem qualquer ligação com propriedades do concreto endurecido.
( ) Quanto mais água é adicionada à mistura de um concreto, maior será a sua resistência à compressão.
Provas
Questão presente nas seguintes provas
O exame de rotina do líquor deve compreender os seguintes dados, exceto
Provas
Questão presente nas seguintes provas
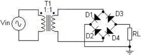
O circuito abaixo fornece em sua saída uma tensão retificada em

Provas
Questão presente nas seguintes provas
2266637
Ano: 2010
Disciplina: Administração Financeira e Orçamentária
Banca: DIRENS Aeronáutica
Orgão: EEAr
Disciplina: Administração Financeira e Orçamentária
Banca: DIRENS Aeronáutica
Orgão: EEAr
Provas:
Quais desses créditos adicionais são destinados a reforço de dotação orçamentária?
Provas
Questão presente nas seguintes provas
Assinale a alternativa que completa correta e respectivamente as lacunas do texto a seguir.
Na contagem global de leucócitos, o sangue é diluído com o líquido diluidor que hemolisa as hemácias e cora o núcleo dos leucócitos pela ação do corante azul de .
Provas
Questão presente nas seguintes provas
Cadernos
Caderno Container