Foram encontradas 520 questões.
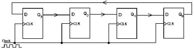
Considere que as saídas do circuito abaixo sejam inicialmente !$ Q_0 = 1 !$ e !$ Q_1 = Q_2 = Q_3 = 0 !$. Após 3 pulsos de clock, os níveis lógicos das saídas !$ Q_3, Q_2, Q_1 !$ e !$ Q_0 !$ serão, respectivamente:

Provas
Questão presente nas seguintes provas
Marque (1) para Lobo frontal, (2) para Lobo parietal, (3) para Lobo temporal e (4) para Lobo Insular e, a seguir, assinale a alternativa que apresenta a sequência correta.
( ) Controle motor voluntário dos músculos esqueléticos, personalidade, processos intelectuais mais elevados e comunicação verbal.
( ) Memória e integração com outras atividades cerebrais.
( ) Interpretação somatestésica e compreensão da fala.
( ) Interpretação das sensações auditivas, memória de experiências auditivas e visuais.
Provas
Questão presente nas seguintes provas
A incidência para estudo de perfil glenoidiano (incidência de Bernageau) é utilizada como complementar no estudo radiográfico da escápula e indicada para o estudo da cabeça e colo da escápula. Nesta incidência o raio central incide com uma inclinação de
Provas
Questão presente nas seguintes provas
Se uma corrente de 3A passar através de um medidor durante 1 minuto, quantos Coulombs passam pelo medidor?
Provas
Questão presente nas seguintes provas
Num ressonador, campos gradientes são adicionados ao longo dos três eixos físicos do equipamento. O gradiente responsável pela seleção do corte é denominado gradiente
Provas
Questão presente nas seguintes provas
A função máximo presente no BrOffice.org-Calc, quando utilizada em um intervalo que contenha células numéricas e não- numéricas, as não- numéricas para fins de cálculo.
Provas
Questão presente nas seguintes provas
Assinale a alternativa que completa correta e respectivamente as lacunas do texto a seguir.
Para a medição da consistência do concreto, podemos utilizar o método de ensaios de abatimento, e neste método utilizamos um molde de chapa metálica, com forma de tronco de cone, apoiado numa superfície rígida. No ensaio, o concreto fresco é moldado em camadas iguais, adensadas, cada uma com golpes, por uma barra de 16 mm de diâmetro e 60 cm de comprimento.
Provas
Questão presente nas seguintes provas
Assinale a alternativa que não apresenta um seio paranasal.
Provas
Questão presente nas seguintes provas
1954646
Ano: 2009
Disciplina: Engenharia de Telecomunicações
Banca: DIRENS Aeronáutica
Orgão: EEAr
Disciplina: Engenharia de Telecomunicações
Banca: DIRENS Aeronáutica
Orgão: EEAr
Provas:
As figuras abaixo mostram dois tipos de fibras ópticas.
Assinale a alternativa que identifica as fibras I e II respectivamente.

Provas
Questão presente nas seguintes provas
Assinale a alternativa que completa corretamente a lacuna do texto a seguir.
Para o ensaio de resistência à compressão do concreto, há a necessidade da coleta de amostras de concreto para compor os corpos-de-prova. Serão moldados no mesmo ato corpos- de- prova por massada, para cada idade de ruptura.
Provas
Questão presente nas seguintes provas
Cadernos
Caderno Container