Magna Concursos

Foram encontradas 100 questões.

2001731 Ano: 2009
Disciplina: Engenharia Eletrônica
Banca: DIRENS Aeronáutica
Orgão: EEAr
Provas:
Dentre os diversos tipos de memória ROM, qual delas pode ser apagada eletricamente?
 

Provas

Questão presente nas seguintes provas
2001723 Ano: 2009
Disciplina: Engenharia Elétrica
Banca: DIRENS Aeronáutica
Orgão: EEAr
Provas:
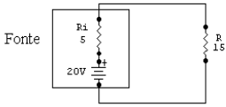
Calcule, no circuito abaixo, o valor da perda de potência existente na transferência da tensão da fonte para um resistor de carga de 15!$ \Omega !$ e assinale a alternativa correta.
Considere os valores dos resistores em !$ \Omega !$.
Enunciado 2813132-1
 

Provas

Questão presente nas seguintes provas
1993796 Ano: 2009
Disciplina: Português
Banca: DIRENS Aeronáutica
Orgão: EEAr
Coloque (R) regular e (I) irregular nos parênteses abaixo, de acordo com a classificação do verbo destacado. A seguir, assinale a alternativa com a seqüência correta.
( ) Diga-me uma coisa, mas fale a verdade, não quero disfarce.
( ) Sempre folheio um livro, uma revista, antes de levá-los para casa.
( ) Se ele trouxesse os relatórios, nós pensaríamos no projeto.
( ) A saudade é como Sol no Inverno: ilumina sem aquecer.
 

Provas

Questão presente nas seguintes provas
1993793 Ano: 2009
Disciplina: Engenharia de Telecomunicações
Banca: DIRENS Aeronáutica
Orgão: EEAr
Provas:
Os principais parâmetros que determinam as características de transmissão da luz através da fibra óptica são
 

Provas

Questão presente nas seguintes provas
1982867 Ano: 2009
Disciplina: Engenharia Eletrônica
Banca: DIRENS Aeronáutica
Orgão: EEAr
Provas:
Qual a freqüência, em Hertz, da forma de onda apresentada na figura abaixo?
Enunciado 2807189-1
 

Provas

Questão presente nas seguintes provas
1981645 Ano: 2009
Disciplina: Português
Banca: DIRENS Aeronáutica
Orgão: EEAr
Assinale a alternativa que apresenta somente discurso direto.
 

Provas

Questão presente nas seguintes provas
1981571 Ano: 2009
Disciplina: Engenharia Eletrônica
Banca: DIRENS Aeronáutica
Orgão: EEAr
Provas:
Conversores do tipo rampa digital, aproximações sucessivas, flash e modulação sigma/delta fazem conversão de
 

Provas

Questão presente nas seguintes provas
1981143 Ano: 2009
Disciplina: Engenharia Eletrônica
Banca: DIRENS Aeronáutica
Orgão: EEAr
Provas:
Determine o ganho de tensão do amplificador operacional da figura abaixo.
Enunciado 2794522-1
 

Provas

Questão presente nas seguintes provas
1981139 Ano: 2009
Disciplina: Engenharia Eletrônica
Banca: DIRENS Aeronáutica
Orgão: EEAr
Provas:
Para o MUX abaixo, qual será o valor na saída Y, quando as variáveis de seleção forem S0=1, S1=1 e S2=1?
Obs.: Considere a entrada I7 como a mais significativa e a entrada I0 como a menos significativa.
Enunciado 2792803-1
 

Provas

Questão presente nas seguintes provas
1979758 Ano: 2009
Disciplina: Engenharia Eletrônica
Banca: DIRENS Aeronáutica
Orgão: EEAr
Provas:
Aplicando-se um potencial externo “V”, através da junção P-N, em que o terminal positivo é conectado ao material tipo “N” e o terminal negativo é ligado ao material tipo “P”, o que ocorrerá?
 

Provas

Questão presente nas seguintes provas