Foram encontradas 1.510 questões.
A dinâmica dos movimentos de máquinas e equipamentos merece muita atenção, pois pode afetar decisivamente os custos e o sucesso funcional. Partes móveis de máquinas que possuam grande inércia, ou grande massa, acarretarão
Provas
Questão presente nas seguintes provas
O domínio das unidades de medidas de grandezas físicas é essencial para relacionamento entre grandezas, nas análises e projetos em geral. A relação entre viscosidade dinâmica (μ) de um fluido e viscosidade cinemática (ν) do mesmo fluido é dada pela expressão μ = ρ · ν, onde ρ é a massa específica do fluido. Considerando-se [ν] em [m2 / s] e [ρ] em [kg / m3], a unidade de viscosidade dinâmica mais coerente, pode ser dada por
Provas
Questão presente nas seguintes provas
Um “Processo de medição” envolve um conjunto de fatores. Sem sua clara definição, o sucesso da medição ficará em risco e as consequências podem ser danosas. Existem medições nas quais os valores almejados (mensurandos) dependem de operações matemáticas que envolvem duas ou mais medidas associadas a grandezas de entrada. Existem também medições nas quais os valores almejados já são naturalmente indicados pelos sistemas de medição. Nesse contexto, considere: (I) a área de um estacionamento retangular a ser asfaltado; (II) o diâmetro de um eixo obtido por meio de um paquímetro; (III) o valor da tensão elétrica de uma bateria por meio de um voltímetro digital; (IV) o valor a resistência de um componente eletrônico por meio da queda de tensão e da corrente elétrica que passa por ele.
É correto dizer que são coerentes com medições indiretas os casos
Provas
Questão presente nas seguintes provas
Sobre a concentração de tensões a ser considerada no dimensionamentos dos projetos mecânicos, é correto afirmar que
Provas
Questão presente nas seguintes provas
Deseja-se medir diretamente num duto de ventilação industrial o valor da velocidade do escoamento de um fluido compressível, nesse caso o ar. Como a velocidade do ar vale cerca de 10% da velocidade do som, ele comporta-se como incompressível. Sem depender de montagem trabalhosa ou da instalação de outros dispositivos de medição, acessando diretamente o fluxo de ar, é correto citar como um meio mais prático e simples
Provas
Questão presente nas seguintes provas
É correto afirmar, a respeito dos aços e ferros fundidos, que o teor de Carbono
Provas
Questão presente nas seguintes provas
Considere as seguintes propriedades dos materiais de: (I) de recuperar a forma original logo que cessa o esforço; (II) de deixarem-se deformar permanentemente sem sofrer rupturas; (III) de absorver energias até a ruptura, incluindo deformações elásticas e plásticas. As denominações Plasticidade, Tenacidade e Elasticidade, correspondem, respectivamente, às propriedades
Provas
Questão presente nas seguintes provas
Considere o circuito a seguir:

É correto afirmar que o sinal Vo em relação ao sinal Vi apresenta
Provas
Questão presente nas seguintes provas
Considere o circuito de filtro ativo a seguir:

É correto afirmar que esse filtro se comportará como
Provas
Questão presente nas seguintes provas
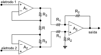
O circuito a seguir é conhecido como amplificador de instrumentação. Suponha que: R = 10 kΩ, R1 = 120 kΩ, R2 = 240 kΩ e R3 = 3 kΩ.

Se fosse aplicada uma diferença de potencial entre os eletrodos 1 e 2, qual seria o ganho da amplificação na saída?
Provas
Questão presente nas seguintes provas
Cadernos
Caderno Container