Foram encontradas 1.168 questões.

Provas
Provas
- Materiais de Construção MecânicaEnsaios Mecânicos e Tratamentos Térmicos
- Materiais de Construção MecânicaPropriedades e Comportamentos dos Materiais
Provas
Provas
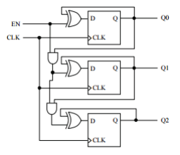
- Álgebra Booleana e Circuitos Lógicos
- Contadores em Engenharia Eletrônica
- Eletrônica Digital na Engenharia Eletrônica

Provas
A operação de números puros a seguir resulta no indicado na alternativa:
[ (371)8 + (12A)16 + (45)10 + (100110)2 ]
Provas

Provas
Utilize o enunciado a seguir para responder a questão. O experimento consiste na análise de parâmetros de um transformador abaixador de tensão que tem em sua montagem a razão de espiras de 35.000 para 350. Seu primário se encontra ligado a uma linha de tensão de 22.000 V
Ainda com base no enunciado e na carga de 20 ohm
conectada no secundário, a corrente do primário e a
potência de saída valem aproximadamente o descrito
na alternativa:
Provas
A resistência elétrica de um condutor (em ohms) é, diretamente, proporcional ao comprimento (em metros) e à resistividade do mesmo (em ohms x metros) e, inversamente, proporcional à área da seção transversal (em metros quadrados). Podemos também afirmar que a resistividade de um material (em ohms x metros) é, diretamente, proporcional à sua resistência elétrica (em ohms) e à sua seção transversal (em metros quadrados) é, inversamente, proporcional ao seu comprimento (em metros). As duas fórmulas que apresentam essas informações são apresentadas abaixo:
R = L x ρ / S (1)
ρ = R x S / L (2)
onde:
R = resistência elétrica (em ohms)
L = comprimento (em metros)
ρ (letra grega Rô) = resistividade do condutor (em ohms x metros)
S = seção transversal (em metros quadrados) Vários materiais são apresentados abaixo com suas respectivas resistividades:
Material Resistividade (Ωxm) à 20ºC
Prata.............................. 1,6 x 10-8
Cobre..............................1,7 x 10-8
Ouro................................2,3 x 10-8
Alumínio..........................2,8 x 10-8
Tungstênio......................4,9 x 10-8
Platina.............................10,8 x 10-8
Ferro...............................11.0 x 10-8
Nicromo...........................110 x 10-8
A partir desses dados, podemos calcular qual será a resistência de um fio de cobre, por exemplo, na temperatura de 20ºC, cuja seção transversal é de 2,5 mm2 e cujo comprimento é 100 m. Portanto, o valor encontrado para a resistência do fio de cobre é de:Provas
Provas
Caderno Container