Magna Concursos

Foram encontradas 1.168 questões.

581222 Ano: 2016
Disciplina: Engenharia Mecânica
Banca: IBFC
Orgão: EBSERH
Provas:
Utilize o desenho a seguir para responder a questão. A figura apresenta um conjunto engrenagem x cremalheira. A cremalheira está sobre a engrenagem e também fixa ao bloco D. O diâmetro da engrenagem é de 150 mm, e num determinado momento, a velocidade angular da engrenagem vale 15 rotações por minuto (Sentido anti-horário). Mediu-se o ângulo alfa, e obteve-se 20º.
enunciado 581222-1
Ainda com base no conjunto, neste instante a velocidade angular da engrenagem vale aproximadamente o descrito na alternativa:
Questão Anulada

Provas

Questão presente nas seguintes provas
581218 Ano: 2016
Disciplina: Engenharia Mecânica
Banca: IBFC
Orgão: EBSERH
Provas:
Utilize o desenho a seguir para responder a questão. A figura apresenta um conjunto engrenagem x cremalheira. A cremalheira está sobre a engrenagem e também fixa ao bloco D. O diâmetro da engrenagem é de 150 mm, e num determinado momento, a velocidade angular da engrenagem vale 15 rotações por minuto (Sentido anti-horário). Mediu-se o ângulo alfa, e obteve-se 20º.
enunciado 581218-1
Com base no exposto a velocidade angular do bloco D vale aproximadamente descrito na alternativa:
Questão Anulada

Provas

Questão presente nas seguintes provas
581215 Ano: 2016
Disciplina: Engenharia Eletrônica
Banca: IBFC
Orgão: EBSERH
Provas:

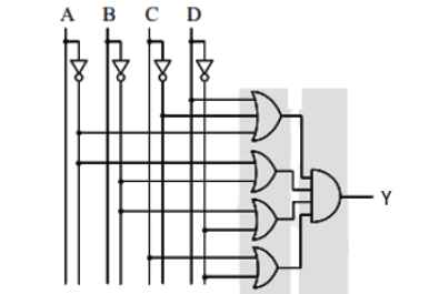
A função Y do circuito digital abaixo está corretamente descrita na alternativa:

enunciado 581215-1

Questão Anulada

Provas

Questão presente nas seguintes provas
581195 Ano: 2016
Disciplina: Engenharia Elétrica
Banca: IBFC
Orgão: EBSERH
Provas:

Analise as afirmativas abaixo, dê valores Verdadeiro (V) ou Falso (F), tendo como base o tema motor de indução com rotor em gaiola.


( ) Alterando o número de polos do enrolamento do estator.

( ) Alterando a tensão aplicada ao estator.

( ) Alterando a resistência variável do circuito do rotor.

Assinale a alternativa que apresenta a sequência correta de cima para baixo.

Questão Anulada

Provas

Questão presente nas seguintes provas
581175 Ano: 2016
Disciplina: Engenharia Elétrica
Banca: IBFC
Orgão: EBSERH
Provas:
Assinale a alternativa que apresenta a velocidade síncrona do motor:
Questão Anulada

Provas

Questão presente nas seguintes provas
581171 Ano: 2016
Disciplina: Engenharia Elétrica
Banca: IBFC
Orgão: EBSERH
Provas:
Assinale a alternativa que completa correta e respectivamente as lacunas. As lâmpadas ______________ foram especificamente desenvolvidas para iluminação da mesa de operações. Devido ao seu revestimento infravermelho e gás de enchimento ________________ podem produzir mais luz na luminária, e no sistema óptico. Adicionalmente, o revestimento em infravermelho reduz o montante de calor emitido pelas lâmpadas, uma vez que muito deste calor é refletido de volta para o filamento. Estes resultados aumentam a eficiência da lâmpada.
Questão Anulada

Provas

Questão presente nas seguintes provas
581166 Ano: 2016
Disciplina: Engenharia Elétrica
Banca: IBFC
Orgão: EBSERH
Provas:
Avalie o circuito filtro passa-baixo não inversor (1ª. Ordem) a seguir e assinale a alternativa que indique respectivamente o ganho de tensão e a frequência de corte. enunciado 581166-1
Questão Anulada

Provas

Questão presente nas seguintes provas
581164 Ano: 2016
Disciplina: Engenharia Elétrica
Banca: IBFC
Orgão: EBSERH
Provas:
Assinale a alternativa que indica a tensão induzida numa condição de carga plena.
Questão Anulada

Provas

Questão presente nas seguintes provas
581157 Ano: 2016
Disciplina: Engenharia Elétrica
Banca: IBFC
Orgão: EBSERH
Provas:
Você está avaliando as características de um fio condutor e, para isso, dispõe de alguns aparelhos de medição. Primeiramente você verifica a tensão aplicada nas extremidades deste fio e constata 110 V. Na sequência, você mede a corrente com um amperímetro (ideal) e obtém o valor de 10 A. Com o auxílio de um micrômetro você mede o diâmetro do fio e obtém o valor de 0,84 mm. Sabe-se que o comprimento total do fio é de 10 m. Com base nos dados apresentados, o valor da resistividade do material que constitui o fio está aproximadamente descrito na alternativa:
Questão Anulada

Provas

Questão presente nas seguintes provas
581118 Ano: 2016
Disciplina: Engenharia Civil
Banca: IBFC
Orgão: EBSERH
Provas:

Isolamento acústico é a propriedade dos materiais de impedir que as ondas sonoras passem de um ambiente para outro, porém os materiais possuem capacidades diferentes para impedir essa passagem de som, quanto mais denso o material, maior será o seu poder de absorção acústica. Classifique em Verdadeiro (V) ou Falso (F) no que se refere aos produtos utilizados para isolamento acústico na construção civil:

( ) Lãs de vidro e de rocha.

( ) Madeira.

( ) Borracha Sintética (EPDM).

( ) Espumas acústicas.

( ) Painel Wall.

( ) Placas de cortiça.

( ) Espuma de celulose.

( ) Tecido.

Assinale a alternativa que apresente, de cima para baixo, a sequência correta:
Questão Anulada

Provas

Questão presente nas seguintes provas