Foram encontradas 2.574 questões.
Utilize o circuito elétrico a seguir para responder a questão.

A potência em que dissipa no resistor R3 vale o especificado na alternativa:
Provas
Questão presente nas seguintes provas
O Transtorno Dismorfico Corporal (TDC.) ainda é pouco identificado pelos profissionais de saúde em geral. A respeito dele, assinale a alternativa correta:
Provas
Questão presente nas seguintes provas
Assinale a alternativa correta. De acordo com o Anexo I da NR 17, todos os trabalhadores envolvidos com o trabalho de operador de checkout devem receber treinamento, com:
Provas
Questão presente nas seguintes provas
Assinale a alternativa correta. Considerando a NR 32, o PPRA em serviços de saúde, deve contemplar:
Provas
Questão presente nas seguintes provas
Considerando a radioproteção em Medicina Nuclear, é incorreto afirmar que:
Provas
Questão presente nas seguintes provas
De acordo com Decreto no 94.406/87, que regulamenta a Lei nº 7.498, de 25 de junho de 1986, que dispõe sobre o exercício da Enfermagem, e dá outras providências, assinale a alternativa correta.
Provas
Questão presente nas seguintes provas
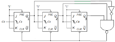
Analise o circuito sequencial a seguir e assinale a alternativa em que momento a entrada Clear é utilizada para ajustar o sistema em seu reinício valendo Q1 = 0, Q2 = 0 e Q3 = 0.

Provas
Questão presente nas seguintes provas
Analise as alternativas abaixo e assinale a que é obrigatória de acordo a NR 18, no que se refere à área de vivência em canteiros de obras.
Provas
Questão presente nas seguintes provas
De acordo com a NR 24, O treinamento de CIPA em primeiro mandato será realizado no prazo máximo de:
Assinale a alternativa correta.
Provas
Questão presente nas seguintes provas
As madeiras indicadas para serem utilizadas em edificações de multipavimentos são as que apresentam massa específica superior a 500 kg/m3, havendo ainda as mais resistentes com massa específica, variando na ordem de 800 kg/m3 a 1.000 kg/m3:
Assinale a alternativa INCORRETA:
Provas
Questão presente nas seguintes provas
Cadernos
Caderno Container