Foram encontradas 50 questões.
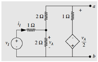
A resistência equivalente de Thévenin entre os terminais a e b, do circuito da figura a seguir, é aproximadamente igual a

Provas
Questão presente nas seguintes provas
Os resultados apresentados na tabela a seguir foram obtidos após testes realizados em um transformador monofásico de 10 kVA, 2200/220 V, 60 Hz. O valor da perda no cobre a ¾ da potência nominal será, aproximadamente, igual a
| Teste de circuito aberto | Teste de curto-circuito | |
| Voltímetro | 220 V | 150 V |
| Amperímetro | 2,5 A | 4,55 A |
| Waltímetro | 100 W | 215 W |
Provas
Questão presente nas seguintes provas
A expressão simplificada de !$ Z = AB\overline C + A\overline {B}\ \overline {C} + \overline {A}BC !$ é igual
Provas
Questão presente nas seguintes provas
Sendo a constante de tempo igual 250 ms, a transformada de Fourier da função f(t) da figura a seguir é igual a

Provas
Questão presente nas seguintes provas
Tem-se um anel uniformemente carregado com carga q, cujo centro está localizado a uma distância a em relação a um ponto P qualquer de seu eixo de simetria, conforme ilustra a figura a seguir. Caso o raio R do anel seja muito maior que a distância do seu centro ao ponto P, é correto afirmar que o campo elétrico produzido pelo anel no ponto P é igual a

Provas
Questão presente nas seguintes provas
Pesquisa: 37% dos obesos atribuem sobrepeso ao
estresse
Luana Almeida
Considerado o grande mal do século, o estresse, atualmente, é apontado pela comunidade médica como o grande causador de doenças graves, como depressão, alergias, infecções, asma, bronquite, gastrite e câncer.
Em levantamento comportamental realizado pela agência de pesquisa Resulta CNP para a empresa farmacêutica Allergan/Divisão Health, o estresse aparece também como o grande inimigo de quem está acima do peso.
A pesquisa, realizada por meio de entrevistas com mil pessoas de cinco cidades brasileiras - Salvador, Porto Alegre, São Paulo, Rio de Janeiro e Goiânia -, revelou que o estresse foi o maior influenciador do sobrepeso e obesidade em 37% dos entrevistados.
Nesse universo, as mulheres foram as que mais relacionaram o estresse ao ganho de peso (37,6%). Em porcentagem um pouco menor, aparecem os homens, com 35,8% das respostas.
De acordo com a psicóloga especializada em terapia cognitiva comportamental pela Universidade de São Paulo (USP) e em transtornos alimentares pela Universidade Federal de São Paulo (Unifesp) Marilice Rubbo de Carvalho, o estresse configura-se, hoje, não apenas como o causador do sobrepeso, mas como um dos maiores agravantes do quadro da obesidade.
“Poucas pessoas sabem, mas o estresse tem ligação direta com a ansiedade. Por conta da correria e das dificuldades diárias, as pessoas ficam mais ansiosas, e muitas têm no hábito de comer uma forma de fuga. Por isso, acabam comendo muito e de forma equivocada, o que contribui para o aumento de peso, que, muitas vezes, foge do controle até alcançar a obesidade”, explicou.
Na opinião da psicóloga, a relação psicossocial dos indivíduos com o problema se entrelaça, também, para a dificuldade na adesão de um tratamento efetivo, eficaz e de longo prazo.
“A motivação para um tratamento é algo que oscila, sobretudo em pacientes com alto grau de estresse. As pessoas estressadas costumam transformar a satisfação em constante irritação. Isso dificulta na progressão de uma reeducação alimentar ou de uma regularidade nos exercícios físicos, primordiais no tratamento da obesidade”, disse.
Trabalho - No levantamento, 25% dos entrevistados apontaram, também, o trabalho como causador do ganho de peso. Nesse caso, os homens são maioria, com 34%. Já as mulheres chegam apenas a 15%.
Para a nutricionista Valéria Soares, dificuldades no emprego, além da relação difícil com colegas de trabalho e chefia têm relação com o desencadeamento do estresse, consequentemente, com um aumento gradativo de peso.
Foi justamente o estresse, aliado a exaustiva carga horária do trabalho, o responsável por grandes mudanças na vida da empresária Marta Oliveira Santos, 37.
Em janeiro de 2007, Marta foi surpreendida por dores na coluna que o levaram ao internamento por seis vezes. Na época, a empresária chegava a trabalhar 16 horas por dia.
Após realizar uma série de exames e passar por quase uma dezena de médicos e se deparar com diagnósticos imprecisos, Marta decidiu procurar um psiquiatra, que concluiu que a empresária apresentava sintomas de estresse.
A partir daí, a empresária, que pesava 68 quilos e se considerava “sarada”, ganhou cerca de 30 quilos em apenas sete meses. “Como sentia muitas dores, comecei a comer como forma de compensar o sofrimento. Comecei a ganhar peso de forma desenfreada e abandonei o tratamento, pois acreditava que os calmantes eram os responsáveis por me tornar obesa e compulsiva”, disse.
Após dois anos lutando contra a balança e alternando dietas mirabolantes, Marta retomou o tratamento psiquiátrico e incorporou na sua rotina exercícios físicos, massagens relaxantes e ioga. Dessa forma, conseguiu emagrecer 22 quilos e, hoje, diz estar satisfeita com seu corpo.
“Hoje, me sinto melhor e mais saudável. Reduzi minhas horas de trabalho e faço exercícios. Hoje, sou mais calma, mais feliz com minhas novas atribuições”, contou.
Fonte: http://atarde.uol.com.br/materias/imprimir/1516614
“Marta decidiu procurar um psiquiatra, que concluiu que a empresária apresentava sintomas de estresse.”
Com relação ao excerto, assinale a alternativa INCORRETA.
Provas
Questão presente nas seguintes provas
Pesquisa: 37% dos obesos atribuem sobrepeso ao
estresse
Luana Almeida
Considerado o grande mal do século, o estresse, atualmente, é apontado pela comunidade médica como o grande causador de doenças graves, como depressão, alergias, infecções, asma, bronquite, gastrite e câncer.
Em levantamento comportamental realizado pela agência de pesquisa Resulta CNP para a empresa farmacêutica Allergan/Divisão Health, o estresse aparece também como o grande inimigo de quem está acima do peso.
A pesquisa, realizada por meio de entrevistas com mil pessoas de cinco cidades brasileiras - Salvador, Porto Alegre, São Paulo, Rio de Janeiro e Goiânia -, revelou que o estresse foi o maior influenciador do sobrepeso e obesidade em 37% dos entrevistados.
Nesse universo, as mulheres foram as que mais relacionaram o estresse ao ganho de peso (37,6%). Em porcentagem um pouco menor, aparecem os homens, com 35,8% das respostas.
De acordo com a psicóloga especializada em terapia cognitiva comportamental pela Universidade de São Paulo (USP) e em transtornos alimentares pela Universidade Federal de São Paulo (Unifesp) Marilice Rubbo de Carvalho, o estresse configura-se, hoje, não apenas como o causador do sobrepeso, mas como um dos maiores agravantes do quadro da obesidade.
“Poucas pessoas sabem, mas o estresse tem ligação direta com a ansiedade. Por conta da correria e das dificuldades diárias, as pessoas ficam mais ansiosas, e muitas têm no hábito de comer uma forma de fuga. Por isso, acabam comendo muito e de forma equivocada, o que contribui para o aumento de peso, que, muitas vezes, foge do controle até alcançar a obesidade”, explicou.
Na opinião da psicóloga, a relação psicossocial dos indivíduos com o problema se entrelaça, também, para a dificuldade na adesão de um tratamento efetivo, eficaz e de longo prazo.
“A motivação para um tratamento é algo que oscila, sobretudo em pacientes com alto grau de estresse. As pessoas estressadas costumam transformar a satisfação em constante irritação. Isso dificulta na progressão de uma reeducação alimentar ou de uma regularidade nos exercícios físicos, primordiais no tratamento da obesidade”, disse.
Trabalho - No levantamento, 25% dos entrevistados apontaram, também, o trabalho como causador do ganho de peso. Nesse caso, os homens são maioria, com 34%. Já as mulheres chegam apenas a 15%.
Para a nutricionista Valéria Soares, dificuldades no emprego, além da relação difícil com colegas de trabalho e chefia têm relação com o desencadeamento do estresse, consequentemente, com um aumento gradativo de peso.
Foi justamente o estresse, aliado a exaustiva carga horária do trabalho, o responsável por grandes mudanças na vida da empresária Marta Oliveira Santos, 37.
Em janeiro de 2007, Marta foi surpreendida por dores na coluna que o levaram ao internamento por seis vezes. Na época, a empresária chegava a trabalhar 16 horas por dia.
Após realizar uma série de exames e passar por quase uma dezena de médicos e se deparar com diagnósticos imprecisos, Marta decidiu procurar um psiquiatra, que concluiu que a empresária apresentava sintomas de estresse.
A partir daí, a empresária, que pesava 68 quilos e se considerava “sarada”, ganhou cerca de 30 quilos em apenas sete meses. “Como sentia muitas dores, comecei a comer como forma de compensar o sofrimento. Comecei a ganhar peso de forma desenfreada e abandonei o tratamento, pois acreditava que os calmantes eram os responsáveis por me tornar obesa e compulsiva”, disse.
Após dois anos lutando contra a balança e alternando dietas mirabolantes, Marta retomou o tratamento psiquiátrico e incorporou na sua rotina exercícios físicos, massagens relaxantes e ioga. Dessa forma, conseguiu emagrecer 22 quilos e, hoje, diz estar satisfeita com seu corpo.
“Hoje, me sinto melhor e mais saudável. Reduzi minhas horas de trabalho e faço exercícios. Hoje, sou mais calma, mais feliz com minhas novas atribuições”, contou.
Fonte: http://atarde.uol.com.br/materias/imprimir/1516614
Em “‘Hoje, me sinto melhor e mais saudável. Reduzi minhas horas de trabalho e faço exercícios. Hoje, sou mais calma, mais feliz com minhas novas atribuições’, contou.”, os verbos destacados se encontram, respectivamente, no
Provas
Questão presente nas seguintes provas
Pesquisa: 37% dos obesos atribuem sobrepeso ao
estresse
Luana Almeida
Considerado o grande mal do século, o estresse, atualmente, é apontado pela comunidade médica como o grande causador de doenças graves, como depressão, alergias, infecções, asma, bronquite, gastrite e câncer.
Em levantamento comportamental realizado pela agência de pesquisa Resulta CNP para a empresa farmacêutica Allergan/Divisão Health, o estresse aparece também como o grande inimigo de quem está acima do peso.
A pesquisa, realizada por meio de entrevistas com mil pessoas de cinco cidades brasileiras - Salvador, Porto Alegre, São Paulo, Rio de Janeiro e Goiânia -, revelou que o estresse foi o maior influenciador do sobrepeso e obesidade em 37% dos entrevistados.
Nesse universo, as mulheres foram as que mais relacionaram o estresse ao ganho de peso (37,6%). Em porcentagem um pouco menor, aparecem os homens, com 35,8% das respostas.
De acordo com a psicóloga especializada em terapia cognitiva comportamental pela Universidade de São Paulo (USP) e em transtornos alimentares pela Universidade Federal de São Paulo (Unifesp) Marilice Rubbo de Carvalho, o estresse configura-se, hoje, não apenas como o causador do sobrepeso, mas como um dos maiores agravantes do quadro da obesidade.
“Poucas pessoas sabem, mas o estresse tem ligação direta com a ansiedade. Por conta da correria e das dificuldades diárias, as pessoas ficam mais ansiosas, e muitas têm no hábito de comer uma forma de fuga. Por isso, acabam comendo muito e de forma equivocada, o que contribui para o aumento de peso, que, muitas vezes, foge do controle até alcançar a obesidade”, explicou.
Na opinião da psicóloga, a relação psicossocial dos indivíduos com o problema se entrelaça, também, para a dificuldade na adesão de um tratamento efetivo, eficaz e de longo prazo.
“A motivação para um tratamento é algo que oscila, sobretudo em pacientes com alto grau de estresse. As pessoas estressadas costumam transformar a satisfação em constante irritação. Isso dificulta na progressão de uma reeducação alimentar ou de uma regularidade nos exercícios físicos, primordiais no tratamento da obesidade”, disse.
Trabalho - No levantamento, 25% dos entrevistados apontaram, também, o trabalho como causador do ganho de peso. Nesse caso, os homens são maioria, com 34%. Já as mulheres chegam apenas a 15%.
Para a nutricionista Valéria Soares, dificuldades no emprego, além da relação difícil com colegas de trabalho e chefia têm relação com o desencadeamento do estresse, consequentemente, com um aumento gradativo de peso.
Foi justamente o estresse, aliado a exaustiva carga horária do trabalho, o responsável por grandes mudanças na vida da empresária Marta Oliveira Santos, 37.
Em janeiro de 2007, Marta foi surpreendida por dores na coluna que o levaram ao internamento por seis vezes. Na época, a empresária chegava a trabalhar 16 horas por dia.
Após realizar uma série de exames e passar por quase uma dezena de médicos e se deparar com diagnósticos imprecisos, Marta decidiu procurar um psiquiatra, que concluiu que a empresária apresentava sintomas de estresse.
A partir daí, a empresária, que pesava 68 quilos e se considerava “sarada”, ganhou cerca de 30 quilos em apenas sete meses. “Como sentia muitas dores, comecei a comer como forma de compensar o sofrimento. Comecei a ganhar peso de forma desenfreada e abandonei o tratamento, pois acreditava que os calmantes eram os responsáveis por me tornar obesa e compulsiva”, disse.
Após dois anos lutando contra a balança e alternando dietas mirabolantes, Marta retomou o tratamento psiquiátrico e incorporou na sua rotina exercícios físicos, massagens relaxantes e ioga. Dessa forma, conseguiu emagrecer 22 quilos e, hoje, diz estar satisfeita com seu corpo.
“Hoje, me sinto melhor e mais saudável. Reduzi minhas horas de trabalho e faço exercícios. Hoje, sou mais calma, mais feliz com minhas novas atribuições”, contou.
Fonte: http://atarde.uol.com.br/materias/imprimir/1516614
Em “Dessa forma, conseguiu emagrecer 22 quilos e, hoje, diz estar satisfeita com seu corpo.”, as palavras em destaque apresentam, respectivamente,
Provas
Questão presente nas seguintes provas
Pesquisa: 37% dos obesos atribuem sobrepeso ao
estresse
Luana Almeida
Considerado o grande mal do século, o estresse, atualmente, é apontado pela comunidade médica como o grande causador de doenças graves, como depressão, alergias, infecções, asma, bronquite, gastrite e câncer.
Em levantamento comportamental realizado pela agência de pesquisa Resulta CNP para a empresa farmacêutica Allergan/Divisão Health, o estresse aparece também como o grande inimigo de quem está acima do peso.
A pesquisa, realizada por meio de entrevistas com mil pessoas de cinco cidades brasileiras - Salvador, Porto Alegre, São Paulo, Rio de Janeiro e Goiânia -, revelou que o estresse foi o maior influenciador do sobrepeso e obesidade em 37% dos entrevistados.
Nesse universo, as mulheres foram as que mais relacionaram o estresse ao ganho de peso (37,6%). Em porcentagem um pouco menor, aparecem os homens, com 35,8% das respostas.
De acordo com a psicóloga especializada em terapia cognitiva comportamental pela Universidade de São Paulo (USP) e em transtornos alimentares pela Universidade Federal de São Paulo (Unifesp) Marilice Rubbo de Carvalho, o estresse configura-se, hoje, não apenas como o causador do sobrepeso, mas como um dos maiores agravantes do quadro da obesidade.
“Poucas pessoas sabem, mas o estresse tem ligação direta com a ansiedade. Por conta da correria e das dificuldades diárias, as pessoas ficam mais ansiosas, e muitas têm no hábito de comer uma forma de fuga. Por isso, acabam comendo muito e de forma equivocada, o que contribui para o aumento de peso, que, muitas vezes, foge do controle até alcançar a obesidade”, explicou.
Na opinião da psicóloga, a relação psicossocial dos indivíduos com o problema se entrelaça, também, para a dificuldade na adesão de um tratamento efetivo, eficaz e de longo prazo.
“A motivação para um tratamento é algo que oscila, sobretudo em pacientes com alto grau de estresse. As pessoas estressadas costumam transformar a satisfação em constante irritação. Isso dificulta na progressão de uma reeducação alimentar ou de uma regularidade nos exercícios físicos, primordiais no tratamento da obesidade”, disse.
Trabalho - No levantamento, 25% dos entrevistados apontaram, também, o trabalho como causador do ganho de peso. Nesse caso, os homens são maioria, com 34%. Já as mulheres chegam apenas a 15%.
Para a nutricionista Valéria Soares, dificuldades no emprego, além da relação difícil com colegas de trabalho e chefia têm relação com o desencadeamento do estresse, consequentemente, com um aumento gradativo de peso.
Foi justamente o estresse, aliado a exaustiva carga horária do trabalho, o responsável por grandes mudanças na vida da empresária Marta Oliveira Santos, 37.
Em janeiro de 2007, Marta foi surpreendida por dores na coluna que o levaram ao internamento por seis vezes. Na época, a empresária chegava a trabalhar 16 horas por dia.
Após realizar uma série de exames e passar por quase uma dezena de médicos e se deparar com diagnósticos imprecisos, Marta decidiu procurar um psiquiatra, que concluiu que a empresária apresentava sintomas de estresse.
A partir daí, a empresária, que pesava 68 quilos e se considerava “sarada”, ganhou cerca de 30 quilos em apenas sete meses. “Como sentia muitas dores, comecei a comer como forma de compensar o sofrimento. Comecei a ganhar peso de forma desenfreada e abandonei o tratamento, pois acreditava que os calmantes eram os responsáveis por me tornar obesa e compulsiva”, disse.
Após dois anos lutando contra a balança e alternando dietas mirabolantes, Marta retomou o tratamento psiquiátrico e incorporou na sua rotina exercícios físicos, massagens relaxantes e ioga. Dessa forma, conseguiu emagrecer 22 quilos e, hoje, diz estar satisfeita com seu corpo.
“Hoje, me sinto melhor e mais saudável. Reduzi minhas horas de trabalho e faço exercícios. Hoje, sou mais calma, mais feliz com minhas novas atribuições”, contou.
Fonte: http://atarde.uol.com.br/materias/imprimir/1516614
Em “...ganhou cerca de 30 quilos em apenas sete meses.”, a expressão em destaque
Provas
Questão presente nas seguintes provas
Pesquisa: 37% dos obesos atribuem sobrepeso ao
estresse
Luana Almeida
Considerado o grande mal do século, o estresse, atualmente, é apontado pela comunidade médica como o grande causador de doenças graves, como depressão, alergias, infecções, asma, bronquite, gastrite e câncer.
Em levantamento comportamental realizado pela agência de pesquisa Resulta CNP para a empresa farmacêutica Allergan/Divisão Health, o estresse aparece também como o grande inimigo de quem está acima do peso.
A pesquisa, realizada por meio de entrevistas com mil pessoas de cinco cidades brasileiras - Salvador, Porto Alegre, São Paulo, Rio de Janeiro e Goiânia -, revelou que o estresse foi o maior influenciador do sobrepeso e obesidade em 37% dos entrevistados.
Nesse universo, as mulheres foram as que mais relacionaram o estresse ao ganho de peso (37,6%). Em porcentagem um pouco menor, aparecem os homens, com 35,8% das respostas.
De acordo com a psicóloga especializada em terapia cognitiva comportamental pela Universidade de São Paulo (USP) e em transtornos alimentares pela Universidade Federal de São Paulo (Unifesp) Marilice Rubbo de Carvalho, o estresse configura-se, hoje, não apenas como o causador do sobrepeso, mas como um dos maiores agravantes do quadro da obesidade.
“Poucas pessoas sabem, mas o estresse tem ligação direta com a ansiedade. Por conta da correria e das dificuldades diárias, as pessoas ficam mais ansiosas, e muitas têm no hábito de comer uma forma de fuga. Por isso, acabam comendo muito e de forma equivocada, o que contribui para o aumento de peso, que, muitas vezes, foge do controle até alcançar a obesidade”, explicou.
Na opinião da psicóloga, a relação psicossocial dos indivíduos com o problema se entrelaça, também, para a dificuldade na adesão de um tratamento efetivo, eficaz e de longo prazo.
“A motivação para um tratamento é algo que oscila, sobretudo em pacientes com alto grau de estresse. As pessoas estressadas costumam transformar a satisfação em constante irritação. Isso dificulta na progressão de uma reeducação alimentar ou de uma regularidade nos exercícios físicos, primordiais no tratamento da obesidade”, disse.
Trabalho - No levantamento, 25% dos entrevistados apontaram, também, o trabalho como causador do ganho de peso. Nesse caso, os homens são maioria, com 34%. Já as mulheres chegam apenas a 15%.
Para a nutricionista Valéria Soares, dificuldades no emprego, além da relação difícil com colegas de trabalho e chefia têm relação com o desencadeamento do estresse, consequentemente, com um aumento gradativo de peso.
Foi justamente o estresse, aliado a exaustiva carga horária do trabalho, o responsável por grandes mudanças na vida da empresária Marta Oliveira Santos, 37.
Em janeiro de 2007, Marta foi surpreendida por dores na coluna que o levaram ao internamento por seis vezes. Na época, a empresária chegava a trabalhar 16 horas por dia.
Após realizar uma série de exames e passar por quase uma dezena de médicos e se deparar com diagnósticos imprecisos, Marta decidiu procurar um psiquiatra, que concluiu que a empresária apresentava sintomas de estresse.
A partir daí, a empresária, que pesava 68 quilos e se considerava “sarada”, ganhou cerca de 30 quilos em apenas sete meses. “Como sentia muitas dores, comecei a comer como forma de compensar o sofrimento. Comecei a ganhar peso de forma desenfreada e abandonei o tratamento, pois acreditava que os calmantes eram os responsáveis por me tornar obesa e compulsiva”, disse.
Após dois anos lutando contra a balança e alternando dietas mirabolantes, Marta retomou o tratamento psiquiátrico e incorporou na sua rotina exercícios físicos, massagens relaxantes e ioga. Dessa forma, conseguiu emagrecer 22 quilos e, hoje, diz estar satisfeita com seu corpo.
“Hoje, me sinto melhor e mais saudável. Reduzi minhas horas de trabalho e faço exercícios. Hoje, sou mais calma, mais feliz com minhas novas atribuições”, contou.
Fonte: http://atarde.uol.com.br/materias/imprimir/1516614
Em “Em janeiro de 2007, Marta foi surpreendida por dores na coluna que o levaram ao internamento por seis vezes. Na época, a empresária chegava a trabalhar 16 horas por dia.”, há uma inadequação gramatical
Provas
Questão presente nas seguintes provas
Cadernos
Caderno Container