Foram encontradas 555 questões.
Um aplicativo simples de VoIP amostra e digitaliza sinais de voz de modo a formar um fluxo de 64 kbits/s. Para transmissão, o sinal é dividido em trechos de 20 ms e um cabeçalho de 40 bytes é acrescentado a cada bloco, incluindo os cabeçalhos UDP e IP. Sendo assim, um sinal de voz de 5 s resulta em quantos bits transmitidos?
Provas
Assinale a alternativa em que se apresenta uma tecnologia que utiliza um sistema de comunicação simplex.
Provas
Considere a seguinte afirmação:
“O processo de transformar um sinal de tempo contínuo em um sinal de tempo discreto é chamado de . Se o sinal original está limitado em frequência a B Hz, então deve-se utilizar no processo uma frequência maior do que Hz para ser possível a reconstrução perfeita da forma de onda original.”
Assinale a alternativa em que aparecem os termos que completam corretamente e em ordem as lacunas da afirmação.
Provas
Uma das formas de compartilhamento de canal é a multiplexação por divisão no tempo (TDM) utilizada, por exemplo, em redes telefônicas. Considere um enlace TDM em que 64 usuários transmitem à taxa de 2,048 Mbits/s. No seu compartimento (slot), cada usuário transmite 16 bits por quadro. Sendo assim, um usuário consegue transmitir a cada
Provas
Fios condutores paralelos carregam correntes contínuas iguais, mas de sentidos opostos de amplitude 1 000 A. A distância entre os fios é de 20 cm. Considerando a permeabilidade do vácuo igual a 4!$ \pi !$10–7 H/m e que o comprimento dos fios é muito maior do que a distância entre eles, o módulo da força por metro que um fio exerce sobre o outro é
Provas
Em eletrônica digital e computação, é muitas vezes necessário escrever números em diferentes bases para representá-los. Seja a um número natural com a ≥ 2. Então, escrevendo-se o número a3 + a2 na base a obtém-se
Provas
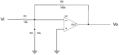
Considere o circuito da figura a seguir que contém um amplificador operacional ideal.

O ganho de tensão !$ \large{V_o \over V_i} !$ do circuito é:
Provas
Considere o circuito da figura a seguir em que todos os dispositivos são ideais.

A potência dissipada no resistor de 50 kΩ é
Provas
Um circuito sintonizador simples para rádio FM pode ser construído usando-se um circuito RLC série com um capacitador variável. Supondo que a indutância seja de 2 μH, qual deve ser a capacitância para que o rádio esteja sintonizado em 100 MHz? Utilize !$ \pi ≈ 3 !$.
Provas
Observe a figura a seguir:

A partir da figura apresentada, um exemplo de Desenho de Tubulação e Instrumentação (P&ID, de sua estrutura, distribuição dos elementos, indicatividade de fluxo e símbolos, identifique qual processo está representado no diagrama.
Provas
Caderno Container