Foram encontradas 785 questões.
Sobre argamassas, analise as afirmativas.
I - As argamassas são definidas como a mistura de aglomerantes, agregados e água.
II - As argamassas que utilizam unicamente cimento como aglomerante são mais resistentes e de melhor trabalhabilidade.
III - Uma argamassa cujo volume de pasta é superior ao volume de vazios é classificada como cheia.
Está correto o que se afirma em
Provas
Sobre o dimensionamento das estruturas de aço, de acordo com a NBR 8800:2008, marque V para as afirmativas verdadeiras e F para as falsas.
( ) A força axial de tração resistente em cantoneiras de abas iguais é o menor dos valores obtidos considerando os estados limites últimos de escoamento da seção bruta e ruptura da seção líquida.
( ) Os estados limites últimos a serem considerados no dimensionamento à flexão de um perfil I, solicitado em torno do eixo de menor inércia, são: flambagem lateral com torção, flambagem local da alma e flambagem local da mesa.
( ) O índice de esbeltez dos elementos comprimidos não deve ser superior a 140.
( ) As ligações parafusadas que estiverem sujeitas a forças repetitivas, com reversão de sinal, devem ser por atrito.
Assinale a sequência correta.
Provas
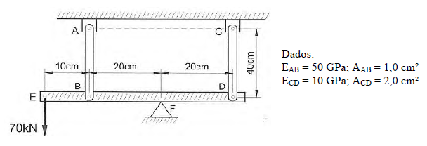
A figura abaixo esquematiza uma barra rígida que está ligada a duas barras verticais (barras AB e CD) e a um apoio (Ponto F).

Assinale a alternativa que apresenta o deslocamento vertical do ponto E.
Provas
A figura abaixo apresenta a seção transversal e o diagrama de deformações de uma viga de concreto armado.

Assinale a alternativa que apresenta a área aproximada da armadura longitudinal de tração em centímetros quadrados, considerando o diagrama retangular de tensões.
Provas
Analise o levantamento planimétrico mostrado na figura abaixo.

A partir das informações presentes na figura, marque V para as afirmativas verdadeiras e F para as falsas.
( ) O rumo magnético do alinhamento 2-3 é 45º SE.
( ) O comprimento do alinhamento 3-4 é aproximadamente 6,0 m.
( ) A área do polígono é aproximadamente 54 m².
( ) A deflexão do alinhamento 4-1 é 30º à esquerda.
Assinale a sequência correta.
Provas
Uma peça retangular de aço de 20 × 40 mm, com tensão de escoamento igual a 250 MPa, está submetida a um momento fletor em torno do eixo principal de maior inércia. Assinale a alternativa que apresenta o valor do momento de plastificação em torno desse eixo em kNcm.
Considere:
MPL= Z . fy; Z – Módulo de resistência plástico
Provas
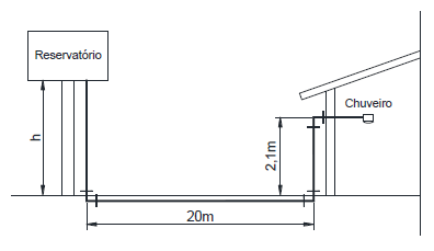
A figura abaixo esquematiza a ligação de um chuveiro residencial alimentado por um reservatório elevado.

Considere:
- Diâmetro nominal da tubulação: 20 mm;
- Comprimento equivalente do joelho 90º e diâmetro de 20 mm: 1,3 m;
- Perda de carga na tubulação: 0,05 m/m
Assinale a alternativa que apresenta a altura aproximada “h” do reservatório de modo que a pressão dinâmica de serviço no chuveiro seja 2,0 m.c.a.
Provas
NÃO é função dos tratamentos superficiais de pavimentos:
Provas
Sobre o dimensionamento de peças comprimidas de madeira, de acordo com a NBR 7190:1997, assinale a afirmativa correta.
Provas
A figura abaixo ilustra uma entidade de desenho antes e depois da aplicação de uma determinada sequência de comandos do sistema AutoCad®.

Assinale a sequência de comandos INCORRETA.
Provas
Caderno Container