Magna Concursos

Foram encontradas 486 questões.

184531 Ano: 2017
Disciplina: Engenharia Mecânica
Banca: FADESP
Orgão: COSANPA
Provas:
A figura a seguir representa uma trinca a frio induzida pelo hidrogênio em uma junta soldada.
enunciado 184531-1

Como meio de controlar esse defeito NÃO é correto proceder à/ao
 

Provas

Questão presente nas seguintes provas
184530 Ano: 2017
Disciplina: Engenharia Mecânica
Banca: FADESP
Orgão: COSANPA
Provas:
Algumas substâncias sólidas apresentam características peculiares que permitem a sua utilização como lubrificantes em condições especiais de serviço. Entre as características importantes dessas substâncias NÃO está a(o)
 

Provas

Questão presente nas seguintes provas
184529 Ano: 2017
Disciplina: Engenharia Mecânica
Banca: FADESP
Orgão: COSANPA
Provas:
Os tanques (1) e (2), representados na figura a seguir, são cúbicos e enchidos pelos tubos, respectivamente, em 100 e 500 segundos.
enunciado 184529-1

O valor da velocidade da água na seção A, indicada na figura, sabendo-se que o diâmetro é de 1 metro, é
 

Provas

Questão presente nas seguintes provas
184528 Ano: 2017
Disciplina: Engenharia Mecânica
Banca: FADESP
Orgão: COSANPA
Provas:
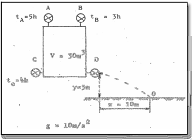
O tanque representado na figura a seguir pode ser enchido pela água que entra pela válvula A em 5 horas e pela água que entra por B em 3 horas e pode ser esvaziado (quando totalmente cheio) pela válvula C em 4 horas (supondo vazão constante). Abrindo-se todas as válvulas (A, B, C e D) ao mesmo tempo, o tanque mantém-se totalmente cheio.
enunciado 184528-1

A área da seção de saída de D para que o jato de água possa atingir o ponto 0, considerando-se que a aceleração da gravidade é igual a 10 m/s2 , é
 

Provas

Questão presente nas seguintes provas
184527 Ano: 2017
Disciplina: Engenharia Mecânica
Banca: FADESP
Orgão: COSANPA
Provas:
Considere a figura a seguir, que representa a curva de tratamento térmico para um aço com 1% de carbono.
enunciado 184527-1

Os microconstituintes formados no ponto A são
 

Provas

Questão presente nas seguintes provas
184526 Ano: 2017
Disciplina: Engenharia Eletrônica
Banca: FADESP
Orgão: COSANPA
Provas:

Um sistema de entrada única e saída única é representado em espaço de estado pela equação

enunciado 184526-1

A função de transferência G(s) do sistema é:

 

Provas

Questão presente nas seguintes provas
184525 Ano: 2017
Disciplina: Engenharia Eletrônica
Banca: FADESP
Orgão: COSANPA
Provas:

No circuito representado na figura a seguir, a corrente de coletor IC é de 0,99 IE mA e a tensão da junção base-emissor é de 0,7 volts. A tensão de coletor (VC) e a corrente de emissor (IE) são, respectivamente, iguais a

enunciado 184525-1

 

Provas

Questão presente nas seguintes provas
184524 Ano: 2017
Disciplina: Engenharia Eletrônica
Banca: FADESP
Orgão: COSANPA

Na função de transferência abaixo, os zeros finitos desta função são

enunciado 184524-1

 

Provas

Questão presente nas seguintes provas
184523 Ano: 2017
Disciplina: Engenharia Eletrônica
Banca: FADESP
Orgão: COSANPA
Provas:

No circuito da figura abaixo o amplificador operacional é ideal. Supondo que a tensão vb seja igual a 6 V, o intervalo no qual deve ser mantida a tensão va para que o amplificador operacional não entre na região de saturação é

enunciado 184523-1

 

Provas

Questão presente nas seguintes provas
184522 Ano: 2017
Disciplina: Engenharia Eletrônica
Banca: FADESP
Orgão: COSANPA

Em relação ao CLP em linguagem LADDER, pode-se afirmar que:

I – o contato selo é utilizado para manter a saída energizada, independente de qualquer comando de entrada;

II – o contato selo é utilizado para manter a saída energizada, mesmo após o desligamento da entrada;

III – o contato selo é utilizado para manter a saída energizada somente quando a entrada estiver desligada.

Está correto o que se afirma em

 

Provas

Questão presente nas seguintes provas