Foram encontradas 772 questões.
O processo Xifóide é um acidente ósseo anatômico localizado em qual osso do corpo humano?
Provas
Questão presente nas seguintes provas
O sinal gerado pelo acionamento de uma chave ou botão mecânicos causa um problema a ser resolvido pelos sistemas digitais. Como é conhecido esse fenômeno?
Provas
Questão presente nas seguintes provas
Para sistemas de rádio ponto a ponto, na faixa de UHF e VHF, podem-se utilizar:
Provas
Questão presente nas seguintes provas
A multiplexação aplicada em um sistema de telecomunicações consiste na transmissão simultânea de vários canais de informações, sendo
veiculados através de um meio de transmissão para um destino, no qual, por sua vez, serão demultiplexados e encaminhados para seus respectivos canais de saída. Considerando essas informações, quantas técnicas de multiplexação são basicamente aplicadas?
veiculados através de um meio de transmissão para um destino, no qual, por sua vez, serão demultiplexados e encaminhados para seus respectivos canais de saída. Considerando essas informações, quantas técnicas de multiplexação são basicamente aplicadas?
Provas
Questão presente nas seguintes provas
Sobre transporte de peixes vivos, pode-se afirmar:
I. O jejum dos peixes aumenta a taxa de glicose sanguínea, melhorando a absorção e o transporte do oxigênio.
II. A densidade de peixes utilizada no transporte depende somente do tamanho médio dos indivíduos e da espécie transportada.
III. É comum a utilização de baixas concentrações de NaCl dissolvido na água de transporte para a redução do estresse nos peixes.
IV. O número de indivíduos transportados por metro cúbico de água aumenta conforme diminui o tamanho dos peixes.
Está(ão) CORRETA(S):
Provas
Questão presente nas seguintes provas
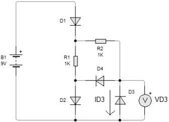
Para o circuito a seguir, considerando os diodos em 2° aproximação com Vj = 0,7V, calcule a corrente ID 3 e o valor da tensão VD3 indicada.

Provas
Questão presente nas seguintes provas
As seguintes espécies de peixes: jundiá (Rhamdia sp.), traíra (Hoplias malabaricus), matrinxã (Brycon amazonicus), carpa capim (Ctenopharyngodon idella.), truta arco-íris (Oncorhynchus mykiss), tilápia (Oreochromis sp.), piauçu ou piavuçu (Leporinus obtusidens) e tucunaré (Cichla ocellaris) podem ser classificadas respectivamente como:
Provas
Questão presente nas seguintes provas
Trabalhos científicos de todo o mundo vêm apontando a contínua perda da diversidade biológica, provocada pela crescente e globalação antrópica. Tais evidências têm gerado listas de espécies animais e vegetais inclusas como ameaçadas de extinção, com implicações sociais, econômicas, ambientais e culturais para a atual civilização. Diante de tais evidências, as medidas apropriadas a serem tomadas pelas autoridades governamentais são:
I. Proibir completamente a exploração dos recursos naturais.
II. Aumentar a conscientização da importância de conservação das florestas.
III. Como o homem vive do que a natureza produz e a demanda para produzir alimentos não pode ser alterada, nada pode ser feito.
IV. Legislar para disciplinar a ação do homem com o objetivo de evitar os abusos.
II. Aumentar a conscientização da importância de conservação das florestas.
III. Como o homem vive do que a natureza produz e a demanda para produzir alimentos não pode ser alterada, nada pode ser feito.
IV. Legislar para disciplinar a ação do homem com o objetivo de evitar os abusos.
A(s) assertiva(s) CORRETA(S) é/são:
Provas
Questão presente nas seguintes provas
Indique o solvente utilizado em indústria de calçados, biotransformado em 2,5-hexanodiona, que faz quadro de neuropatia sensitivo-motora, especialmente em membros inferiores com anestesia em bota e paralisia com o pé caído:
Provas
Questão presente nas seguintes provas
O dielétrico é o material usado para a construção de capacitores. Por exemplo, o vácuo tem constante dielétrica = 1. É CORRETO afirmar:
Provas
Questão presente nas seguintes provas
Cadernos
Caderno Container