Foram encontradas 772 questões.
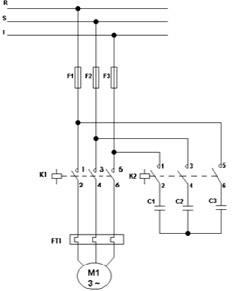
O circuito de força representado abaixo caracteriza:

Fonte: Manual de tarefas – Eng. Elétrica – Pucpr.
Provas
Questão presente nas seguintes provas
Os elementos ou dispositivos mecânicos para medição de pressão se dividem em dois grupos básicos: (i) medidores mecânicos de medição direta de pressão e (ii) medidores elásticos de medição de pressão.
Assinale a alternativa que contém SOMENTE medidores elásticos de medição de pressão.
Provas
Questão presente nas seguintes provas
Equações de chuva intensa são utilizadas para cálculo da intensidade pluviométrica e elaboradas a partir da leitura dos dados de pluviógrafos. Em relação às equações de chuva intensa, pode-se afirmar que:
Provas
Questão presente nas seguintes provas
Um técnico que esteja programando (parametrizando) um inversor de frequência para o acionamento de um motor de indução terá que definir o ajuste da frequência de modulação (PWM) em uma faixa de 2kHz a 10kHz. Este profissional deverá conhecer que:
Provas
Questão presente nas seguintes provas
Deseja-se determinar as coordenadas do baricentro de um triângulo retângulo que será o ponto de início de uma adutora de água tratada. Com base nos dado da figura, determine as coordenadas do ponto desejado.

Provas
Questão presente nas seguintes provas
No período reprodutivo, machos de algumas espécies de peixe apresentam características sexuais secundárias que permitem sua identificação, por exemplo, durante a seleção de reprodutores.
Algumas dessas características são:
I. Aspereza na nadadeira anal: machos do gênero Brycon (matrinxã, piracanjuba.)
II. Emissão de som quando manipulado: machos de curimbatá (Prochilodus lineatus).
III. Protuberância na cabeça: machos de tucunaré (Cichla ocellaris).
IV. Alteração na coloração corporal: machos de piauçu (Leporinus macrocephalus).
Está(ão) CORRETA(S):
Provas
Questão presente nas seguintes provas
No trem de engrenagens mostrado na figura, a entrada transfere 2,1 kW de potência a 2000 rpm. Cada par de engrenagens reduz a velocidade de uma razão de 5:3. O desenho não está em escala.

Fonte: HAMROCK, Bernard J.; SCHMID, Steven
R; JACOBSON, Bo O. Fundamentals of machine elements. 2nd ed. Boston: McGraw-Hill, 2005.
I. O número de dentes da engrenagem 3 é z3=50.
II. O número de dentes da engrenagem 4 é z4=120.
III. A rotação de saída é 1200 rpm.
IV. O torque de saída é 25,6 N-m.
II. O número de dentes da engrenagem 4 é z4=120.
III. A rotação de saída é 1200 rpm.
IV. O torque de saída é 25,6 N-m.
Provas
Questão presente nas seguintes provas
O transporte de alevinos de peixes deve ser realizado de maneira rápida e segura a fim de reduzir ao máximo o estresse e consequentemente a mortalidade durante o transporte. Com relação ao transporte de alevinos, afirma-se:
I. Normalmente é realizado em sacos plásticos contendo 20% a 25 % do volume com água e 75% a 80 % do volume com oxigênio.
II. A temperatura é um parâmetro importante a ser observado, dado que, quanto mais amena a temperatura, menor será a produção de amônia e de gás carbônico.
III. Devido à menor rusticidade dos alevinos, se comparados aos peixes adultos, a ambientação poderá ser feita de forma mais rápida evitandose, assim, estresse desnecessário.
IV. A densidade de alevinos normalmente utilizada nesse tipo de transporte é de 80g a 200 g de alevinos/litro de água.
Está(ão) CORRETA(S):
Provas
Questão presente nas seguintes provas
A adubação dos viveiros é de vital importância na criação dos peixes, pois tanques bem adubados fornecerão um ambiente propício para a reprodução, engorda e produção de alevinos, devido ao incremento da produção primária.
Sobre adubação de viveiros de piscicultura, julgue as assertivas a seguir:
I. Pode-se utilizar a adubação orgânica e/ou química nos viveiros.
II. A adubação deve ser realizada de 7 a 10 dias antes da calagem para melhor disponibilidade dos nutrientes.
III. A adubação dos viveiros é recomendada para todas as espécies de peixes, independente da qualidade da água dos viveiros.
IV. Diversos fertilizantes inorgânicos podem ser utilizados na adubação de viveiros, como: nitrato de amônia, sulfato de amônia, uréia, superfosfato simples e superfosfato triplo.
Está(ão) CORRETA(S):
Provas
Questão presente nas seguintes provas
Em condições de ambiente favorável, os protozoários se reproduzem com grande eficácia, o que os coloca entre os principais grupos de microorganismos que causam danos consideráveis às pisciculturas. Considere as opções abaixo sobre doenças causadas por protozoários:
I. Monogenoides são os principais protozoários que acometem os peixes.
II. Entre os sinais clínicos da infestação pelo protozoário Ichthyophthirius multifiliis, estão: aparecimento de pontos brancos na superfície do corpo, nadadeiras e brânquias, emagrecimento e excessiva produção de muco.
III. A “doença da coluna”, causada pelo protozoário Flexibacter columnaris, é muito comum em pisciculturas. Os primeiros sinais clínicos são pequenas lesões brancas no corpo e na cabeça.
IV. Para impedir a proliferação de doenças causadas por protozoários, o manejo mais recomendado e eficaz é a retirada dos peixes infectados do tanque.
Está(ão) CORRETA(S):
Provas
Questão presente nas seguintes provas
Cadernos
Caderno Container