Foram encontradas 311 questões.
Assinale a conversão CORRETA.
Dado o valor 0,0068 A converter em mA.
I- 0,0068 mA
II- 0,0068 x 10-3 mA
III- 0,068 x 103 mA
IV- 6,8 mA
II- 0,0068 x 10-3 mA
III- 0,068 x 103 mA
IV- 6,8 mA
Provas
Questão presente nas seguintes provas
A dimensão de uma janela representa-se em planta, cujos valores significam:

Provas
Questão presente nas seguintes provas
Para facilitar a execução de instalações elétricas, usa-se simbologia padronizada para fácil reconhecimento dos pontos a serem instalados.
Dados os símbolos, identificá-los na tabela.

Provas
Questão presente nas seguintes provas
A seguir, é apresentado o conjunto de ferramentas que permitem a inserção de elementos poligonais planos. Cada uma dessas ferramentas está sendo identificada por um número decimal.
Se imaginarmos a operação para inserir com o mouse um triângulo, qual alternativa está CORRETA?

Provas
Questão presente nas seguintes provas
O trabalho do assistente social na implantação e desenvolvimento de programas de QVT tem como base o levantamento do nível de satisfação no trabalho, a partir da percepção do próprio trabalhador pela pesquisa e análise de aspectos significativos.
NÃO poderiam ser assim consideradas:
Provas
Questão presente nas seguintes provas
Complete as lacunas CORRETAMENTE, observando a concordância verbal.
“A Agência Nacional de Energia Elétrica (ANEEL) é administrada por uma diretoria colegiada, formada pelo diretor-geral e outros quatro diretores, entre eles, o diretor-ouvidor. As funções executivas da ANEEL a cargo de 20 superintendentes. Nas questões jurídicas, a Procuradoria Geral aAgência.
O diretor-geral com o apoio do Gabinete, enquanto a diretoria da estrutura de uma assessoria direta e da Secretaria Geral. A maioria das superintendências se em questões técnicas – regulação, fiscalização, mediação e concessão – e uma parte delas se à relação da ANEEL com seu público interno e a sociedade.”
(Disponível em<http://www.aneel.gov.br/area.cfm.?idarea=6.Acesso em: 14maio2008)
Provas
Questão presente nas seguintes provas
Assinale a alternativa CORRETA considerando um projeto de uma linha de transmissão de energia elétrica:
Provas
Questão presente nas seguintes provas
A seguir, é apresentado o conjunto de ferramentas que permitem a representação de elementos lineares. Cada uma está sendo identificada por um número decimal.
Se imaginarmos a operação para inserir com o mouse um conjunto de segmentos lineares conectados, qual alternativa está CORRETA?

Provas
Questão presente nas seguintes provas
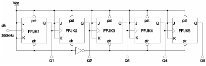
Dado o circuito constituído por 5 flip-flops tipo JK, operando como divisores de freqüência onde é aplicado uma frequência de 360 kHz na entrada do primeiro flip-flop.
Indicar as freqüências nos pontos Q1, Q3, Q4, Q5.

Provas
Questão presente nas seguintes provas
1536709
Ano: 2008
Disciplina: Segurança e Saúde no Trabalho (SST)
Banca: PUC-PR
Orgão: COPEL
Disciplina: Segurança e Saúde no Trabalho (SST)
Banca: PUC-PR
Orgão: COPEL
Provas:
Em caso de existência de atmosfera IPVS, o espaço confinado somente poderá ser adentrado com a utilização de máscara autônoma de demanda com pressão positiva ou com respirador de linha de ar comprimido com cilindro auxiliar para escape.
O significado de atmosfera IPVS é:
Provas
Questão presente nas seguintes provas
Cadernos
Caderno Container