Foram encontradas 70 questões.
Os serviços públicos de saneamento básico, segundo a Política
Nacional de Saneamento Básico, terão a sustentabilidade
econômico-financeira assegurada, sempre que possível, mediante
remuneração pela cobrança do serviço.
Sobre o tema, leia o fragmento a seguir.
“A cobrança pela prestação do serviço público de drenagem e manejo de _______________________ deve levar em conta, em cada _______________________, os percentuais de impermeabilização e a existência de ______________________ ou de retenção de água de chuva, bem como poderá considerar o nível de renda da população da área atendida.”
Assinale a opção cujos termos completam, corretamente, as lacunas do fragmento.
Sobre o tema, leia o fragmento a seguir.
“A cobrança pela prestação do serviço público de drenagem e manejo de _______________________ deve levar em conta, em cada _______________________, os percentuais de impermeabilização e a existência de ______________________ ou de retenção de água de chuva, bem como poderá considerar o nível de renda da população da área atendida.”
Assinale a opção cujos termos completam, corretamente, as lacunas do fragmento.
Provas
Questão presente nas seguintes provas
Pela Lei Federal nº 11.445, foi instituído o Sistema Nacional de
Informações em Saneamento Básico (SINISA), que tem, entre
outros, o objetivo de
Provas
Questão presente nas seguintes provas
Mensalmente, em uma caixa d’água de 50 metros de altura, são
bombeados 43.200 litros de água. A bomba utilizada para realizar
esse trabalho possui rendimento de 60 %. Essa bomba foi
substituída por outra de maior rendimento, o que permitiu uma
economia de 2.500 Wh de energia no mês.
Considerando a densidade da água igual a 1 e a aceleração da gravidade de 10 m/s2 , o rendimento da bomba substituta é de
Considerando a densidade da água igual a 1 e a aceleração da gravidade de 10 m/s2 , o rendimento da bomba substituta é de
Provas
Questão presente nas seguintes provas
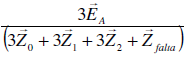
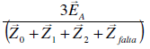
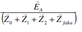
A tensão de pré-falta no ponto em que ocorre um curto-circuito
entre fase e terra por meio de uma impedância
é igual a
. Considerando que as impedâncias dos equivalentes de
Thévenin de sequência zero, positiva e negativa vistas do ponto
da falta são respectivamente iguais a
, a corrente
de curto-circuito é igual a:
Provas
Questão presente nas seguintes provas
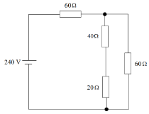
A figura abaixo apresenta um circuito composto por uma fonte CC e quatro resistores:
O equivalente de Norton que conecta o resistor de 40 Ω é composto por uma fonte de corrente de:
Provas
Questão presente nas seguintes provas
Um equipamento elétrico trifásico de 50.000 VA possui fator de
potência indutivo igual a 0,866. Deseja-se corrigir o fator de
potência para que a potência reativa fique menor que 15 kVar.
Para que isso aconteça, o banco de capacitores – BC deve atender à seguinte desigualdade:
Para que isso aconteça, o banco de capacitores – BC deve atender à seguinte desigualdade:
Provas
Questão presente nas seguintes provas
Em um sistema elétrico a tensão de pré-falta é igual a 0,8 p.u.. A
corrente de falta trifásica é igual a 10 kA em um setor onde a
corrente de base é igual a 20 kA. A impedância do equivalente de
Thèvenin de sequência positiva visto do ponto da falta, em p.u., é
igual a:
Provas
Questão presente nas seguintes provas
Uma subestação de 13,8 kV possui um transformador de
500 x 30,5 kVA. O TC para fins de proteção do disjuntor primário
dessa subestação deve ter uma relação nominal de
Dados: Corrente primária dos TC’s disponíveis: 25 A, 30 A, 35 A e 40 A. Corrente máxima no secundário do TC: 5 A.
Dados: Corrente primária dos TC’s disponíveis: 25 A, 30 A, 35 A e 40 A. Corrente máxima no secundário do TC: 5 A.
Provas
Questão presente nas seguintes provas
A corrente elétrica de curto-circuito na entrada de uma
subestação industrial de 10kV de tensão de entrada, é de
1,0 x 30,5 kA. Essa subestação possui um único transformador de
1,2 MVA. A reatância reduzida do sistema, em p.u., é igual a
Dados: Potência de base: metade da potência do transformador. Tensão de base: igual à tensão de entrada da subestação.
Dados: Potência de base: metade da potência do transformador. Tensão de base: igual à tensão de entrada da subestação.
Provas
Questão presente nas seguintes provas
Um motor de indução trifásico que possui 4 polos e velocidade de
campo magnético girante de 1500 rpm opera com uma
frequência na fonte de alimentação, em hertz, igual a
Provas
Questão presente nas seguintes provas
Cadernos
Caderno Container